Tilslutnings- og brokoblingsudstyr til armeringer

Tilslutnings- og brokoblingsudstyr til benyttelse af armeringsjernene (længdearmeringsjernene) på stålbetonstøtter eller vægge som nedleder. Ved at anvende et armeringsjern, der er indlejret i betonstøtterne, kan den ekstra installation af rundledere (St/tZn) til lynbeskyttelse/jording/potentialudligning undlades. Den elektrisk relevante forbindelse realiseres i hele stålbetonstøttens længde med et lodret armeringsjern.

Yderligere information

Tilslutningsudstyr

2 produkter

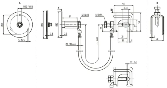
artikelnr. 416940 UES 16 L600 VK RD8 28 FL30 EFP

GTIN 4013364360280, CCT (EU): 85359000, Bruttovægt: 530.00 g, VPE: 25.00 Pakkestørrelse


billeder

Yderligere information

Tilslutningsudstyr bestående af
tilslutningskabel med tilsluttet
forbindelsesklemme og fast jordingspunkt
til sikker elektrisk forbindelse
af det faste jordingspunkt med
armeringen/armeringsjernene
Med tilslutningsudstyret sker der
en sikker elektrisk forbindelse
på et defineret armeringsjern
(længdearmeringsjern), der bruges som
nedleder på indfangersystemer,
facadeelementer, kranskinner,
kabelbakkesystemer, jordingsanlægget,
funktionspotentialudligning osv.
Materiale, forbindelsesklemme: St/blank
Klemmeområde Rd forbindelsesklemme: 8-28 mm
Klemmeområde Fl forbindelsesklemme: 30 x 3-4 mm
Materiale, fast jordingspunkt: NIRO (V4A)
Tilslutningsgevind fast jordingspunkt: M10 / M12
Materiale, brokoblingskabel: Fleksibel kobberleder, frostbestandig
Ledningslængde, brokoblingskabel: 600 mm
Ledertværsnit, brokoblingskabel: 16 mm2
Standarder: DIN EN 62561-1

fabrikat: DEHN
Type: UES 16 L600 VK RD8 28 FL30 EFP
artikelnr.: 416940
eller tilsvarende

Certificater

 

Tekniske data

Materiale, forbindelsesklemme St/blank
Klemmeområde Rd forbindelsesklemme 8-28 mm
Klemmeområde Fl forbindelsesklemme 30 x 3-4 mm
Materiale, fast jordingspunkt NIRO (V4A)
Tilslutningsgevind fast jordingspunkt M10 / M12
Materiale, brokoblingskabel Fleksibel kobberleder, frostbestandig
Ledningslængde, brokoblingskabel 600 mm
Ledertværsnit, brokoblingskabel 16 mm2
Standarder DIN EN 62561-1
Speciallængder mulige på forespørgsel.
*) Se den præcise tildeling på testcertifikatet.

Produkt 416940 blev tilføjet til notesblok.

Produkt 416940 blev lagt I kurven.

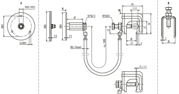
artikelnr. 416950 UES 16 L1000 VK RD8 28 FL30 EFP

GTIN 4013364508620, CCT (EU): 85359000, Bruttovægt: 650.00 g, VPE: 25.00 Pakkestørrelse


billeder

Yderligere information

Tilslutningsudstyr bestående af
tilslutningskabel med tilsluttet
forbindelsesklemme og fast jordingspunkt
til sikker elektrisk forbindelse
af det faste jordingspunkt med
armeringen/armeringsjernene
Med tilslutningsudstyret sker der
en sikker elektrisk forbindelse
på et defineret armeringsjern
(længdearmeringsjern), der bruges som
nedleder på indfangersystemer,
facadeelementer, kranskinner,
kabelbakkesystemer, jordingsanlægget,
funktionspotentialudligning osv.
Materiale, forbindelsesklemme: St/blank
Klemmeområde Rd forbindelsesklemme: 8-28 mm
Klemmeområde Fl forbindelsesklemme: 30 x 3-4 mm
Materiale, fast jordingspunkt: NIRO (V4A)
Tilslutningsgevind fast jordingspunkt: M10 / M12
Materiale, brokoblingskabel: Fleksibel kobberleder, frostbestandig
Ledningslængde, brokoblingskabel: 1000 mm
Ledertværsnit, brokoblingskabel: 16 mm2
Standarder: DIN EN 62561-1

fabrikat: DEHN
Type: UES 16 L1000 VK RD8 28 FL30 EFP
artikelnr.: 416950
eller tilsvarende

Certificater

 

Tekniske data

Materiale, forbindelsesklemme St/blank
Klemmeområde Rd forbindelsesklemme 8-28 mm
Klemmeområde Fl forbindelsesklemme 30 x 3-4 mm
Materiale, fast jordingspunkt NIRO (V4A)
Tilslutningsgevind fast jordingspunkt M10 / M12
Materiale, brokoblingskabel Fleksibel kobberleder, frostbestandig
Ledningslængde, brokoblingskabel 1000 mm
Ledertværsnit, brokoblingskabel 16 mm2
Standarder DIN EN 62561-1
Speciallængder mulige på forespørgsel.
*) Se den præcise tildeling på testcertifikatet.

Produkt 416950 blev tilføjet til notesblok.

Produkt 416950 blev lagt I kurven.


Brokoblingsudstyr

1 produkt

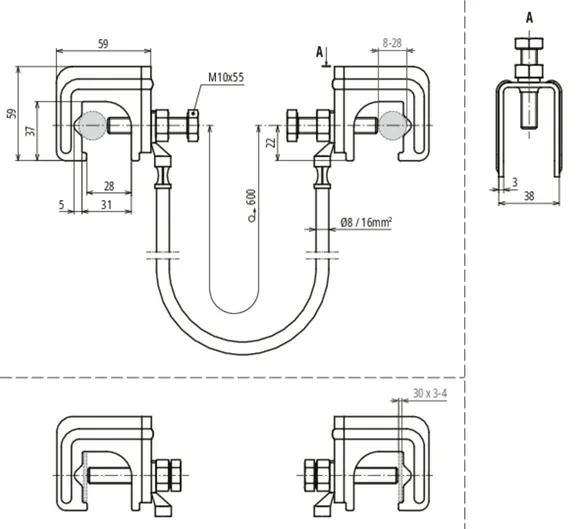
artikelnr. 416941 UES 16 L600 2VK RD8 28 FL30

GTIN 4013364360273, CCT (EU): 85359000, Bruttovægt: 513.00 g, VPE: 25.00 Pakkestørrelse


billeder

Yderligere information

Brokoblingsenhed bestående af
forbindelseskabel med to tilsluttede
forbindelsesklemmer til elektrisk
forbindelse af armeringsjern
Med brokoblingsudstyret er det muligt at
forbinde sammenføjningssteder på lodrette armeringsjern
(længdearmeringsjern) med hinanden
og dermed kan en elektrisk relevant
forbindelse af armeringen benyttes
som nedleder
Materiale, forbindelsesklemme: St/blank
Klemmeområde Rd forbindelsesklemme: 8-28 mm
Klemmeområde Fl forbindelsesklemme: 30 x 3-4 mm
Materiale, brokoblingskabel: Fleksibel kobberleder, frostbestandig
Ledningslængde, brokoblingskabel: 600 mm
Ledertværsnit, brokoblingskabel: 16 mm2
Standarder: DIN EN 62561-1

fabrikat: DEHN
Type: UES 16 L600 2VK RD8 28 FL30
artikelnr.: 416941
eller tilsvarende

Certificater

 

Tekniske data

Materiale, forbindelsesklemme St/blank
Klemmeområde Rd forbindelsesklemme 8-28 mm
Klemmeområde Fl forbindelsesklemme 30 x 3-4 mm
Materiale, brokoblingskabel Fleksibel kobberleder, frostbestandig
Ledningslængde, brokoblingskabel 600 mm
Ledertværsnit, brokoblingskabel 16 mm2
Standarder DIN EN 62561-1
Speciallængder mulige på forespørgsel.
*) Se den præcise tildeling på testcertifikatet.

Produkt 416941 blev tilføjet til notesblok.

Produkt 416941 blev lagt I kurven.


back to top