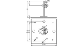
artikelnr. 202060 DLH DQ 6.10 GP100X100 STTZN
GTIN 4013364022263, CCT (EU): 85389099, Bruttovægt: 230.96 g, VPE: 1.00 Pakkestørrelse
Tekniske data
| Materiale (taglederholder) | St/tZn |
| Mål | 100 x 100 mm |
| Fastgørelse | [4x] Ø4 / [4x] Ø10 mm |
| Materiale (lederholder) | St/tZn |
| Klemmeområde | 6-10 mm |
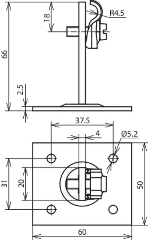
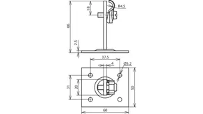
artikelnr. 202030 DLH DQ 6.10 GP50X60 STTZN
GTIN 4013364022362, CCT (EU): 85389099, Bruttovægt: 116.30 g, VPE: 50.00 Pakkestørrelse
Tekniske data
| Materiale (taglederholder) | St/tZn |
| Mål | 50 x 60 mm |
| Fastgørelse | [4x] Ø5,2 mm |
| Materiale (lederholder) | St/tZn |
| Klemmeområde | 6-10 mm |
artikelnr. 297015 BP D100 GBM8 4XB10 4XB4 STTZN
GTIN 4013364023383, CCT (EU): 73269098, Bruttovægt: 135.40 g, VPE: 25.00 Pakkestørrelse
Tekniske data
| Materiale (taglederholder) | St/tZn |
| Mål | Ca. Ø100 mm |
| Fastgørelse | [4x] Ø4 / [4x] Ø10 mm |
artikelnr. 297025 BP D40 GBM8 4XB4 K GR
GTIN 4013364023390, CCT (EU): 39269097, Bruttovægt: 5.40 g, VPE: 100.00 Pakkestørrelse
Tekniske data
| Materiale (taglederholder) | Kunststof |
| Farve | Grå ● |
| Mål | Ø40 mm |
| Fastgørelse | [4x] Ø4 mm |