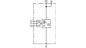
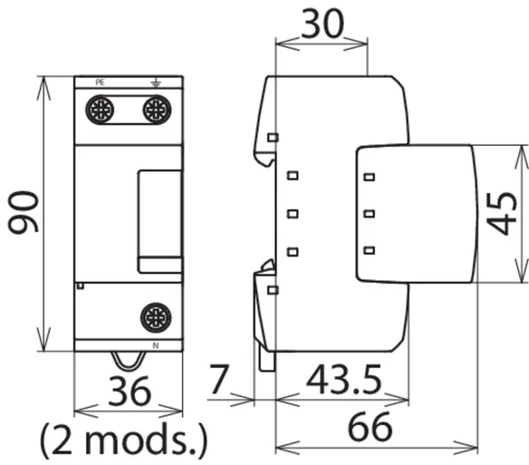
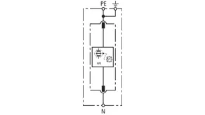
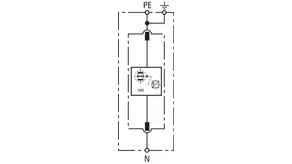
DEHNgap
- Afledeevne op til 100 kA (10/350 µs)
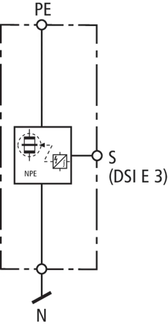
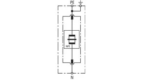
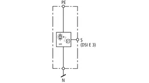
- Sumstrømsafleder, specielt designet til brug mellem nulleder (N) og beskyttelsesleder (PE) i "3+1"- og "1+1"-kobling i TT-systemer efter IEC60364-5-53
- Slukkegnistgabsteknologi
- Funktions-/fejlindikation ved grøn/rød markering i inspektionsruden
Details
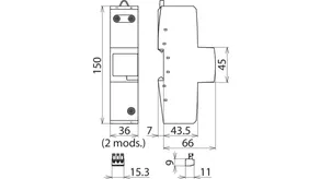
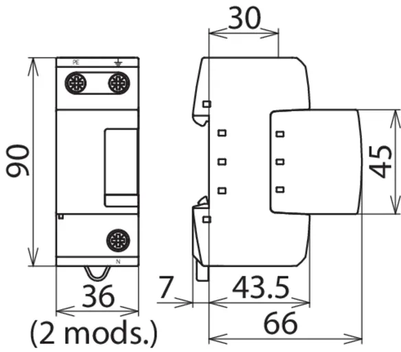
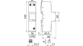
artikelnr. 961101 DGP M 255
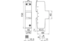
GTIN 4013364118676, CCT (EU): 85363030, Bruttovægt: 331.00 g, VPE: 1.00 Pakkestørrelse
forrigeTekniske data
| Afleder efter EN 61643-11 / IEC 61643-11 | Type 1 / klasse I |
| Max. driftsspænding AC (UC ) | 255 V (50 / 60 Hz) |
| Lynstødstrøm (10/350 µs) (Iimp ) | 100 kA |
| Restspænding (UP ) | ≤ 1,5 kV |
| Godkendelser | VDE, KEMA, UL |
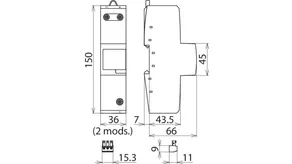
artikelnr. 961105 DGP M 255 FM
GTIN 4013364118683, CCT (EU): 85363030, Bruttovægt: 336.00 g, VPE: 1.00 Pakkestørrelse
forrigeTekniske data
| Afleder efter EN 61643-11 / IEC 61643-11 | Type 1 / klasse I |
| Max. driftsspænding AC (UC ) | 255 V (50 / 60 Hz) |
| Lynstødstrøm (10/350 µs) (Iimp ) | 100 kA |
| Restspænding (UP ) | ≤ 1,5 kV |
| Godkendelser | VDE, KEMA, UL |
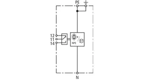
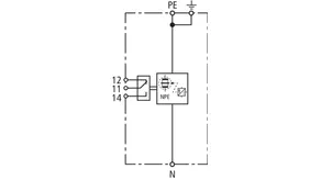
| FM-kontakt / kontaktform | Skiftekontakt |
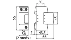
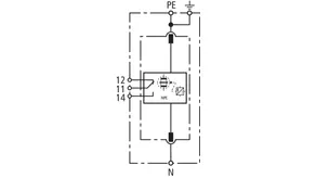
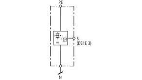
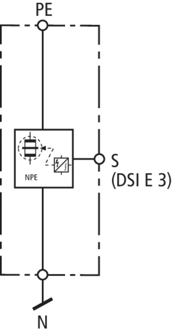
artikelnr. 900050 DGPM 1 255 S
GTIN 4013364107496, CCT (EU): 85363090, Bruttovægt: 539.00 g, VPE: 1.00 Pakkestørrelse
Tekniske data
| Afleder efter EN 61643-11 / IEC 61643-11 | Type 1 / klasse I |
| Max. driftsspænding AC (UC ) | 255 V (50 / 60 Hz) |
| Lynstødstrøm (10/350 µs) (Iimp ) | 100 kA |
| Restspænding (UP ) | ≤ 2,5 kV (80 cm tilslutningskabel inkluderet) |
| Driftstilstandsovervågning | Via DEHNsignal DSI E 3 |
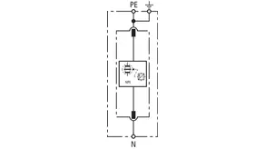
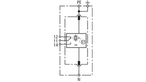
artikelnr. 961180 DGPM 1 255
GTIN 4013364157323, CCT (EU): 85363090, Bruttovægt: 460.00 g, VPE: 1.00 Pakkestørrelse
Tekniske data
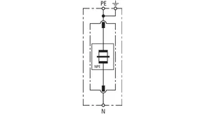
| Afleder efter EN 61643-11 / IEC 61643-11 | Type 1 + Type 2 / klasse I + klasse II |
| Max. driftsspænding AC (UC ) | 255 V (50 / 60 Hz) |
| Lynstødstrøm (10/350 µs) (Iimp ) | 100 kA |
| Restspænding (UP ) | ≤ 1,5 kV |
| Godkendelser | KEMA |
artikelnr. 961185 DGPM 1 255 FM
GTIN 4013364157330, CCT (EU): 85363090, Bruttovægt: 460.00 g, VPE: 1.00 Pakkestørrelse
Tekniske data
| Afleder efter EN 61643-11 / IEC 61643-11 | Type 1 + Type 2 / klasse I + klasse II |
| Max. driftsspænding AC (UC ) | 255 V (50 / 60 Hz) |
| Lynstødstrøm (10/350 µs) (Iimp ) | 100 kA |
| Restspænding (UP ) | ≤ 1,5 kV |
| Godkendelser | KEMA |
| FM-kontakt / kontaktform | Skiftekontakt |
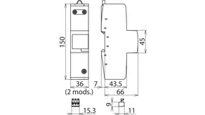
artikelnr. 961160 DGPM 440
GTIN 4013364116290, CCT (EU): 85363030, Bruttovægt: 415.00 g, VPE: 1.00 Pakkestørrelse
Tekniske data
| Afleder efter EN 61643-11 / IEC 61643-11 | Type 1 / klasse I |
| Max. driftsspænding AC (UC ) | 440 V (50 / 60 Hz) |
| Lynstødstrøm (10/350 µs) (Iimp ) | 100 kA |
| Restspænding (UP ) | ≤ 2,5 kV |
| Godkendelser | UL |
artikelnr. 961165 DGPM 440 FM
GTIN 4013364116306, CCT (EU): 85363030, Bruttovægt: 418.00 g, VPE: 1.00 Pakkestørrelse
Tekniske data
| Afleder efter EN 61643-11 / IEC 61643-11 | Type 1 / klasse I |
| Max. driftsspænding AC (UC ) | 440 V (50 / 60 Hz) |
| Lynstødstrøm (10/350 µs) (Iimp ) | 100 kA |
| Restspænding (UP ) | ≤ 2,5 kV |
| Godkendelser | UL |
| FM-kontakt / kontaktform | Skiftekontakt |
artikelnr. 961102 DGPH M 255
GTIN 4013364118690, CCT (EU): 85363030, Bruttovægt: 300.00 g, VPE: 1.00 Pakkestørrelse
forrigeTekniske data
| Afleder efter EN 61643-11 / IEC 61643-11 | Type 1 / klasse I |
| Max. driftsspænding AC (UC ) | 255 V (50 / 60 Hz) |
| Lynstødstrøm (10/350 µs) (Iimp ) | 100 kA |
| Restspænding (UP ) | ≤ 4 kV |
