BLITZDUCTOR VT

  • Økonomisk beskyttelse af flertrådede snitflader
  • Snitfladespecifikke udgaver, f.eks RS485 eller telekommunikationsanvendelser
  • Udgaver til DC-strømforsyning og katodisk beskyttelse

Details

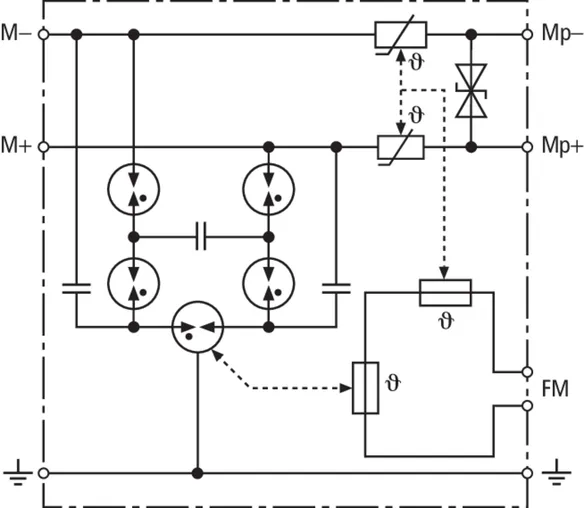
BVT-udgave til beskyttelse af aktive korrosionsbeskyttelses-anlæg.
lorem ipsum
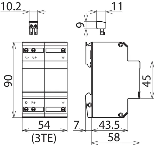
BVT-indkapslingstype med en bredde på 3 TE og skrueklemmer:
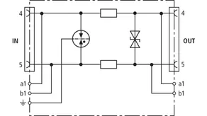
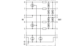
BVT RS485 til beskyttelse af RS485 / RS422-snitflader
lorem ipsum
BVT-indkapslingstype med en bredde på 1,5 TE og RJ-tilslutning:
BVT TC1 til beskyttelse af telekommunikationssnitflader.
lorem ipsum
BVT-indkapslingstype med en bredde på 1,5 TE og skrueklemmer:
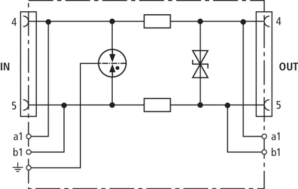
BVT AVD/ALD: To beskyttede ledere til DC-strømforsyning
lorem ipsum

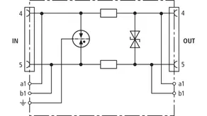
BVT RS485

Afleder til flere anvendelser, eksempelvis balancerede 4-trådede RS485/422-snitflader eller temperaturfølere. Direkte eller indirekte jordforbindelse af skærm og tilslutning af signaljord (SG).

1 produkt

artikelnr. 918401 BVT RS485 5

GTIN 4013364074224, CCT (EU): 85363010, Bruttovægt: 199.00 g, VPE: 1.00 Pakkestørrelse


billeder

Yderligere information


Mærkespænding DC: 5 V
Max. driftsspænding DC: 6 V
Mærkestrøm: 0,5 A
C2 samlet mærkeafledestødstrøm (8/20 µs): 10 kA

fabrikat: DEHN
Type: BVT RS485 5
artikelnr.: 918401
eller tilsvarende

Certificater

 

Tekniske data

Aflederklasse Q
Max. driftsspænding DC (UC ) 6 V
Mærkestrøm (IL ) 0,5 A
D1 lynstødstrøm (10/350 µs) per leder (Iimp ) 0,8 kA
C2 samlet mærkeafledestødstrøm (8/20 µs) (In ) 10 kA
Serieimpedans per leder 1,8 ohm
Grænsefrekvens leder-leder (fG ) 1,7 MHz
Godkendelser CSA

Produkt 918401 blev tilføjet til notesblok.

Produkt 918401 blev lagt I kurven.


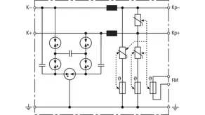
BVT AVD

Overspændingsafleder med forbedret restspænding til EMC-beskyttelse af elektroniske komponenter med DC-forsyning. Ideelt tilpasset til Siemens PLC. Da der gøres brug af en unipolær diode, skal driftsspændingens polaritet overvåges.

1 produkt

artikelnr. 918422 BVT AVD 24

GTIN 4013364149267, CCT (EU): 85363010, Bruttovægt: 109.10 g, VPE: 1.00 Pakkestørrelse

forrige

billeder

Yderligere information


Mærkespænding DC: 24 V
Max. driftsspænding DC: 35 V
Mærkestrøm ved 80 °C: 10 A
C2 samlet mærkeafledestødstrøm (8/20 µs): 2 kA

fabrikat: DEHN
Type: BVT AVD 24
artikelnr.: 918422
eller tilsvarende

Certificater

 

Tekniske data

Aflederklasse W
Max. driftsspænding DC (UC ) 35 V
Mærkestrøm ved 80 °C (IL ) 10 A
C2 samlet mærkeafledestødstrøm (8/20 µs) (In ) 2 kA

Produkt 918422 blev tilføjet til notesblok.

Produkt 918422 blev lagt I kurven.


BVT ALD

Energetisk koordinerbar kombiafleder til beskyttelse af DC-forsyning uden jording til DIN-skinnemontage.

2 produkter

artikelnr. 918408 BVT ALD 36

GTIN 4013364125292, CCT (EU): 85363010, Bruttovægt: 122.00 g, VPE: 1.00 Pakkestørrelse


billeder

Yderligere information


Mærkespænding DC: 36 V
Max. driftsspænding DC: 45 V
Mærkestrøm ved 80 °C: 4 A
Mærkestrøm ved 45 °C: 7 A
C2 samlet mærkeafledestødstrøm (8/20 µs): 20 kA

fabrikat: DEHN
Type: BVT ALD 36
artikelnr.: 918408
eller tilsvarende

Certificater

 

Tekniske data

Aflederklasse M
Max. driftsspænding DC (UC ) 45 V
Mærkestrøm ved 80 °C (IL ) 4 A
Mærkestrøm ved 45 °C (IL ) 7 A
D1 lynstødstrøm (10/350 µs) per leder (Iimp ) 2,5 kA
D1 samlet lynstødstrøm (10/350 µs) (Iimp ) 5 kA
C2 samlet mærkeafledestødstrøm (8/20 µs) (In ) 20 kA
Serieimpedans per leder 22 µH
Godkendelser UL

Produkt 918408 blev tilføjet til notesblok.

Produkt 918408 blev lagt I kurven.

artikelnr. 918409 BVT ALD 60

GTIN 4013364146709, CCT (EU): 85363010, Bruttovægt: 122.00 g, VPE: 1.00 Pakkestørrelse


billeder

Yderligere information


Mærkespænding DC: 60 V
Max. driftsspænding DC: 65 V
Mærkestrøm ved 80 °C: 4 A
Mærkestrøm ved 45 °C: 7 A
C2 samlet mærkeafledestødstrøm (8/20 µs): 20 kA

fabrikat: DEHN
Type: BVT ALD 60
artikelnr.: 918409
eller tilsvarende

Certificater

 

Tekniske data

Aflederklasse M
Max. driftsspænding DC (UC ) 65 V
Mærkestrøm ved 80 °C (IL ) 4 A
Mærkestrøm ved 45 °C (IL ) 7 A
For-sikring ved UN ≥ 45 V og IL ≥ 1 A
D1 lynstødstrøm (10/350 µs) per leder (Iimp ) 2,5 kA
D1 samlet lynstødstrøm (10/350 µs) (Iimp ) 5 kA
C2 samlet mærkeafledestødstrøm (8/20 µs) (In ) 20 kA
Serieimpedans per leder 22 µH
Godkendelser UL

Produkt 918409 blev tilføjet til notesblok.

Produkt 918409 blev lagt I kurven.


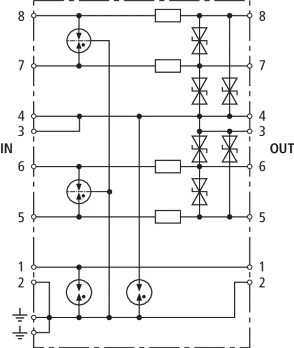
BVT TC

Energetisk koordinerbar og lækstrømsfri overspændingsafleder til a/b-ledere, ISDN Uk0 eller ADSL med RJ45- og ekstra skrueklemmetilslutninger. RJ45-soklernes pin-layout er kompatibelt med RJ11/12. De parallelle skrueklemmer er mere robuste end RJ45-soklerne og øger den samlede mærkeafledestødstrøm til 10 kA.

1 produkt

artikelnr. 918411 BVT TC 1

GTIN 4013364093133, CCT (EU): 85363010, Bruttovægt: 110.90 g, VPE: 1.00 Pakkestørrelse


billeder

Yderligere information


Max. driftsspænding DC: 170 V
Mærkestrøm: 0,2 A
C2 samlet mærkeafledestødstrøm (8/20 µs): 5 kA

fabrikat: DEHN
Type: BVT TC 1
artikelnr.: 918411
eller tilsvarende

Certificater

 

Tekniske data

Aflederklasse R
Max. driftsspænding DC (UC ) 170 V
Mærkestrøm (IL ) 0,2 A
D1 lynstødstrøm (10/350 µs) per leder (Iimp ) 1 kA
C2 samlet mærkeafledestødstrøm (8/20 µs) (In ) 5 kA
Serieimpedans per leder 4,7 ohm
Grænsefrekvens leder-leder (fG ) 17 MHz

Produkt 918411 blev tilføjet til notesblok.

Produkt 918411 blev lagt I kurven.


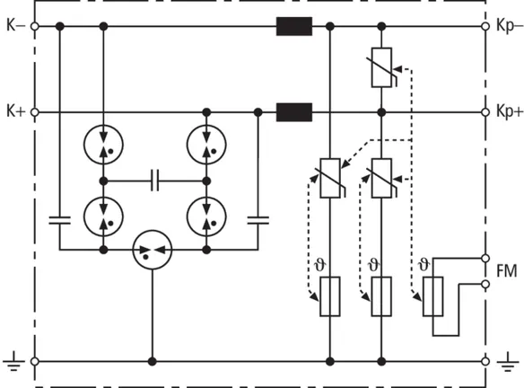
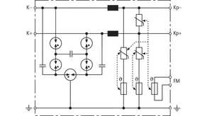
BVT KKS ALD

Energetisk koordinerbar kombiafleder til beskyttelse af ensretteren i en anodestrømkreds (rød). Stikbar fjernmeldekontakt indikerer overbelastning (termoovervågning af varistorene). Installation i stålkapsling er anbefalet. Lav tændspænding opnås med kapacitetskontrol.

1 produkt

artikelnr. 918420 BVT KKS ALD 75

GTIN 4013364094895, CCT (EU): 85363010, Bruttovægt: 229.00 g, VPE: 1.00 Pakkestørrelse

forrige

billeder

Yderligere information


Max. driftsspænding DC: 75 V
Mærkestrøm: 12 A
C2 samlet mærkeafledestødstrøm (8/20 µs): 40 kA

fabrikat: DEHN
Type: BVT KKS ALD 75
artikelnr.: 918420
eller tilsvarende

Certificater

 

Tekniske data

Aflederklasse M
Max. driftsspænding DC (UC ) 75 V
Mærkestrøm (IL ) 12 A
D1 lynstødstrøm (10/350 µs) per leder (Iimp ) 3,5 kA
D1 samlet lynstødstrøm (10/350 µs) (Iimp ) 7 kA
C2 samlet mærkeafledestødstrøm (8/20 µs) (In ) 40 kA
Serieimpedans per leder 5 µH
Grænsefrekvens leder-leder (fG ) 1 MHz
FM-kontakt / kontakttype Skiftekontakt

Produkt 918420 blev tilføjet til notesblok.

Produkt 918420 blev lagt I kurven.


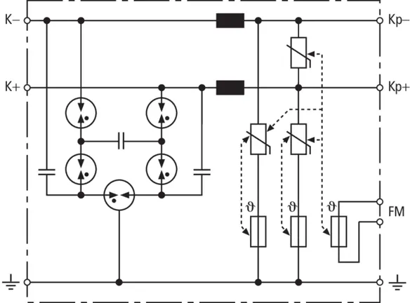
BVT KKS APD

Energetisk koordinerbar kombiafleder til beskyttelse af en sensormålekreds (gul). Stikbar fjernmeldekontakt indikerer overbelastning (termoovervågning af varistorene). Installation i stålkapsling er anbefalet. Lav tændspænding opnås med kapacitetskontrol.

1 produkt

artikelnr. 918421 BVT KKS APD 36

GTIN 4013364094901, CCT (EU): 85363010, Bruttovægt: 130.30 g, VPE: 1.00 Pakkestørrelse

forrige

billeder

Yderligere information


Max. driftsspænding DC: 36,8 V
Mærkestrøm: 0,05 A
C2 samlet mærkeafledestødstrøm (8/20 µs): 40 kA

fabrikat: DEHN
Type: BVT KKS APD 36
artikelnr.: 918421
eller tilsvarende

Certificater

 

Tekniske data

Aflederklasse M
Max. driftsspænding DC (UC ) 36,8 V
Mærkestrøm (IL ) 0,05 A
D1 lynstødstrøm (10/350 µs) per leder (Iimp ) 3,5 kA
D1 samlet lynstødstrøm (10/350 µs) (Iimp ) 7 kA
C2 samlet mærkeafledestødstrøm (8/20 µs) (In ) 40 kA
Serieimpedans per leder 55 ohm
FM-kontakt / kontakttype Skiftekontakt

Produkt 918421 blev tilføjet til notesblok.

Produkt 918421 blev lagt I kurven.


back to top