DEHNpatch – Afleder til datanet og ethernetanvendelser

  • Patchkabel med indbygget overspændingsbeskyttelse
  • op til 10 Gbit/s (op til klasse EA / 500 MHz
  • Patchkabel med overspændingsbeskyttelse CAT 6A i channel
  • IP66-udgave til udendørs brug
  • Strøm over Ethernet (PoE++ / 4PPoE efter IEEE 802.3)
  • Kan let eftermonteres

Details

Patchkabeludgave, fuldt skærmet (længde 3m)
lorem ipsum
Udendørs variant, kapslingsklasse IP66.
lorem ipsum
Enkel vedligeholdelse gennem display og fjernmelder
lorem ipsum
Monteringssæt som tilbehør til til 19"-Patch-Rack-løsninger.
lorem ipsum

DPA CLE IP66

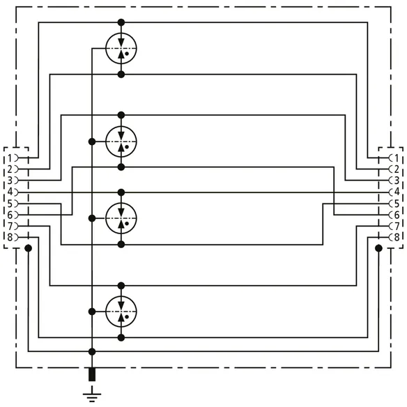
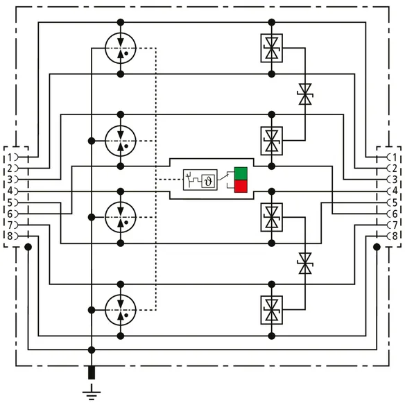
Universel overspændingsafleder til Gbit ethernet, strøm over ethernet (PoE++ / 4PPoE efter IEEE 802.3) og lignende anvendelser i strukturerede kabelføringer op til klasse E indendørs og udendørs i en IP66-kapsling, som beskytter imod indtrængen af støv og og vand. Beskytter alle lederpar vha. kraftige gasgnistgab og et tilpasset matrixfilter pr. par. Fuldt skærmet overspændingsbeskyttelse med RJ 45-bøsning. Universelle montagebeslag til eventuel maste- eller vægmontage.
Tilbehør: spændebånd til mastemontage.

1 produkt

artikelnr. 929221 DPA CLE IP66

GTIN 4013364342866, CCT (EU): 85363010, Bruttovægt: 745.00 g, VPE: 1.00 Pakkestørrelse


billeder

Yderligere information



fabrikat: DEHN
Type: DPA CLE IP66
artikelnr.: 929221
eller tilsvarende

Certificater

 

Tekniske data

Aflederklasse T
Max. driftsspænding DC par-par (PoE) (Uc ) 60 V
Mærkestrøm (IL ) 1 A
D1 lynstødstrøm (10/350 µs) per leder (Iimp ) 0,8 kA
D1 samlet lynstødstrøm (10/350 µs) (Iimp ) 4 kA
C2 samlet mærkeafledestødstrøm (8/20 µs) (In ) 10 kA
Grænsefrekvens (fG ) 250 MHz
Kapslingsklasse (med tilsluttede ledere) IP 66
Tilslutning (indgang / udgang) RJ45-sokkel / RJ45-sokkel
Godkendelser UL 497B, CSA

Produkt 929221 blev tilføjet til notesblok.

Produkt 929221 blev lagt I kurven.


DPA M CAT6

Universel afleder til industrielt ethernet, strøm over ethernet (PoE++ / 4PPoE efter IEEE 802.3) og lignende anvendelser i strukturerede kabelføringer efter Cat.6 og klasse EA op til 500 MHz. Fuldt skærmet udførelse med patchkabel til DIN-skinnemontage (op til 10 Gbit ethernet).

1 produkt

artikelnr. 929100 DPA M CAT6 RJ45S 48

GTIN 4013364102170, CCT (EU): 85363010, Bruttovægt: 244.00 g, VPE: 1.00 Pakkestørrelse

forrige

billeder

Yderligere information



fabrikat: DEHN
Type: DPA M CAT6 RJ45S 48
artikelnr.: 929100
eller tilsvarende

Certificater

 

Tekniske data

Aflederklasse T
Max. driftsspænding DC (Uc ) 48 V
Max. driftsspænding DC par-par (PoE) (Uc ) 57 V
Mærkestrøm (IL ) 1 A
D1 lynstødstrøm (10/350 µs) per leder (Iimp ) 1 kA
C2 samlet mærkeafledestødstrøm (8/20 µs) (In ) 10 kA
Grænsefrekvens (fG ) 250 MHz
Tilslutning (indgang / udgang) RJ45-tilslutningsleder / RJ45-tilslutningsleder

Produkt 929100 blev tilføjet til notesblok.

Produkt 929100 blev lagt I kurven.


DEHNpatch Class EA (Neu)

Universal, pladsbesparende kombiafleder med en bredde på 19 mm og RJ45 tilslutningsteknologi med statusvisning for nem vedligeholdelse. Beskyttelse af applikationer i struktureret kabling i henhold til klasse EA op til 500 MHz, fx Industrielt Ethernet, datadistributører, digitale kamerasystemer, Power over Ethernet (IEEE 802.3 kompatibel op til 4PPoE) og Ethernet-baserede grænseflader generelt. Alle lederpar er beskyttet af kraftige gasudladningsafledere og beskyttelsesdioder mellem signaltrådene og lederparrene. Fuldt afskærmet adapterdesign med RJ45-stik til DIN-skinnemontering. Med en ekstra skrueforbindelse kapslingen til valgfri jordforbindelse.

1 produkt

artikelnr. 929161 DPA CL8 EA 4PPOE

GTIN 4013364472921, CCT (EU): 85363010, Bruttovægt: 188.70 g, VPE: 1.00 Pakkestørrelse


billeder

Yderligere information

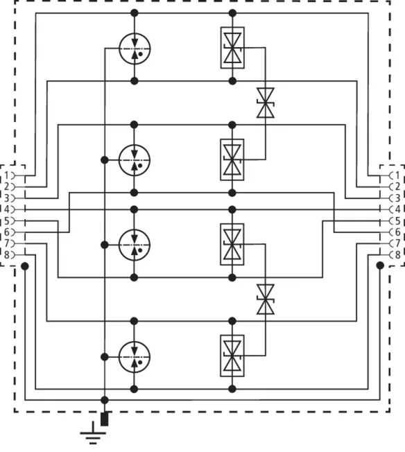
Overspændingsbeskyttelse DEHNpatch CL8 EA 4PPOE
kompakt kombiafleder
Transmissionsklasse EA i henhold til ISO/IEC 11801
til beskyttelse af datagrænseflader mod
lynstrømme og overspændinger i
Ethernet-applikationer op til 10 GBit og
Power over Ethernet (op til 4PPoE)
Beskyttelse af 4 lederpar via RJ45-stik
fuldt skærmet version
testet i henhold til EN/IEC 61643-21
Aflederklasse Type 1/P2
Impulskategori: D1, C1, C2, C3, B2
integreret statusdisplay,
Overvågning via separat FM-enhed
pladsbesparende, total bredde 19 mm
Jordforbindelse via 35 mm DIN-skinne
via skrueforbindelsen på kapslingen
Maksimal spænding: 3,3 V DC
Mærkestrøm ved 70°C: 1,5 A
Afskæringsfrekvens: 500MHz
C2 nominel afladningsstrøm pr. kerne (8/20): 2,5 kA
C2 total afladningsstrøm nominel (8/20): 10 kA
D1 Lynimpulsstrøm (10/350 µs) pr. ledning: 0,5 kA
D1 Lynimpulsstrøm (10/350 µs) i alt: 4 kA
Linjetilslutning: RJ45-stik

fabrikat: DEHN
Type: DPA CL8 EA 4PPOE
artikelnr.: 929161
eller tilsvarende

Certificater

 

Tekniske data

Aflederklasse L
Max. driftsspænding DC (Uc ) 3,3 V
Max. driftsspænding DC par-par (PoE) (Uc ) 58 V
Mærkestrøm (IL ) 1,5 A
D1 lynstødstrøm (10/350 µs) per leder (Iimp ) 0,5 kA
C2 samlet mærkeafledestødstrøm (8/20 µs) (In ) 10 kA
Grænsefrekvens (fG ) 500 MHz
Tilslutning (indgang / udgang) RJ45-sokkel / RJ45-sokkel
Godkendelser GHMT, UL 497B

Produkt 929161 blev tilføjet til notesblok.

Produkt 929161 blev lagt I kurven.


DEHNpatch Klasse E

Universel afleder til industrielt ethernet, strøm over ethernet (PoE++ / 4PPoE efter IEEE 802.3) og lignende anvendelser i strukturerede kabelføringer efter klasse E op til 250 MHz. Beskytter alle lederpar vha. kraftige gasgnistgab og et tilpasset matrixfilter pr. par. Fuldt skærmet udførelse med sokler til DIN-skinnemontage (op til 1 Gbit ethernet).

1 produkt

artikelnr. 929121 DPA M CLE RJ45B 48

GTIN 4013364118935, CCT (EU): 85363010, Bruttovægt: 122.00 g, VPE: 1.00 Pakkestørrelse

forrige

billeder

Yderligere information



fabrikat: DEHN
Type: DPA M CLE RJ45B 48
artikelnr.: 929121
eller tilsvarende

Certificater

 

Tekniske data

Aflederklasse T
Max. driftsspænding DC (Uc ) 48 V
Max. driftsspænding DC par-par (PoE) (Uc ) 57 V
Mærkestrøm (IL ) 1 A
D1 lynstødstrøm (10/350 µs) per leder (Iimp ) 0,5 kA
C2 samlet mærkeafledestødstrøm (8/20 µs) (In ) 10 kA
Grænsefrekvens (fG ) 250 MHz
Tilslutning (indgang / udgang) RJ45-sokkel / RJ45-sokkel
Godkendelser CSA, UL 497B

Produkt 929121 blev tilføjet til notesblok.

Produkt 929121 blev lagt I kurven.


DEHNpatch Class D (Neu)

Universal, pladsbesparende lynstrømsafleder med en bredde på 19 mm og RJ45 tilslutningsteknologi til lynbeskyttelsesudligning. Beskyttelse af applikationer i strukturerede kabelføringer i henhold til klasse D op til 100 MHz, fx Industrielt Ethernet, datadistributører, digitale kamerasystemer, Power over Ethernet (IEEE 802.3 kompatibel op til 4PPoE) og Ethernet-baserede grænseflader generelt. Alle trådpar er beskyttet af kraftige gasgnistgab. Fuldt afskærmet design med RJ45-stik til DIN-skinnemontering. Med en ekstra skrueforbindelse til valgfri jordforbindelse.

1 produkt

artikelnr. 929166 DPA C8 D 4PPOE

GTIN 4013364472914, CCT (EU): 85363010, Bruttovægt: 178.25 g, VPE: 1.00 Pakkestørrelse


billeder

Yderligere information

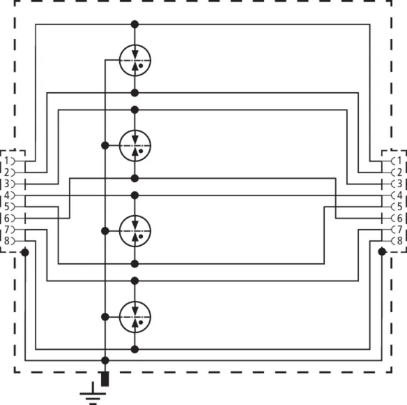
Overspændingsbeskyttelse DEHNpatch C8 D 4PPOE
kompakt lynstrømsafleder
Transmissionsklasse D i henhold til ISO/IEC 11801
til at beskytte datagrænseflader mod
lynstrøm i Ethernet-applikationer
op til 1 GBit og Power over Ethernet (op til 4PPoE)
Beskyttelse af 4 lederpar via RJ45-stik
fuldt skærmet version
testet i henhold til EN/IEC 61643-21
Type 1 afleder klasse
Impulskategori: D1, C2, C3
pladsbesparende, total bredde 19 mm
Jordforbindelse via 35 mm DIN-skinne eller
via skrueforbindelsen på kapslingen
Maksimal spænding: 3,3 V DC
Mærkestrøm ved 70°C: 1,5 A
Afskæringsfrekvens: 100MHz
C2 nominel afladningsstrøm pr. kerne (8/20): 2,5 kA
C2 total afladningsstrøm nominel (8/20): 10 kA
D1 Lynimpulsstrøm (10/350 µs) pr. ledning: 0,5 kA
D1 Lynimpulsstrøm (10/350 µs) i alt: 4 kA
Linjetilslutning: RJ45-stik

fabrikat: DEHN
Type: DPA C8 D 4PPOE
artikelnr.: 929166
eller tilsvarende

Certificater

 

Tekniske data

Aflederklasse A
Max. driftsspænding DC (Uc ) 3,3 V
Max. driftsspænding DC par-par (PoE) (Uc ) 58 V
Mærkestrøm (IL ) 1,5 A
D1 lynstødstrøm (10/350 µs) per leder (Iimp ) 0,5 kA
C2 samlet mærkeafledestødstrøm (8/20 µs) (In ) 10 kA
Grænsefrekvens (fG ) 100 MHz
Tilslutning (indgang / udgang) RJ45-sokkel / RJ45-sokkel
Godkendelser UL 497B

Produkt 929166 blev tilføjet til notesblok.

Produkt 929166 blev lagt I kurven.


DEHNpatch Klasse D

Universel afleder til industrielt ethernet, strøm over ethernet (PoE++ / 4PPoE efter IEEE 802.3) og lignende anvendelser i strukturerede kabelføringer efter klasse D op til 100 MHz. Beskytter alle lederpar vha. kraftige gasgnistgab. Adapterudførelse med sokler til DIN-skinnemontage.

1 produkt

artikelnr. 929126 DPA M CLD RJ45B 48

GTIN 4013364242258, CCT (EU): 85363010, Bruttovægt: 102.00 g, VPE: 1.00 Pakkestørrelse


billeder

Yderligere information



fabrikat: DEHN
Type: DPA M CLD RJ45B 48
artikelnr.: 929126
eller tilsvarende

Certificater

 

Tekniske data

Aflederklasse U
Max. driftsspænding DC (Uc ) 48 V
Max. driftsspænding DC par-par (PoE) (Uc ) 57 V
Mærkestrøm (IL ) 1 A
D1 lynstødstrøm (10/350 µs) per leder (Iimp ) 0,5 kA
C2 samlet mærkeafledestødstrøm (8/20 µs) (In ) 10 kA
Grænsefrekvens (fG ) 100 MHz
Tilslutning (indgang / udgang) RJ45-sokkel / RJ45-sokkel
Godkendelser UL 497B

Produkt 929126 blev tilføjet til notesblok.

Produkt 929126 blev lagt I kurven.


back to top