Støtterør til HVI-langleder

Støtterør med indvendig endeafslutning og PA-fjederelement.

Med indfangerspids

Støtterør med indvendig endeafslutning og PA-fjederelement.
Indfangerspids af rustfrit stål, Ø10 mm, længde 1000 mm.

4 produkter

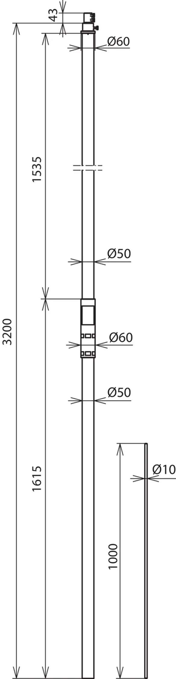
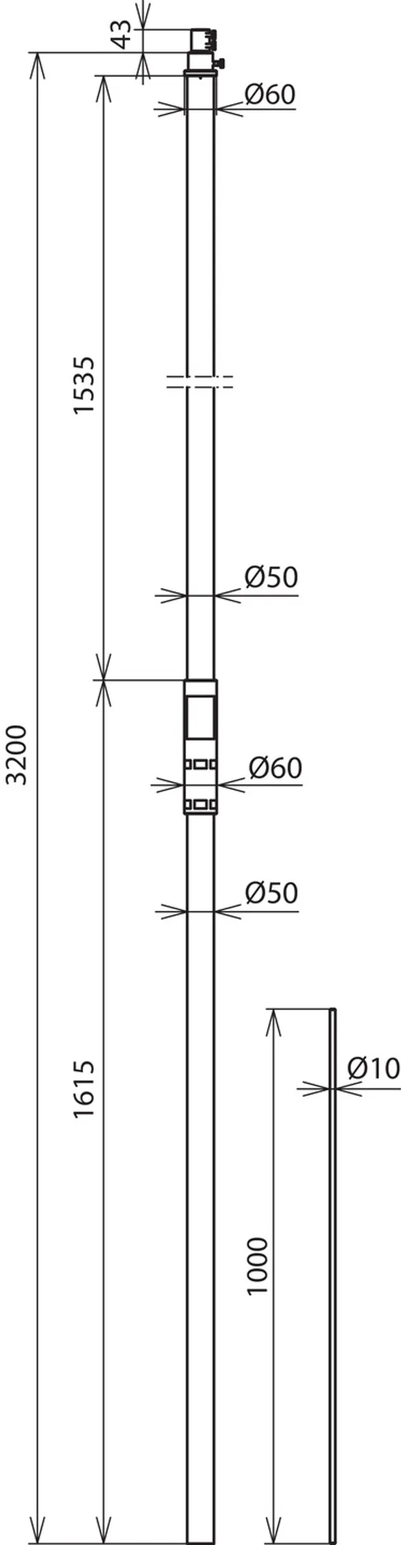
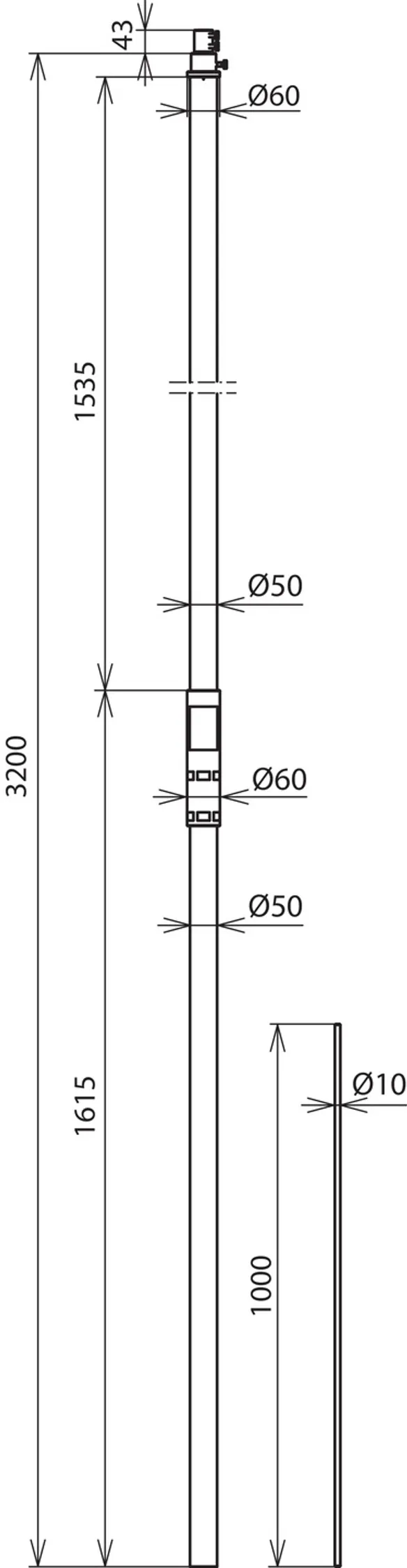
artikelnr. 105330 SR D50 3200 FSP1000 IP HVI GFK AL

GTIN 4013364152496, CCT (EU): 85389099, Bruttovægt: 5.60 kg, VPE: 1.00 Pakkestørrelse


billeder

Yderligere information

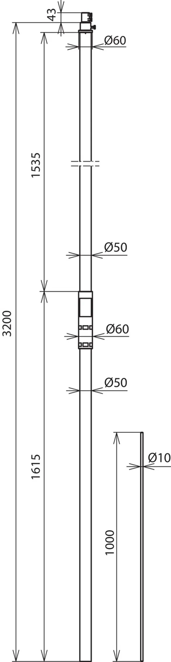
Støtterør til HVI long-leder med indfangerspids længde 3200 mm GFK/Al
Støtterør GFK/Al med indvendig endeafslutning
og potentialudligningsfjederelement til HVI long-lederen
til overholdelse af separationsafstanden til elektrisk
ledende dele iht. DIN EN 62305 (VDE 0185-305-3).
Støtterørene er dimensionerede iht.
Eurocode 1 (DIN EN 1991-1-4 + DIN EN 1991-1-4/NA) til en
en vindstyrke på maks. 237 km/t.
Isoleringsområde af glasfiberforstærket plast/GFK,
Materialefaktor km = 0,7
Farve: lysegrå, UV-stabiliseret, i ét stykke
kombineret med indfangerspids Ø 10 mm, længde 1000 mm af NIRO
Materiale (indfangerspids): Rustfrit
Længde (indfangerspids): 1000 mm
Materiale (støtterør): GFK / Al
Længde (støtterør): 3200 mm
Transportlængde: 3200 mm
Ydre diameter Ø: 50 mm
Isoleringslængde: 1535 mm
Max. frilængde med indfangerspids (vægmontage): 3500 mm
Maks. vindstyrke: (maks. frilængde 3500 mm, 1x HVI indvendigt) 237 km/t
Maks. vindstyrke : (maks. frilængde 3500 mm, 1x HVI udvendigt) 222 km/t
Maks. vindstyrke : (maks. frilængde 3500 mm, 4x HVI udvendigt) 194 km/t
Standarder: DIN IEC/TS 62561-8 (VDE V 0185-561-8)

fabrikat: DEHN
Type: SR D50 3200 FSP1000 IP HVI GFK AL
artikelnr.: 105330
eller tilsvarende

Certificater

 

Tekniske data

Materiale (indfangerspids) Rustfrit
Længde (indfangerspids) 1000 mm
Materiale (støtterør) GFK / Al
Længde (støtterør) 3200 mm
Transportlængde 3200 mm
Ydre diameter Ø 50 mm
Isoleringslængde 1535 mm
Max. frilængde med indfangerspids (vægmontage) 3500 mm
Standarder DIN IEC/TS 62561-8 (VDE V 0185-561-8)

Produkt 105330 blev tilføjet til notesblok.

Produkt 105330 blev lagt I kurven.

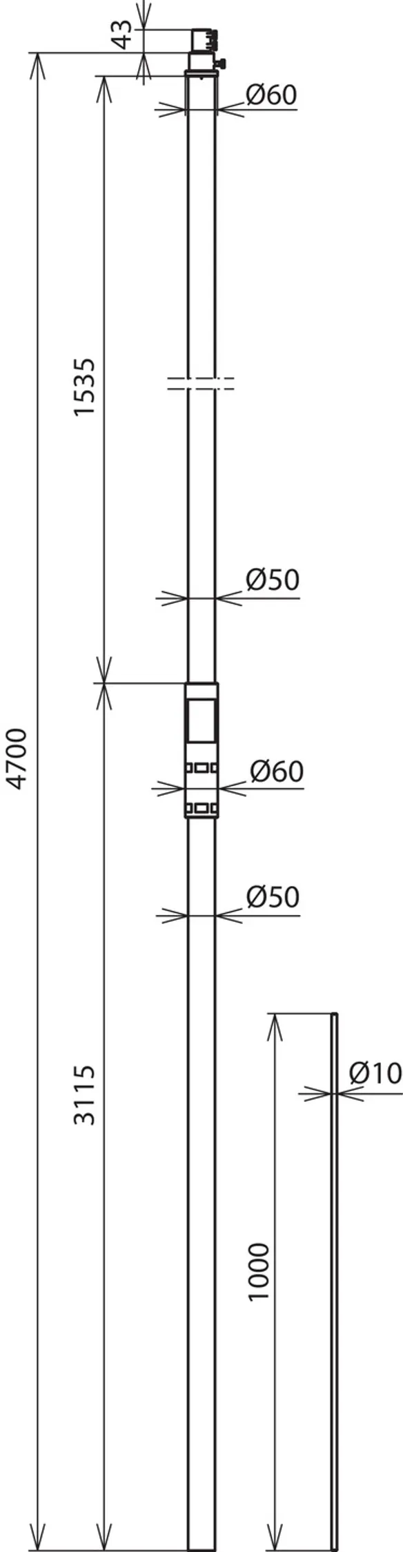
artikelnr. 105332 SR D50 4700 FSP1000 IP HVI GFK AL

GTIN 4013364152519, CCT (EU): 85389099, Bruttovægt: 8.25 kg, VPE: 1.00 Pakkestørrelse


billeder

Yderligere information

Støtterør til HVI long-leder med indfangerspids længde 4700 mm GFK/Al
Støtterør GFK/Al med indvendig endeafslutning
og potentialudligningsfjederelement til HVI long-lederen
til overholdelse af separationsafstanden til elektrisk
ledende dele iht. DIN EN 62305 (VDE 0185-305-3).
Støtterørene er dimensionerede iht.
Eurocode 1 (DIN EN 1991-1-4 + DIN EN 1991-1-4/NA) til en
en vindstyrke på maks. 237 km/t.
Isoleringsområde af glasfiberforstærket plast/GFK,
Materialefaktor km = 0,7
Farve: lysegrå, UV-stabiliseret, i ét stykke
kombineret med indfangerspids Ø 10 mm, længde 1000 mm af NIRO
Materiale (indfangerspids): Rustfrit
Længde (indfangerspids): 1000 mm
Materiale (støtterør): GFK / Al
Længde (støtterør): 4700 mm
Transportlængde: 4700 mm
Ydre diameter Ø: 50 mm
Isoleringslængde: 1535 mm
Max. frilængde med indfangerspids (vægmontage): 4000 mm
Maks. vindstyrke: (maks. frilængde 4000 mm, 1x HVI indvendigt) 237 km/t
Maks. vindstyrke : (maks. frilængde 4000 mm, 1x HVI udvendigt) 184 km/t
Maks. vindstyrke : (maks. frilængde 4000 mm, 4x HVI udvendigt) 149 km/t
Standarder: DIN IEC/TS 62561-8 (VDE V 0185-561-8)

fabrikat: DEHN
Type: SR D50 4700 FSP1000 IP HVI GFK AL
artikelnr.: 105332
eller tilsvarende

Certificater

 

Tekniske data

Materiale (indfangerspids) Rustfrit
Længde (indfangerspids) 1000 mm
Materiale (støtterør) GFK / Al
Længde (støtterør) 4700 mm
Transportlængde 4700 mm
Ydre diameter Ø 50 mm
Isoleringslængde 1535 mm
Max. frilængde med indfangerspids (vægmontage) 4000 mm
Standarder DIN IEC/TS 62561-8 (VDE V 0185-561-8)

Produkt 105332 blev tilføjet til notesblok.

Produkt 105332 blev lagt I kurven.

artikelnr. 105314 SR D50 3200 FSP1000 IP HVI GFK V2A

GTIN 4013364157781, CCT (EU): 85389099, Bruttovægt: 10.10 kg, VPE: 1.00 Pakkestørrelse


billeder

Yderligere information

Støtterør til HVI long-leder med indfangerspids længde 3200 mm GFK/NIRO
Støtterør GFK/NIRO med indvendig endeafslutning
og potentialudligningsfjederelement til HVI long-lederen
til overholdelse af separationsafstanden til elektrisk ledende dele
iht. DIN EN 62305 (VDE 0185-305-3).
Støtterørene er dimensionerede iht.
Eurocode 1 (DIN EN 1991-1-4 + DIN EN 1991-1-4/NA) til en
maks. vindstyrke på 231 km/t.
Isoleringsområde af glasfiberforstærket plast/GFK,
Materialefaktor km = 0,7
Farve: lysegrå, UV-stabiliseret, i ét stykke
kombineret med indfangerspids Ø 10 mm, længde 1000 mm af NIRO
Materiale (indfangerspids): Rustfrit
Længde (indfangerspids): 1000 mm
Materiale (støtterør): GFK / Rustfrit
Længde (støtterør): 3200 mm
Transportlængde: 3200 mm
Ydre diameter Ø: 50 mm
Isoleringslængde: 1535 mm
Max. frilængde med indfangerspids (vægmontage): 3500 mm
Maks. vindstyrke: (maks. frilængde 3500 mm, 1x HVI indvendigt) 231 km/t
Maks. vindstyrke : (maks. frilængde 3500 mm, 1x HVI udvendigt) 226 km/t
Maks. vindstyrke : (maks. frilængde 3500 mm, 4x HVI udvendigt) 197 km/t
Standarder: DIN IEC/TS 62561-8 (VDE V 0185-561-8)

fabrikat: DEHN
Type: SR D50 3200 FSP1000 IP HVI GFK V2A
artikelnr.: 105314
eller tilsvarende

Certificater

 

Tekniske data

Materiale (indfangerspids) Rustfrit
Længde (indfangerspids) 1000 mm
Materiale (støtterør) GFK / Rustfrit
Længde (støtterør) 3200 mm
Transportlængde 3200 mm
Ydre diameter Ø 50 mm
Isoleringslængde 1535 mm
Max. frilængde med indfangerspids (vægmontage) 3500 mm
Standarder DIN IEC/TS 62561-8 (VDE V 0185-561-8)

Produkt 105314 blev tilføjet til notesblok.

Produkt 105314 blev lagt I kurven.

artikelnr. 105316 SR D50 4700 FSP1000 IP HVI GFK V2A

GTIN 4013364157798, CCT (EU): 85389099, Bruttovægt: 15.60 kg, VPE: 1.00 Pakkestørrelse


billeder

Yderligere information

Støtterør til HVI long-leder med indfangerspids længde 4700 mm GFK/NIRO
Støtterør GFK/NIRO med indvendig endeafslutning
og potentialudligningsfjederelement til HVI long-lederen
til overholdelse af separationsafstanden til elektrisk
ledende dele iht. DIN EN 62305 (VDE 0185-305-3).
Støtterørene er dimensionerede iht.
Eurocode 1 (DIN EN 1991-1-4 + DIN EN 1991-1-4/NA) til en
maks. vindstyrke på 231 km/t.
Isoleringsområde af glasfiberforstærket plast/GFK,
Materialefaktor km = 0,7
Farve: lysegrå, UV-stabiliseret, i ét stykke
kombineret med indfangerspids Ø 10 mm, længde 1000 mm af NIRO
Materiale (indfangerspids): Rustfrit
Længde (indfangerspids): 1000 mm
Materiale (støtterør): GFK / Rustfrit
Længde (støtterør): 4700 mm
Transportlængde: 4700 mm
Ydre diameter Ø: 50 mm
Isoleringslængde: 1535 mm
Max. frilængde med indfangerspids (vægmontage): 4000 mm
Maks. vindstyrke: (maks. frilængde 4000 mm, 1x HVI indvendigt) 231 km/t
Maks. vindstyrke : (maks. frilængde 4000 mm, 1x HVI udvendigt) 186 km/t
Maks. vindstyrke : (maks. frilængde 4000 mm, 4x HVI udvendigt) 151 km/t
Standarder: DIN IEC/TS 62561-8 (VDE V 0185-561-8)

fabrikat: DEHN
Type: SR D50 4700 FSP1000 IP HVI GFK V2A
artikelnr.: 105316
eller tilsvarende

Certificater

 

Tekniske data

Materiale (indfangerspids) Rustfrit
Længde (indfangerspids) 1000 mm
Materiale (støtterør) GFK / Rustfrit
Længde (støtterør) 4700 mm
Transportlængde 4700 mm
Ydre diameter Ø 50 mm
Isoleringslængde 1535 mm
Max. frilængde med indfangerspids (vægmontage) 4000 mm
Standarder DIN IEC/TS 62561-8 (VDE V 0185-561-8)

Produkt 105316 blev tilføjet til notesblok.

Produkt 105316 blev lagt I kurven.


Med indfanger

Støtterør med indvendig endeafslutning og PA-fjederelement.
Indfanger Ø22 / 16 / 10 mm, længde 2500 mm.

4 produkter

artikelnr. 105331 SR D50 3200 FS22 2500 IP HVI GFK AL

GTIN 4013364152502, CCT (EU): 85389099, Bruttovægt: 6.12 kg, VPE: 1.00 Pakkestørrelse


billeder

Yderligere information

Støtterør til HVI long-leder med indfangerstang længde 3200 mm GFK/NIRO
Støtterør GFK/Al med indvendig endeafslutning
og potentialudligningsfjederelement til HVI long-lederen
til overholdelse af separationsafstanden til elektrisk
ledende dele iht. DIN EN 62305 (VDE 0185-305-3).
Støtterørene er dimensionerede iht.
Eurocode 1 (DIN EN 1991-1-4 + DIN EN 1991-1-4/NA) til en
vindstyrke på maks. 189 km/t.
Isoleringsområde af glasfiberforstærket plast/GFK,
Materialefaktor km = 0,7
Farve: lysegrå, UV-stabiliseret, i ét stykke
kombineret med indfangerspids Ø22/16/10 mm, længde 2500 mm af Al
Materiale (indfangerstang): Al
Længde (indfangerstang): 2500 mm
Materiale (støtterør): GFK / Al
Længde (støtterør): 3200 mm
Transportlængde: 3200 mm
Ydre diameter Ø: 50 mm
Isoleringslængde: 1535 mm
Max. frilængde med indfangerstang (vægmontage): 5000 mm
Maks. vindstyrke: (maks. frilængde 5000 mm, 1x HVI indvendigt) 189 km/t
Maks. vindstyrke : (maks. frilængde 5000 mm, 1x HVI udvendigt) 173 km/t
Maks. vindstyrke : (maks. frilængde 5000 mm, 4x HVI udvendigt) 151 km/t
Standarder: DIN IEC/TS 62561-8 (VDE V 0185-561-8)

fabrikat: DEHN
Type: SR D50 3200 FS22 2500 IP HVI GFK AL
artikelnr.: 105331
eller tilsvarende

Certificater

 

Tekniske data

Materiale (indfangerstang) Al
Længde (indfangerstang) 2500 mm
Materiale (støtterør) GFK / Al
Længde (støtterør) 3200 mm
Transportlængde 3200 mm
Ydre diameter Ø 50 mm
Isoleringslængde 1535 mm
Max. frilængde med indfangerstang (vægmontage) 5000 mm
Standarder DIN IEC/TS 62561-8 (VDE V 0185-561-8)

Produkt 105331 blev tilføjet til notesblok.

Produkt 105331 blev lagt I kurven.

artikelnr. 105333 SR D50 4700 FS22 2500 IP HVI GFK AL

GTIN 4013364152526, CCT (EU): 85389099, Bruttovægt: 8.51 kg, VPE: 1.00 Pakkestørrelse


billeder

Yderligere information

Støtterør til HVI long-leder med indfangerstang længde 4700 mm GFK/NIRO
Støtterør GFK/Al med indvendig endeafslutning
og potentialudligningsfjederelement til HVI long-lederen til overholdelse
af separationsafstanden til elektrisk
ledende dele iht. DIN EN 62305 (VDE 0185-305-3).
Støtterørene er dimensionerede iht.
Eurocode 1 (DIN EN 1991-1-4 + DIN EN 1991-1-4/NA) til en
en vindstyrke på maks. 184 km/t.
Isoleringsområde af glasfiberforstærket plast/GFK,
Materialefaktor km = 0,7
Farve: lysegrå, UV-stabiliseret, i ét stykke
kombineret med indfangerspids Ø22/16/10 mm, længde 2500 mm af Al
Materiale (indfangerstang): Al
Længde (indfangerstang): 2500 mm
Materiale (støtterør): GFK / Al
Længde (støtterør): 4700 mm
Transportlængde: 4700 mm
Ydre diameter Ø: 50 mm
Isoleringslængde: 1535 mm
Max. frilængde med indfangerstang (vægmontage): 5500 mm
Maks. vindstyrke: (maks. frilængde 5500 mm, 1x HVI indvendigt) 184 km/t
Maks. vindstyrke : (maks. frilængde 5500 mm, 1x HVI udvendigt) 149 km/t
Maks. vindstyrke : (maks. frilængde 5500 mm, 4x HVI udvendigt) 137 km/t
Standarder: DIN IEC/TS 62561-8 (VDE V 0185-561-8)

fabrikat: DEHN
Type: SR D50 4700 FS22 2500 IP HVI GFK AL
artikelnr.: 105333
eller tilsvarende

Certificater

 

Tekniske data

Materiale (indfangerstang) Al
Længde (indfangerstang) 2500 mm
Materiale (støtterør) GFK / Al
Længde (støtterør) 4700 mm
Transportlængde 4700 mm
Ydre diameter Ø 50 mm
Isoleringslængde 1535 mm
Max. frilængde med indfangerstang (vægmontage) 5500 mm
Standarder DIN IEC/TS 62561-8 (VDE V 0185-561-8)

Produkt 105333 blev tilføjet til notesblok.

Produkt 105333 blev lagt I kurven.

artikelnr. 105315 SR D50 3200 FS22 2500 IP HVI GFK V2A

GTIN 4013364157804, CCT (EU): 85389099, Bruttovægt: 12.00 kg, VPE: 1.00 Pakkestørrelse


billeder

Yderligere information

Støtterør til HVI long-leder med indfangerstang længde 3200 mm GFK/NIRO
Støtterør GFK/NIRO med indvendig endeafslutning
og potentialudligningsfjederelement til HVI long-lederen
til overholdelse af separationsafstanden til elektrisk
ledende dele iht. DIN EN 62305 (VDE 0185-305-3).
Støtterørene er dimensionerede iht.
Eurocode 1 (DIN EN 1991-1-4 + DIN EN 1991-1-4/NA) til en
en vindstyrke på maks. 186 km/t.
Isoleringsområde af glasfiberforstærket plast/GFK,
Materialefaktor km = 0,7
Farve: lysegrå, UV-stabiliseret, i ét stykke
kombineret med indfangerspids Ø22/16/10 mm, længde 2500 mm af NIRO
Materiale (indfangerstang): Rustfrit
Længde (indfangerstang): 2500 mm
Materiale (støtterør): GFK / Rustfrit
Længde (støtterør): 3200 mm
Transportlængde: 3200 mm
Ydre diameter Ø: 50 mm
Isoleringslængde: 1535 mm
Max. frilængde med indfangerstang (vægmontage): 5000 mm
Maks. vindstyrke: (maks. frilængde 5000 mm, 1x HVI indvendigt) 186 km/t
Maks. vindstyrke : (maks. frilængde 5000 mm, 1x HVI udvendigt) 169 km/t
Maks. vindstyrke : (maks. frilængde 5000 mm, 4x HVI udvendigt) 149 km/t
Standarder: DIN IEC/TS 62561-8 (VDE V 0185-561-8)

fabrikat: DEHN
Type: SR D50 3200 FS22 2500 IP HVI GFK V2A
artikelnr.: 105315
eller tilsvarende

 

Tekniske data

Materiale (indfangerstang) Rustfrit
Længde (indfangerstang) 2500 mm
Materiale (støtterør) GFK / Rustfrit
Længde (støtterør) 3200 mm
Transportlængde 3200 mm
Ydre diameter Ø 50 mm
Isoleringslængde 1535 mm
Max. frilængde med indfangerstang (vægmontage) 5000 mm
Standarder DIN IEC/TS 62561-8 (VDE V 0185-561-8)

Produkt 105315 blev tilføjet til notesblok.

Produkt 105315 blev lagt I kurven.

artikelnr. 105317 SR D50 4700 FS22 2500 IP HVI GFK V2A

GTIN 4013364157811, CCT (EU): 85389099, Bruttovægt: 17.12 kg, VPE: 1.00 Pakkestørrelse


billeder

Yderligere information

Støtterør til HVI long-leder med indfangerstang længde 4700 mm GFK/NIRO
Støtterør GFK/NIRO med indvendig endeafslutning
og potentialudligningsfjederelement til HVI long-lederen
til overholdelse af separationsafstanden til elektrisk
ledende dele iht. DIN EN 62305 (VDE 0185-305-3).
Støtterørene er dimensionerede iht.
Eurocode 1 (DIN EN 1991-1-4 + DIN EN 1991-1-4/NA) til en
en vindstyrke på maks. 185 km/t.
Isoleringsområde af glasfiberforstærket plast/GFK,
Materialefaktor km = 0,7
Farve: lysegrå, UV-stabiliseret, i ét stykke
kombineret med indfangerspids Ø22/16/10 mm, længde 2500 mm af NIRO
Materiale (indfangerstang): Rustfrit
Længde (indfangerstang): 2500 mm
Materiale (støtterør): GFK / Rustfrit
Længde (støtterør): 4700 mm
Transportlængde: 4700 mm
Ydre diameter Ø: 50 mm
Isoleringslængde: 1535 mm
Max. frilængde med indfangerstang (vægmontage): 5500 mm
Maks. vindstyrke: (maks. frilængde 5500 mm, 1x HVI indvendigt) 185 km/t
Maks. vindstyrke : (maks. frilængde 5500 mm, 1x HVI udvendigt) 149 km/t
Maks. vindstyrke : (maks. frilængde 5500 mm, 4x HVI udvendigt) 137 km/t
Standarder: DIN IEC/TS 62561-8 (VDE V 0185-561-8)

fabrikat: DEHN
Type: SR D50 4700 FS22 2500 IP HVI GFK V2A
artikelnr.: 105317
eller tilsvarende

 

Tekniske data

Materiale (indfangerstang) Rustfrit
Længde (indfangerstang) 2500 mm
Materiale (støtterør) GFK / Rustfrit
Længde (støtterør) 4700 mm
Transportlængde 4700 mm
Ydre diameter Ø 50 mm
Isoleringslængde 1535 mm
Max. frilængde med indfangerstang (vægmontage) 5500 mm
Standarder DIN IEC/TS 62561-8 (VDE V 0185-561-8)

Produkt 105317 blev tilføjet til notesblok.

Produkt 105317 blev lagt I kurven.


Med indfangerspids og sidelæns udløb

Støtterør med indvendig endeafslutning og PA-fjederelement.
Indfangerspids af rustfrit stål, Ø10 mm, længde 1000 mm.

4 produkter

artikelnr. 105325 SR D50 3200 FS1000 IP SA HVI GFK AL

GTIN 4013364157828, CCT (EU): 85389099, Bruttovægt: 5.42 kg, VPE: 1.00 Pakkestørrelse


billeder

Yderligere information

Støtterør til HVI long-leder med indfangerspids og sidelæns udløb
Støtterør GFK/Al med sidelæns udløb og indvendig endeafslutning
og potentialudligningsfjederelement til HVI long-lederen
til overholdelse af separationsafstanden til elektrisk
ledende dele iht. DIN EN 62305 (VDE 0185-305-3).
Støtterørene er dimensionerede iht.
Eurocode 1 (DIN EN 1991-1-4 + DIN EN 1991-1-4/NA).
Isoleringsområde af glasfiberforstærket plast/GFK,
Materialefaktor km = 0,7
Farve: lysegrå, UV-stabiliseret, i ét stykke
kombineret med indfangerspids Ø 10 mm, længde 1000 mm af NIRO
Materiale (indfangerspids): Rustfrit
Længde (indfangerspids): 1000 mm
Materiale (støtterør): GFK / Al
Længde (støtterør): 3200 mm
Transportlængde: 3200 mm
Ydre diameter Ø: 50 mm
Isoleringslængde: 1535 mm
Standarder: DIN IEC/TS 62561-8 (VDE V 0185-561-8)

fabrikat: DEHN
Type: SR D50 3200 FS1000 IP SA HVI GFK AL
artikelnr.: 105325
eller tilsvarende

Certificater

 

Tekniske data

Materiale (indfangerspids) Rustfrit
Længde (indfangerspids) 1000 mm
Materiale (støtterør) GFK / Al
Længde (støtterør) 3200 mm
Transportlængde 3200 mm
Ydre diameter Ø 50 mm
Isoleringslængde 1535 mm
Standarder DIN IEC/TS 62561-8 (VDE V 0185-561-8)

Produkt 105325 blev tilføjet til notesblok.

Produkt 105325 blev lagt I kurven.

artikelnr. 105327 SR D50 4700 FS1000 IP SA HVI GFK AL

GTIN 4013364157835, CCT (EU): 85389099, Bruttovægt: 8.15 kg, VPE: 1.00 Pakkestørrelse


billeder

Yderligere information

Støtterør til HVI long-leder med indfangerspids og sidelæns udløb
Støtterør GFK/Al med sidelæns udløb og indvendig endeafslutning
og potentialudligningsfjederelement til HVI long-lederen
til overholdelse af separationsafstanden til elektrisk
ledende dele iht. DIN EN 62305 (VDE 0185-305-3).
Støtterørene er dimensionerede iht.
Eurocode 1 (DIN EN 1991-1-4 + DIN EN 1991-1-4/NA).
Isoleringsområde af glasfiberforstærket plast/GFK,
Materialefaktor km = 0,7
Farve: lysegrå, UV-stabiliseret, i ét stykke
kombineret med indfangerspids Ø 10 mm, længde 1000 mm af NIRO
Materiale (indfangerspids): Rustfrit
Længde (indfangerspids): 1000 mm
Materiale (støtterør): GFK / Al
Længde (støtterør): 4700 mm
Transportlængde: 4700 mm
Ydre diameter Ø: 50 mm
Isoleringslængde: 1535 mm
Standarder: DIN IEC/TS 62561-8 (VDE V 0185-561-8)

fabrikat: DEHN
Type: SR D50 4700 FS1000 IP SA HVI GFK AL
artikelnr.: 105327
eller tilsvarende

 

Tekniske data

Materiale (indfangerspids) Rustfrit
Længde (indfangerspids) 1000 mm
Materiale (støtterør) GFK / Al
Længde (støtterør) 4700 mm
Transportlængde 4700 mm
Ydre diameter Ø 50 mm
Isoleringslængde 1535 mm
Standarder DIN IEC/TS 62561-8 (VDE V 0185-561-8)

Produkt 105327 blev tilføjet til notesblok.

Produkt 105327 blev lagt I kurven.

artikelnr. 105336 SR D50 3200 FS1000 IP SA HVI GFK V2A

GTIN 4013364157866, CCT (EU): 85389099, Bruttovægt: 9.90 kg, VPE: 1.00 Pakkestørrelse


billeder

Yderligere information

Støtterør til HVI long-leder med indfangerspids og sidelæns udløb
Støtterør GFK/NIRO med sidelæns udløb og indvendig endeafslutning
og potentialudligningsfjederelement til HVI long-lederen
til overholdelse af separationsafstanden til elektrisk
ledende dele iht. DIN EN 62305 (VDE 0185-305-3).
Støtterørene er dimensionerede iht.
Eurocode 1 (DIN EN 1991-1-4 + DIN EN 1991-1-4/NA).
Isoleringsområde af glasfiberforstærket plast/GFK,
Materialefaktor km = 0,7
Farve: lysegrå, UV-stabiliseret, i ét stykke
kombineret med indfangerspids Ø 10 mm, længde 1000 mm af NIRO
Materiale (indfangerspids): Rustfrit
Længde (indfangerspids): 1000 mm
Materiale (støtterør): GFK / Rustfrit
Længde (støtterør): 3200 mm
Transportlængde: 3200 mm
Ydre diameter Ø: 50 mm
Isoleringslængde: 1535 mm
Standarder: DIN IEC/TS 62561-8 (VDE V 0185-561-8)

fabrikat: DEHN
Type: SR D50 3200 FS1000 IP SA HVI GFK V2A
artikelnr.: 105336
eller tilsvarende

 

Tekniske data

Materiale (indfangerspids) Rustfrit
Længde (indfangerspids) 1000 mm
Materiale (støtterør) GFK / Rustfrit
Længde (støtterør) 3200 mm
Transportlængde 3200 mm
Ydre diameter Ø 50 mm
Isoleringslængde 1535 mm
Standarder DIN IEC/TS 62561-8 (VDE V 0185-561-8)

Produkt 105336 blev tilføjet til notesblok.

Produkt 105336 blev lagt I kurven.

artikelnr. 105338 SR D50 4700 FS1000 IP SA HVI GFK V2A

GTIN 4013364157873, CCT (EU): 85389099, Bruttovægt: 15.13 kg, VPE: 1.00 Pakkestørrelse


billeder

Yderligere information

Støtterør til HVI long-leder med indfangerspids og sidelæns udløb
Støtterør GFK/NIRO med sidelæns udløb og indvendig endeafslutning
og potentialudligningsfjederelement til HVI long-lederen
til overholdelse af separationsafstanden til elektrisk
ledende dele iht. DIN EN 62305 (VDE 0185-305-3).
Støtterørene er dimensionerede iht.
Eurocode 1 (DIN EN 1991-1-4 + DIN EN 1991-1-4/NA).
Isoleringsområde af glasfiberforstærket plast/GFK,
Materialefaktor km = 0,7
Farve: lysegrå, UV-stabiliseret, i ét stykke
kombineret med indfangerspids Ø 10 mm, længde 1000 mm af NIRO
Materiale (indfangerspids): Rustfrit
Længde (indfangerspids): 1000 mm
Materiale (støtterør): GFK / Rustfrit
Længde (støtterør): 4700 mm
Transportlængde: 4700 mm
Ydre diameter Ø: 50 mm
Isoleringslængde: 1535 mm
Standarder: DIN IEC/TS 62561-8 (VDE V 0185-561-8)

fabrikat: DEHN
Type: SR D50 4700 FS1000 IP SA HVI GFK V2A
artikelnr.: 105338
eller tilsvarende

 

Tekniske data

Materiale (indfangerspids) Rustfrit
Længde (indfangerspids) 1000 mm
Materiale (støtterør) GFK / Rustfrit
Længde (støtterør) 4700 mm
Transportlængde 4700 mm
Ydre diameter Ø 50 mm
Isoleringslængde 1535 mm
Standarder DIN IEC/TS 62561-8 (VDE V 0185-561-8)

Produkt 105338 blev tilføjet til notesblok.

Produkt 105338 blev lagt I kurven.


Med indfanger og sidelæns udløb

Støtterør med indvendig endeafslutning og PA-fjederelement.
Indfanger Ø22 / 16 / 10 mm, længde 2500 mm.

4 produkter

artikelnr. 105326 SR D50 3200 FS2500 IP SA HVI GFK AL

GTIN 4013364157842, CCT (EU): 85389099, Bruttovægt: 5.82 kg, VPE: 1.00 Pakkestørrelse


billeder

Yderligere information

Støtterør til HVI long-leder med indfangerstang og sidelæns udløb
Støtterør GFK/Al med sidelæns udløb og indvendig endeafslutning
og potentialudligningsfjederelement til HVI long-lederen
til overholdelse af separationsafstanden til elektrisk
ledende dele iht. DIN EN 62305 (VDE 0185-305-3).
Støtterørene er dimensionerede iht.
Eurocode 1 (DIN EN 1991-1-4 + DIN EN 1991-1-4/NA).
Isoleringsområde af glasfiberforstærket plast/GFK,
Materialefaktor km = 0,7
Farve: lysegrå, UV-stabiliseret, i ét stykke
kombineret med indfangerspids Ø22/16/10 mm, længde 2500 mm af Al
Materiale (indfangerstang): Al
Længde (indfangerstang): 2500 mm
Materiale (støtterør): GFK / Al
Længde (støtterør): 3200 mm
Transportlængde: 3200 mm
Ydre diameter Ø: 50 mm
Isoleringslængde: 1535 mm
Standarder: DIN IEC/TS 62561-8 (VDE V 0185-561-8)

fabrikat: DEHN
Type: SR D50 3200 FS2500 IP SA HVI GFK AL
artikelnr.: 105326
eller tilsvarende

 

Tekniske data

Materiale (indfangerstang) Al
Længde (indfangerstang) 2500 mm
Materiale (støtterør) GFK / Al
Længde (støtterør) 3200 mm
Transportlængde 3200 mm
Ydre diameter Ø 50 mm
Isoleringslængde 1535 mm
Standarder DIN IEC/TS 62561-8 (VDE V 0185-561-8)

Produkt 105326 blev tilføjet til notesblok.

Produkt 105326 blev lagt I kurven.

artikelnr. 105328 SR D50 4700 FS2500 IP SA HVI GFK AL

GTIN 4013364157859, CCT (EU): 85389099, Bruttovægt: 8.34 kg, VPE: 1.00 Pakkestørrelse


billeder

Yderligere information

Støtterør til HVI long-leder med indfangerstang og sidelæns udløb
Støtterør GFK/Al med sidelæns udløb og indvendig endeafslutning
og potentialudligningsfjederelement til HVI long-lederen
til overholdelse af separationsafstanden til elektrisk
ledende dele iht. DIN EN 62305 (VDE 0185-305-3).
Støtterørene er dimensionerede iht.
Eurocode 1 (DIN EN 1991-1-4 + DIN EN 1991-1-4/NA).
Isoleringsområde af glasfiberforstærket plast/GFK,
Materialefaktor km = 0,7
Farve: lysegrå, UV-stabiliseret, i ét stykke
kombineret med indfangerspids Ø22/16/10 mm, længde 2500 mm af Al
Materiale (indfangerstang): Al
Længde (indfangerstang): 2500 mm
Materiale (støtterør): GFK / Al
Længde (støtterør): 4700 mm
Transportlængde: 4700 mm
Ydre diameter Ø: 50 mm
Isoleringslængde: 1535 mm
Standarder: DIN IEC/TS 62561-8 (VDE V 0185-561-8)

fabrikat: DEHN
Type: SR D50 4700 FS2500 IP SA HVI GFK AL
artikelnr.: 105328
eller tilsvarende

 

Tekniske data

Materiale (indfangerstang) Al
Længde (indfangerstang) 2500 mm
Materiale (støtterør) GFK / Al
Længde (støtterør) 4700 mm
Transportlængde 4700 mm
Ydre diameter Ø 50 mm
Isoleringslængde 1535 mm
Standarder DIN IEC/TS 62561-8 (VDE V 0185-561-8)

Produkt 105328 blev tilføjet til notesblok.

Produkt 105328 blev lagt I kurven.

artikelnr. 105337 SR D50 3200 FS2500 IP SA HVI GFK V2A

GTIN 4013364157880, CCT (EU): 85389099, Bruttovægt: 11.64 kg, VPE: 1.00 Pakkestørrelse


billeder

Yderligere information

Støtterør til HVI long-leder med indfangerstang og sidelæns udløb
Støtterør GFK/NIRO med sidelæns udløb og indvendig endeafslutning
og potentialudligningsfjederelement til HVI long-lederen
til overholdelse af separationsafstanden til elektrisk
ledende dele iht. DIN EN 62305 (VDE 0185-305-3).
Støtterørene er dimensionerede iht.
Eurocode 1 (DIN EN 1991-1-4 + DIN EN 1991-1-4/NA).
Isoleringsområde af glasfiberforstærket plast/GFK,
Materialefaktor km = 0,7
Farve: lysegrå, UV-stabiliseret, i ét stykke
kombineret med indfangerspids Ø22/16/10 mm, længde 2500 mm af NIRO
Materiale (indfangerstang): Rustfrit
Længde (indfangerstang): 2500 mm
Materiale (støtterør): GFK / Rustfrit
Længde (støtterør): 3200 mm
Transportlængde: 3200 mm
Ydre diameter Ø: 50 mm
Isoleringslængde: 1535 mm
Standarder: DIN IEC/TS 62561-8 (VDE V 0185-561-8)

fabrikat: DEHN
Type: SR D50 3200 FS2500 IP SA HVI GFK V2A
artikelnr.: 105337
eller tilsvarende

 

Tekniske data

Materiale (indfangerstang) Rustfrit
Længde (indfangerstang) 2500 mm
Materiale (støtterør) GFK / Rustfrit
Længde (støtterør) 3200 mm
Transportlængde 3200 mm
Ydre diameter Ø 50 mm
Isoleringslængde 1535 mm
Standarder DIN IEC/TS 62561-8 (VDE V 0185-561-8)

Produkt 105337 blev tilføjet til notesblok.

Produkt 105337 blev lagt I kurven.

artikelnr. 105339 SR D50 4700 FS2500 IP SA HVI GFK V2A

GTIN 4013364157897, CCT (EU): 85389099, Bruttovægt: 16.90 kg, VPE: 1.00 Pakkestørrelse


billeder

Yderligere information

Støtterør til HVI long-leder med indfangerstang og sidelæns udløb
Støtterør GFK/NIRO med sidelæns udløb og indvendig endeafslutning
og potentialudligningsfjederelement til HVI long-lederen
til overholdelse af separationsafstanden til elektrisk
ledende dele iht. DIN EN 62305 (VDE 0185-305-3).
Støtterørene er dimensionerede iht.
Eurocode 1 (DIN EN 1991-1-4 + DIN EN 1991-1-4/NA).
Isoleringsområde af glasfiberforstærket plast/GFK,
Materialefaktor km = 0,7
Farve: lysegrå, UV-stabiliseret, i ét stykke
kombineret med indfangerspids Ø22/16/10 mm, længde 2500 mm af NIRO
Materiale (indfangerstang): Rustfrit
Længde (indfangerstang): 2500 mm
Materiale (støtterør): GFK / Rustfrit
Længde (støtterør): 4700 mm
Transportlængde: 4700 mm
Ydre diameter Ø: 50 mm
Isoleringslængde: 1535 mm
Standarder: DIN IEC/TS 62561-8 (VDE V 0185-561-8)

fabrikat: DEHN
Type: SR D50 4700 FS2500 IP SA HVI GFK V2A
artikelnr.: 105339
eller tilsvarende

 

Tekniske data

Materiale (indfangerstang) Rustfrit
Længde (indfangerstang) 2500 mm
Materiale (støtterør) GFK / Rustfrit
Længde (støtterør) 4700 mm
Transportlængde 4700 mm
Ydre diameter Ø 50 mm
Isoleringslængde 1535 mm
Standarder DIN IEC/TS 62561-8 (VDE V 0185-561-8)

Produkt 105339 blev tilføjet til notesblok.

Produkt 105339 blev lagt I kurven.


back to top