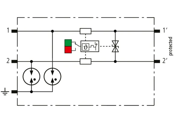
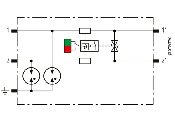
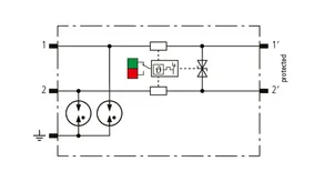
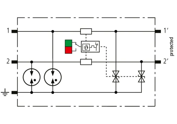
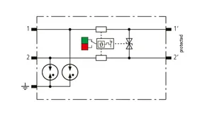
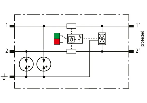
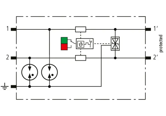
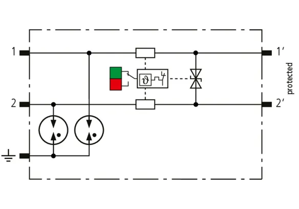
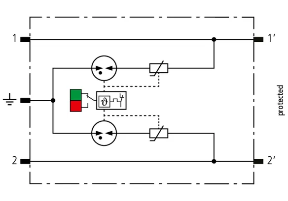
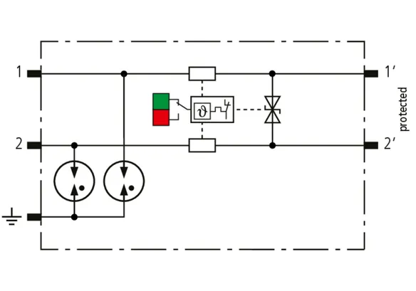
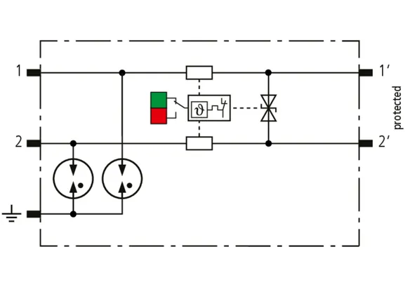
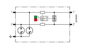
BLITZDUCTORconnect – Modular

Universel lynstrøms- og overspændingsafleder
  • Til beskyttelse af målekredse, bus- og telekommunikationssystemer
  • Høj samlet afledeevne på 3 kA (10/350 µs), 10 kA (8/20 µs)
  • Maks. stødstrømsbæreevne (8/20µs) Imax op til 20 kA
  • Lav restspænding, også egnet til beskyttelse af tilsluttede apparater
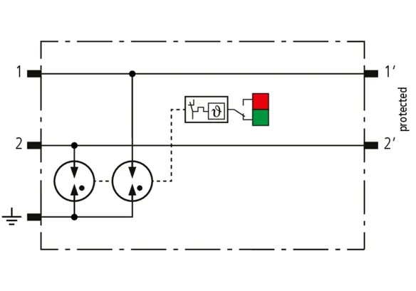
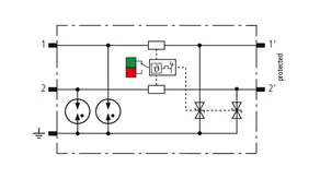
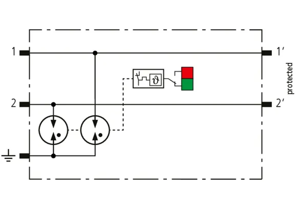
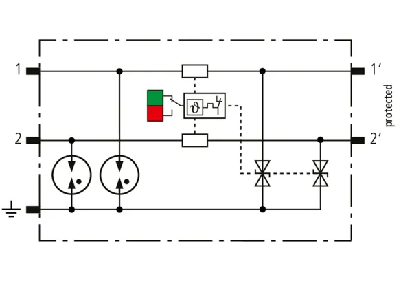
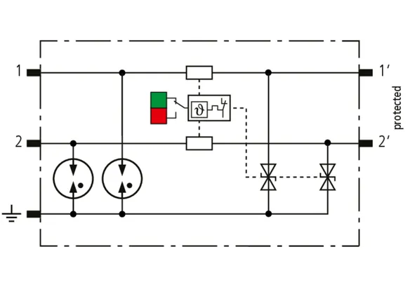
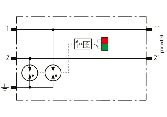
Afleder delbar i modul og basisdel
  • Hurtig og enkel ledertilslutning med push-in-tilslutningsteknik
  • Alle beskyttelseskomponenter integreret i modulet
  • secR-udløserknapper på begge sider giver sikker moduludskiftning
  • Høj tilgængelighed af anlægget med failsafe-system
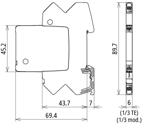
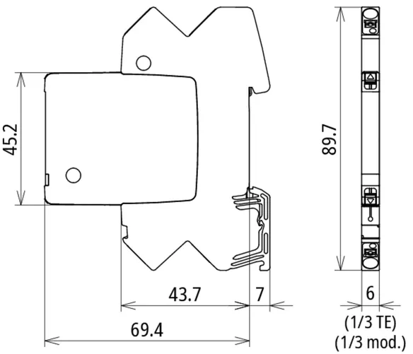
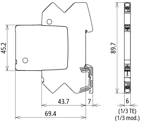
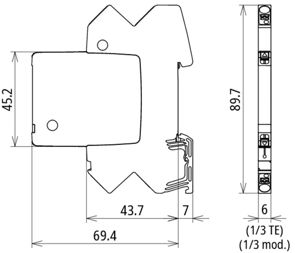
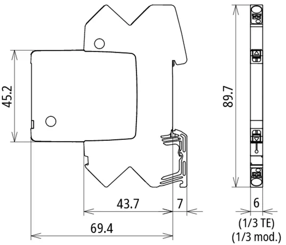
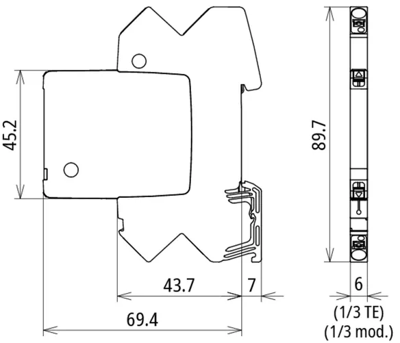
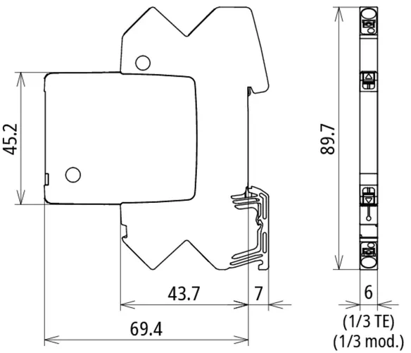
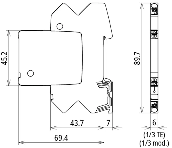
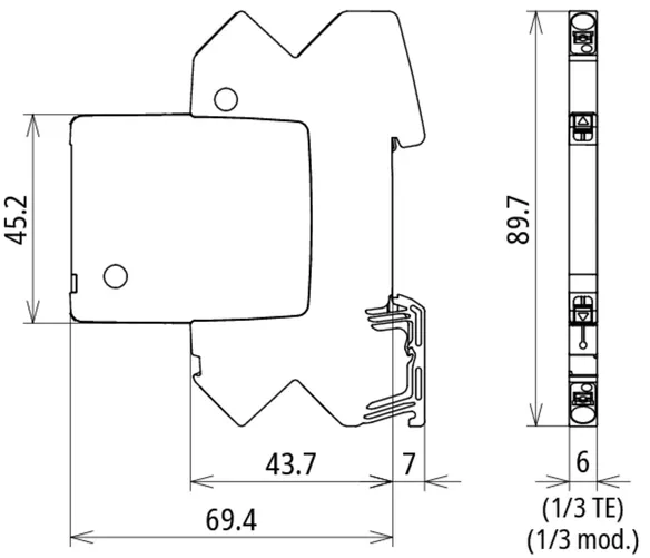
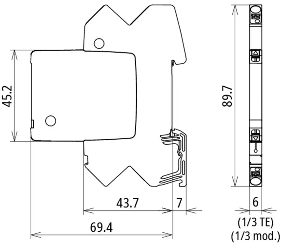
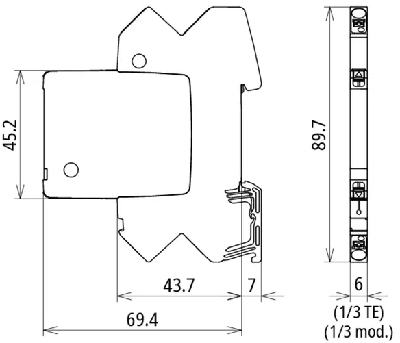
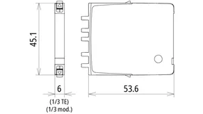
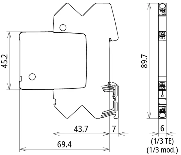
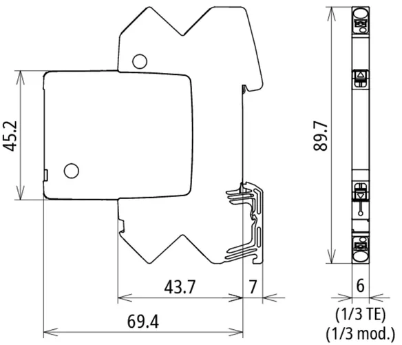
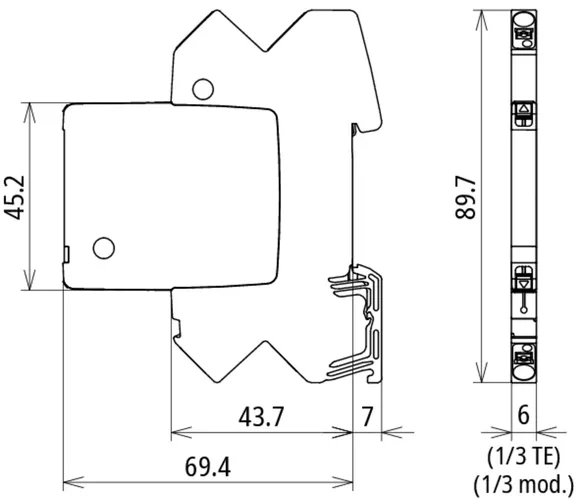
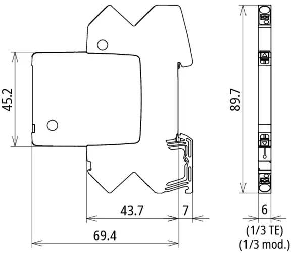
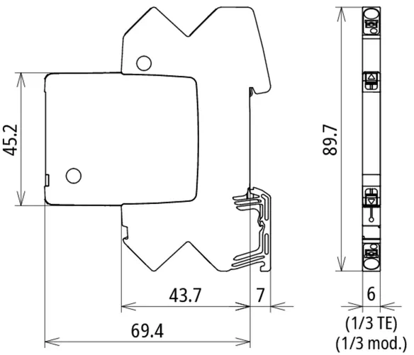
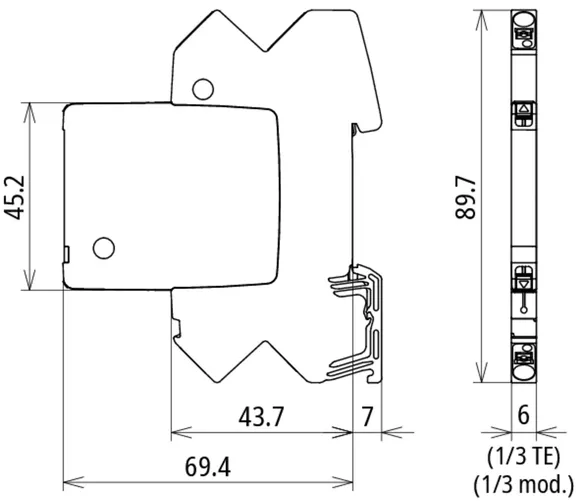
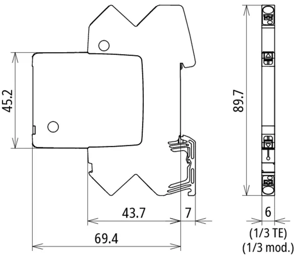
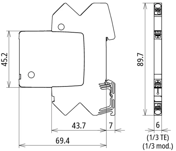
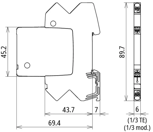
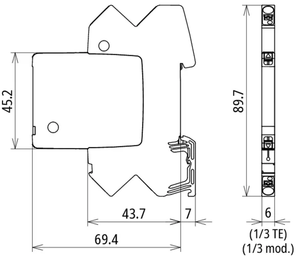
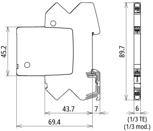
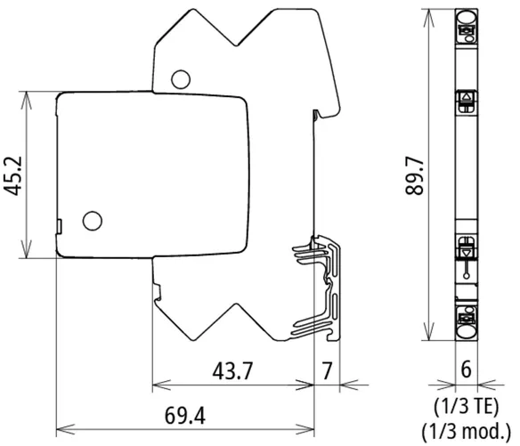
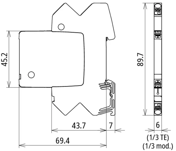
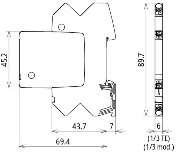
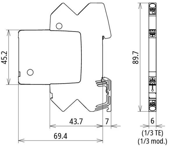
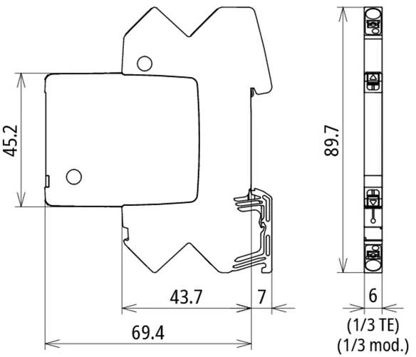
Funktionsoptimeret apparatdesign med en bredde på 6 mm
  • LifeCheck og optisk statusvisning integreret i modulet
  • Enkel fjernmelding af status på FM-enhed som tilvalg
  • Afbrydelse af signalkredsen uden brug af værktøj til vedligeholdelsesformål
  • Vibrations- og stødtestet til sikker drift

Details

Højeste systemtilgængelighed
Godkendt til indsats i egensikre målekredse
lorem ipsum
Connect = Protect
Enkel statusmelding med overvågningsenhed for hele afledergruppen
lorem ipsum
Hurtig test - med et øjekast
Indbygget markering til enkel og hurtig vedligeholdelse
lorem ipsum
Sikker lås – nøjagtig afkobling
secR-udløseknapper på begge sider for sikker håndtering
lorem ipsum

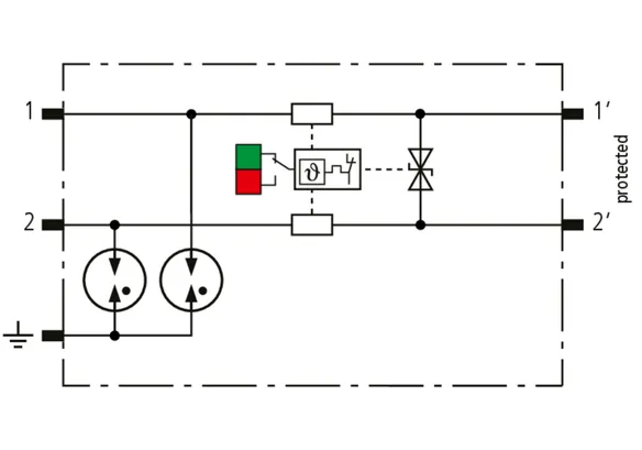
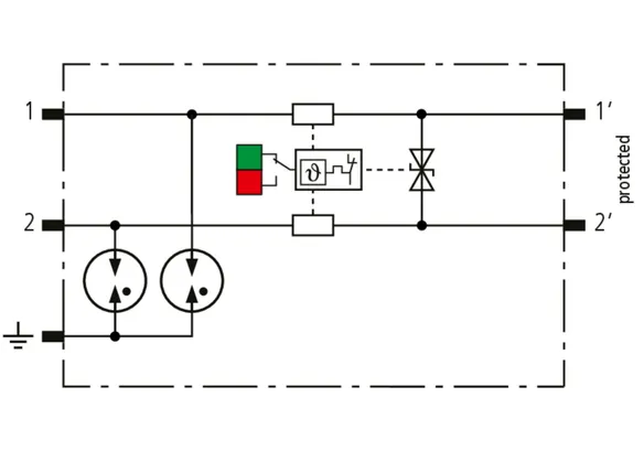
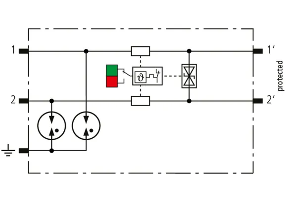
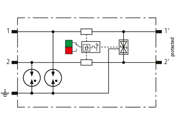
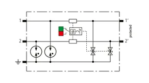
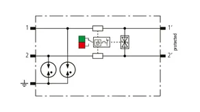
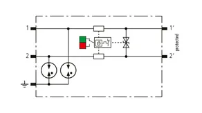
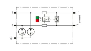
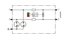
BCO ML2 B 180

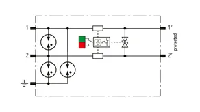
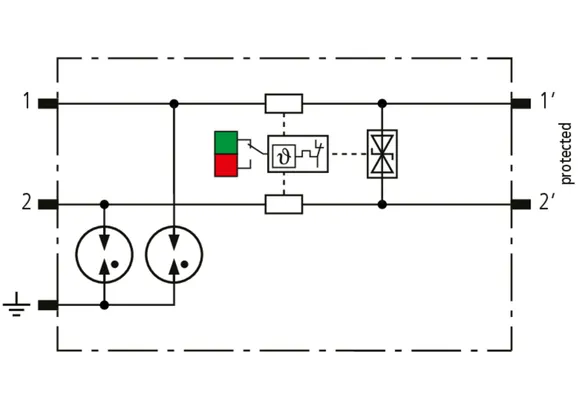
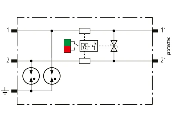
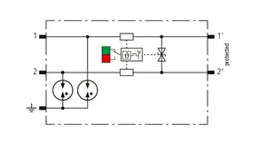
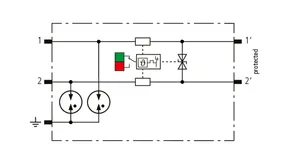
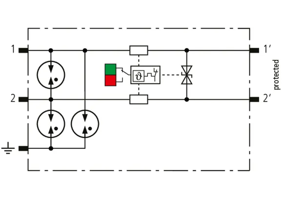
Pladsbesparende, modulær lynstrømsafleder med en bredde på 6 mm og push-in-tilslutningsteknik med funktions-/fejlvisning til beskyttelse af to enkeltledere til lynbeskyttelses-potentialudligning såvel som indirekte jording af skærmede kabler. Med skilleanordning til vedligeholdelsesarbejde.

1 produkt

artikelnr. 927210 BCO ML2 B 180

GTIN 4013364405585, CCT (EU): 85363010, Bruttovægt: 57.75 g, VPE: 1.00 Pakkestørrelse


billeder

Yderligere information

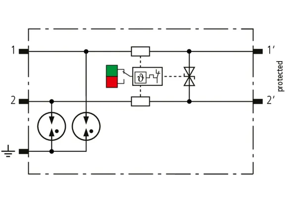
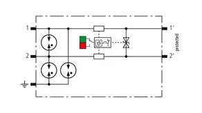
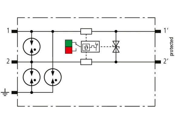
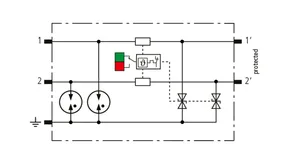
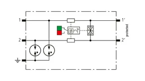
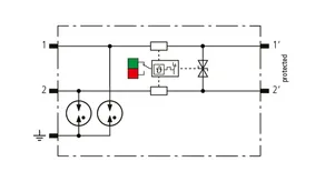
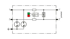
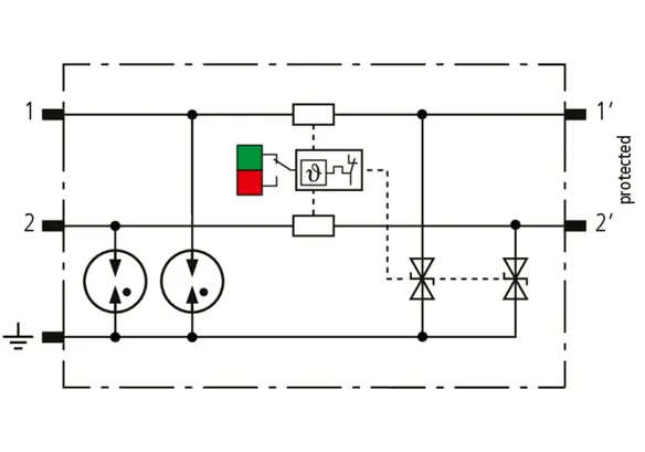
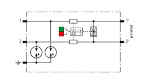
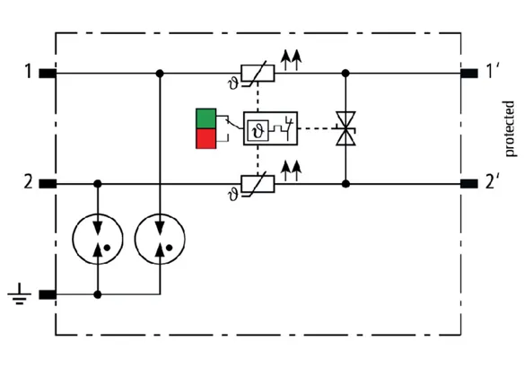
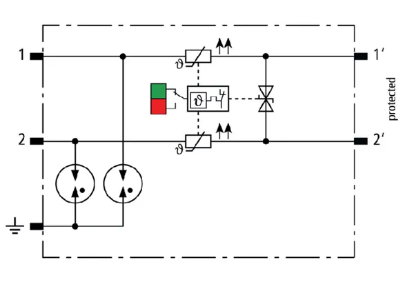
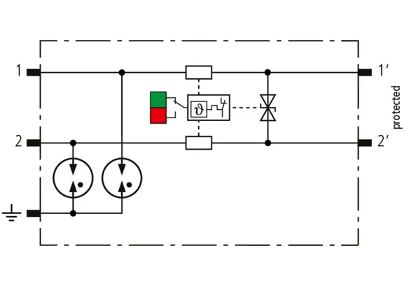
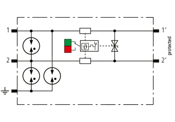
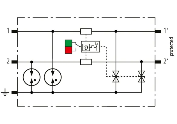
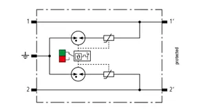
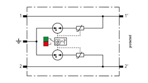
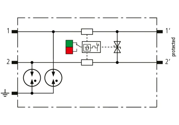
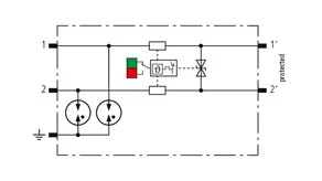
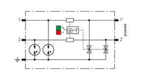
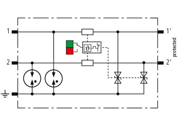
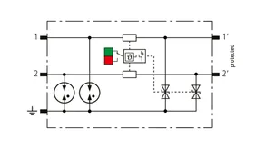
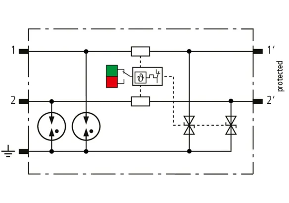
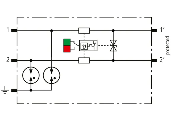
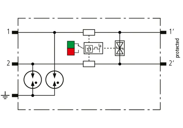
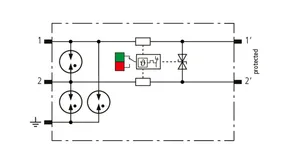
BLITZDUCTORconnect ML2 B 180 lynstrømsafleder
modulær, stikbar lynstrømsafleder
at beskytte 2 ledere til
lynbeskyttelsespotentialudligning og udførelse af
en indirekte jording af skærmede kabler
testet i henhold til EN/IEC 61643-21 og energetisk
koordineret i henhold til IEC 61643-22
Afleder Type 1
Impulskategori: C2, C3, B2, D1
Statusdisplay, bredde 6 mm
Højeste spænding: 180,0 V DC / 127,0 V AC
Mærkestrøm ved 80°C: 1,2 A
C2 nominel afladningsstrøm pr. kerne (8/20): 5 kA
C2 total afladningsstrøm nominel (8/20): 10 kA
D1 Lynimpulsstrøm (10/350 µs) pr. ledning: 1,5 kA
D1 Lynimpulsstrøm (10/350 µs) i alt: 3 kA
med signaladskillelse til vedligeholdelse
Ledertilslutning: push-in

fabrikat: DEHN
Type: BCO ML2 B 180
artikelnr.: 927210
eller tilsvarende

Certificater

 

Tekniske data

Aflederklasse A
Nominel spænding (UN ) 180 V
Max. driftsspænding DC (UC ) 180 V
D1 lynstødstrøm (10/350 µs) per leder (Iimp ) 1,5 kA
C2 samlet mærkeafledestødstrøm (8/20 µs) (In ) 10 kA
Serieimpedans per leder 0 ohm
Godkendelser UL 497B, CSA, ATEX, IECEx, CCC, SIL
*) Find yderligere oplysninger på www.dehn.de

Produkt 927210 blev tilføjet til notesblok.

Produkt 927210 blev lagt I kurven.


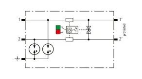
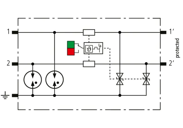
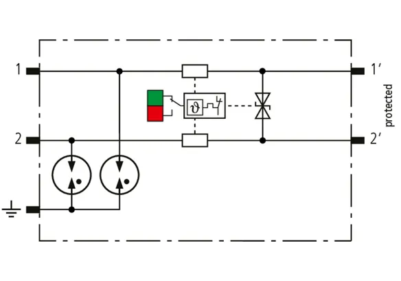
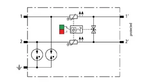
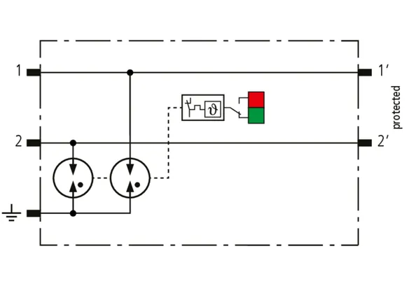
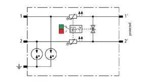
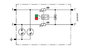
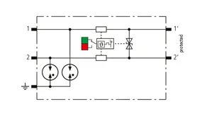
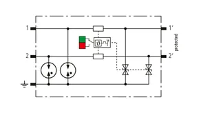
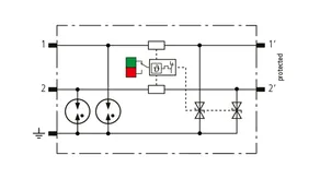
BCO ML2 BE

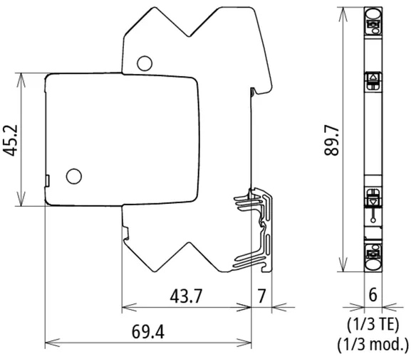
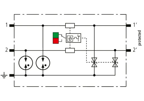
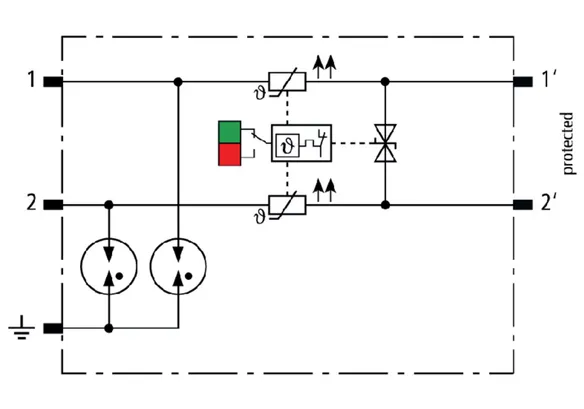
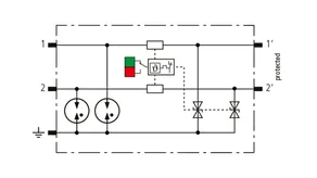
Pladsbesparende, modulær kombiafleder med en bredde på 6 mm og push-in-tilslutningsteknik med funktions-/fejlvisning til beskyttelse af to enkeltledere med samme referencepotentiale og ubalancerede snitlfader. Med skilleanordning til vedligeholdelsesarbejde.

4 produkter

artikelnr. 927222 BCO ML2 BE 12

GTIN 4013364405592, CCT (EU): 85363010, Bruttovægt: 59.19 g, VPE: 1.00 Pakkestørrelse

forrige

billeder

Yderligere information

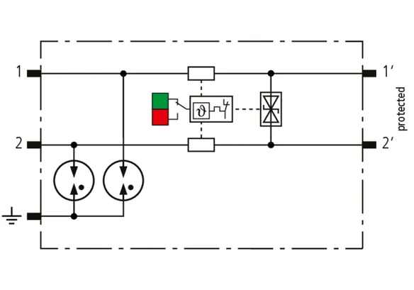
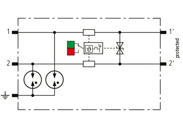
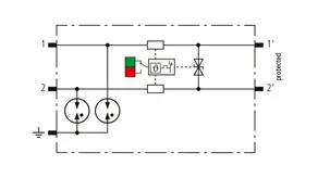
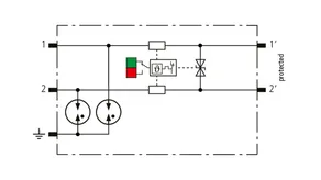
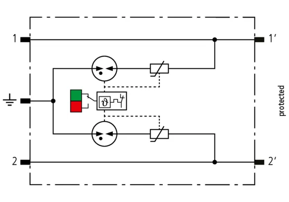
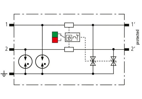
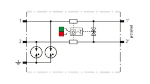
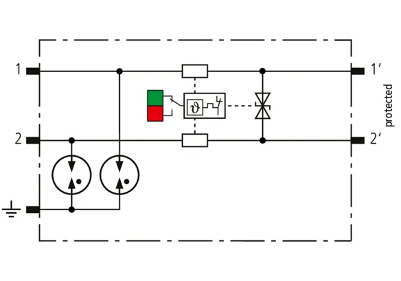
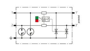
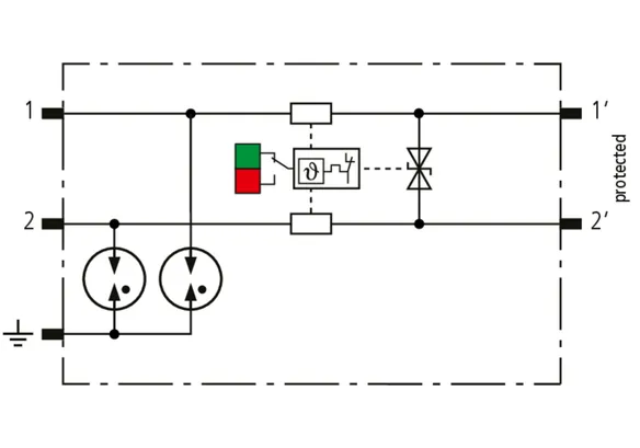
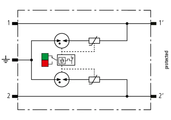
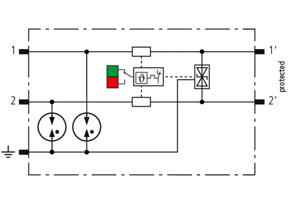
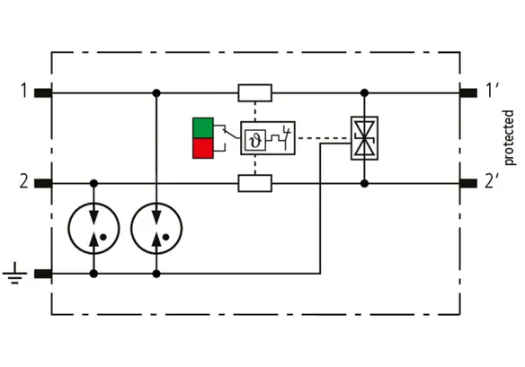
Kombiafleder BLITZDUCTORconnect ML2 BE 12
modulær, stikbar kombiafleder
at beskytte 2 ledere med fælles
referencepotentiale og asymmetriske grænseflader
testet i henhold til EN/IEC 61643-21 og energetisk
koordineret i henhold til IEC 61643-22
Aflederklasse Type 1 / P1
Impulskategori: C1, C2, C3, B2, D1
Statusdisplay, bredde 6 mm
Højeste kontinuerlige spænding: 15,0 V DC / 10,6 V AC
Mærkestrøm ved 70°C: 0,75 A
C2 nominel afladningsstrøm pr. kerne (8/20): 5 kA
C2 total afladningsstrøm nominel (8/20): 10 kA
D1 Lynimpulsstrøm (10/350 µs) pr. ledning: 1,5 kA
D1 Lynimpulsstrøm (10/350 µs) i alt: 3 kA
med signaladskillelse til vedligeholdelsesformål
Ledertilslutning: push-in

fabrikat: DEHN
Type: BCO ML2 BE 12
artikelnr.: 927222
eller tilsvarende

Certificater

 

Tekniske data

Aflederklasse M
Nominel spænding (UN ) 12 V
Max. driftsspænding DC (UC ) 15 V
Mærkestrøm ved 70 °C (IL ) 0,75 A
D1 lynstødstrøm (10/350 µs) per leder (Iimp ) 1,5 kA
C2 samlet mærkeafledestødstrøm (8/20 µs) (In ) 10 kA
Serieimpedans per leder 1 ohm
Grænsefrekvens leder-leder (fG ) 1,4 MHz
Godkendelser UL 479B, CSA, ATEX, IECEx, CCC, SIL
*) Find yderligere oplysninger på www.dehn.de

Produkt 927222 blev tilføjet til notesblok.

Produkt 927222 blev lagt I kurven.

artikelnr. 927224 BCO ML2 BE 24

GTIN 4013364405608, CCT (EU): 85363010, Bruttovægt: 59.68 g, VPE: 1.00 Pakkestørrelse

forrige

billeder

Yderligere information

Kombiafleder BLITZDUCTORconnect ML2 BE 24
modulær, stikbar kombiafleder
at beskytte 2 ledere med fælles
referencepotentiale og asymmetriske grænseflader
testet i henhold til EN/IEC 61643-21 og energetisk
koordineret i henhold til IEC 61643-22
Aflederklasse Type 1 / P1
Impulskategori: C1, C2, C3, B2, D1
Statusdisplay, bredde 6 mm
Højeste kontinuerlige spænding: 33,0 V DC / 23,3 V AC
Mærkestrøm ved 70°C: 0,75 A
C2 nominel afladningsstrøm pr. kerne (8/20): 5 kA
C2 total afladningsstrøm nominel (8/20): 10 kA
D1 Lynimpulsstrøm (10/350 µs) pr. ledning: 1,5 kA
D1 Lynimpulsstrøm (10/350 µs) i alt: 3 kA
med signaladskillelse til vedligeholdelsesformål
Ledertilslutning: push-in

fabrikat: DEHN
Type: BCO ML2 BE 24
artikelnr.: 927224
eller tilsvarende

Certificater

 

Tekniske data

Aflederklasse M
Nominel spænding (UN ) 24 V
Max. driftsspænding DC (UC ) 33 V
Mærkestrøm ved 70 °C (IL ) 0,75 A
D1 lynstødstrøm (10/350 µs) per leder (Iimp ) 1,5 kA
C2 samlet mærkeafledestødstrøm (8/20 µs) (In ) 10 kA
Serieimpedans per leder 1 ohm
Grænsefrekvens leder-leder (fG ) 3,4 MHz
Godkendelser UL 497B, CSA, ATEX, IECEx, CCC, SIL
*) Find yderligere oplysninger på www.dehn.de

Produkt 927224 blev tilføjet til notesblok.

Produkt 927224 blev lagt I kurven.

artikelnr. 927225 BCO ML2 BE 48

GTIN 4013364405615, CCT (EU): 85363010, Bruttovægt: 58.22 g, VPE: 1.00 Pakkestørrelse

forrige

billeder

Yderligere information

Kombiafleder BLITZDUCTORconnect ML2 BE 48
modulær, stikbar kombiafleder
at beskytte 2 ledere med fælles
referencepotentiale og asymmetriske grænseflader
testet i henhold til EN/IEC 61643-21 og energetisk
koordineret i henhold til IEC 61643-22
Aflederklasse Type 1 / P1
Impulskategori: C1, C2, C3, B2, D1
Statusdisplay, bredde 6 mm
Højeste kontinuerlige spænding: 54,0 V DC / 38,1 V AC
Mærkestrøm ved 70°C: 0,75 A
C2 nominel afladningsstrøm pr. kerne (8/20): 5 kA
C2 total afladningsstrøm nominel (8/20): 10 kA
D1 Lynimpulsstrøm (10/350 µs) pr. leder: 1,5 kA
D1 Lynimpulsstrøm (10/350 µs) i alt: 3 kA
med signaladskillelse til vedligeholdelsesformål
Ledertilslutning: push-in

fabrikat: DEHN
Type: BCO ML2 BE 48
artikelnr.: 927225
eller tilsvarende

Certificater

 

Tekniske data

Aflederklasse M
Nominel spænding (UN ) 48 V
Max. driftsspænding DC (UC ) 54 V
Mærkestrøm ved 70 °C (IL ) 0,75 A
D1 lynstødstrøm (10/350 µs) per leder (Iimp ) 1,5 kA
C2 samlet mærkeafledestødstrøm (8/20 µs) (In ) 10 kA
Serieimpedans per leder 1 ohm
Grænsefrekvens leder-leder (fG ) 5 MHz
Godkendelser UL 497B, CSA, ATEX, IECEx, CCC, SIL
*) Find yderligere oplysninger på www.dehn.de

Produkt 927225 blev tilføjet til notesblok.

Produkt 927225 blev lagt I kurven.

artikelnr. 927227 BCO ML2 BE 180

GTIN 4013364468658, CCT (EU): 85363010, Bruttovægt: 58.85 g, VPE: 1.00 Pakkestørrelse

forrige

billeder

Yderligere information

Kombiafleder BLITZDUCTORconnect ML2 BE 180
modulær, stikbar kombiafleder
at beskytte 2 ledere med fælles
referencepotentiale og asymmetriske grænseflader
testet i henhold til EN/IEC 61643-21 og energetisk
koordineret i henhold til IEC 61643-22
Aflederklasse Type 1 / P1
Impulskategori: C1, C2, C3, B2, D1
Statusdisplay, bredde 6 mm
Højeste kontinuerlige spænding: 180 V DC / 127 V AC
Mærkestrøm ved 70°C: 0,5 A
C2 nominel afladningsstrøm pr. kerne (8/20): 5 kA
C2 total afladningsstrøm nominel (8/20): 10 kA
D1 Lynimpulsstrøm (10/350 µs) pr. leder: 1,5 kA
D1 Lynimpulsstrøm (10/350 µs) i alt: 3 kA
med signaladskillelse til vedligeholdelsesformål
Ledertilslutning: push-in

fabrikat: DEHN
Type: BCO ML2 BE 180
artikelnr.: 927227
eller tilsvarende

Certificater

 

Tekniske data

Aflederklasse M
Nominel spænding (UN ) 180 V
Max. driftsspænding DC (UC ) 180 V
Mærkestrøm ved 70 °C (IL ) 0,5 A
D1 lynstødstrøm (10/350 µs) per leder (Iimp ) 1,5 kA
C2 samlet mærkeafledestødstrøm (8/20 µs) (In ) 10 kA
Serieimpedans per leder 1,8 ohm
Grænsefrekvens leder-leder (fG ) 10 MHz
Godkendelser UL 497B, SIL
*) Find yderligere oplysninger på www.dehn.de

Produkt 927227 blev tilføjet til notesblok.

Produkt 927227 blev lagt I kurven.


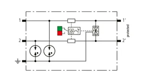
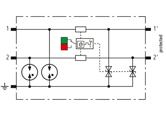
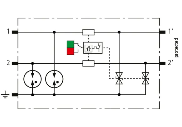
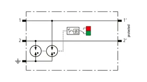
BCO ML2 BD

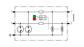
Pladsbesparende, modulær kombiafleder med en bredde på 6 mm og push-in-tilslutningsteknik med funktions-/fejlvisning til beskyttelse af et lederpar med balancerede snitlfader. Med skilleanordning til vedligeholdelsesarbejde.

4 produkter

artikelnr. 927242 BCO ML2 BD 12

GTIN 4013364405622, CCT (EU): 85363010, Bruttovægt: 58.35 g, VPE: 1.00 Pakkestørrelse

forrige

billeder

Yderligere information

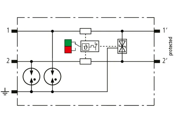
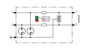
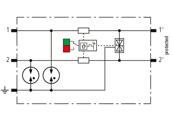
Kombiafleder BLITZDUCTORconnect ML2 BD 12
modulær, stikbar kombiafleder
at beskytte et jordpotentialfrit lederpar og asymmetriske grænseflader
testet i henhold til EN/IEC 61643-21 og energetisk
koordineret i henhold til IEC 61643-22
Aflederklasse Type 1 / P1
Impulskategori: C1, C2, C3, B2, D1
Statusdisplay, bredde 6 mm
Højeste kontinuerlige spænding: 15,0 V DC / 10,6 V AC
Mærkestrøm ved 70°C: 0,75 A
C2 nominel afladningsstrøm pr. kerne (8/20): 5 kA
C2 total afladningsstrøm nominel (8/20): 10 kA
D1 Lynimpulsstrøm (10/350 µs) pr. ledning: 1,5 kA
D1 Lynimpulsstrøm (10/350 µs) i alt: 3 kA
med signaladskillelse til vedligeholdelsesformål
Ledertilslutning: push-in

fabrikat: DEHN
Type: BCO ML2 BD 12
artikelnr.: 927242
eller tilsvarende

Certificater

 

Tekniske data

Aflederklasse L
Nominel spænding (UN ) 12 V
Max. driftsspænding DC (UC ) 15 V
Mærkestrøm ved 70 °C (IL ) 0,75 A
D1 lynstødstrøm (10/350 µs) per leder (Iimp ) 1,5 kA
C2 samlet mærkeafledestødstrøm (8/20 µs) (In ) 10 kA
Serieimpedans per leder 1 ohm
Grænsefrekvens leder-leder (fG ) 2,6 MHz
Godkendelser UL 497B, CSA, ATEX, IECEx, CCC, SIL
*) Find yderligere oplysninger på www.dehn.de

Produkt 927242 blev tilføjet til notesblok.

Produkt 927242 blev lagt I kurven.

artikelnr. 927244 BCO ML2 BD 24

GTIN 4013364405639, CCT (EU): 85363010, Bruttovægt: 58.64 g, VPE: 1.00 Pakkestørrelse

forrige

billeder

Yderligere information

Kombiafleder BLITZDUCTORconnect ML2 BD 24
modulær, stikbar kombiafleder
at beskytte et jordpotentialfrit lederpar og symmetriske grænseflader
testet i henhold til EN/IEC 61643-21 og energetisk
koordineret i henhold til IEC 61643-22
Aflederklasse Type 1 / P1
Impulskategori: C1, C2, C3, B2, D1
Statusdisplay, bredde 6 mm
Højeste kontinuerlige spænding: 36,0 V DC / 25,4 V AC
Mærkestrøm ved 70°C: 0,75 A
C2 nominel afladningsstrøm pr. kerne (8/20): 5 kA
C2 total afladningsstrøm nominel (8/20): 10 kA
D1 Lynimpulsstrøm (10/350 µs) pr. ledning: 1,5 kA
D1 Lynimpulsstrøm (10/350 µs) i alt: 3 kA
med signaladskillelse til vedligeholdelsesformål
Ledertilslutning: push-in

fabrikat: DEHN
Type: BCO ML2 BD 24
artikelnr.: 927244
eller tilsvarende

Certificater

 

Tekniske data

Aflederklasse L
Nominel spænding (UN ) 24 V
Max. driftsspænding DC (UC ) 36 V
Mærkestrøm ved 70 °C (IL ) 0,75 A
D1 lynstødstrøm (10/350 µs) per leder (Iimp ) 1,5 kA
C2 samlet mærkeafledestødstrøm (8/20 µs) (In ) 10 kA
Serieimpedans per leder 1 ohm
Grænsefrekvens leder-leder (fG ) 5,8 MHz
Godkendelser UL 497B, CSA, ATEX, IECEx, CCC, SIL
*) Find yderligere oplysninger på www.dehn.de

Produkt 927244 blev tilføjet til notesblok.

Produkt 927244 blev lagt I kurven.

artikelnr. 927245 BCO ML2 BD 48

GTIN 4013364405646, CCT (EU): 85363010, Bruttovægt: 58.49 g, VPE: 1.00 Pakkestørrelse

forrige

billeder

Yderligere information

Kombiafleder BLITZDUCTORconnect ML2 BD 48
modulær, stikbar kombiafleder
at beskytte et jordpotentialfrit lederpar og symmetriske grænseflader
testet i henhold til EN/IEC 61643-21 og energetisk
koordineret i henhold til IEC 61643-22
Aflederklasse Type 1 / P1
Impulskategori: C1, C2, C3, B2, D1
Statusdisplay, bredde 6 mm
Højeste kontinuerlige spænding: 56,0 V DC / 39,6 V AC
Mærkestrøm ved 70°C: 0,75 A
C2 nominel afladningsstrøm pr. kerne (8/20): 5 kA
C2 total afladningsstrøm nominel (8/20): 10 kA
D1 Lynimpulsstrøm (10/350 µs) pr. ledning: 1,5 kA
D1 Lynimpulsstrøm (10/350 µs) i alt: 3 kA
med signaladskillelse til vedligeholdelsesformål
Ledertilslutning: push-in

fabrikat: DEHN
Type: BCO ML2 BD 48
artikelnr.: 927245
eller tilsvarende

Certificater

 

Tekniske data

Aflederklasse L
Nominel spænding (UN ) 48 V
Max. driftsspænding DC (UC ) 56 V
Mærkestrøm ved 70 °C (IL ) 0,75 A
D1 lynstødstrøm (10/350 µs) per leder (Iimp ) 1,5 kA
C2 samlet mærkeafledestødstrøm (8/20 µs) (In ) 10 kA
Serieimpedans per leder 1 ohm
Grænsefrekvens leder-leder (fG ) 7,2 MHz
Godkendelser UL 497B, CSA, ATEX, IECEx, CCC, SIL
*) Find yderligere oplysninger på www.dehn.de

Produkt 927245 blev tilføjet til notesblok.

Produkt 927245 blev lagt I kurven.

artikelnr. 927247 BCO ML2 BD 180

GTIN 4013364468665, CCT (EU): 85363010, Bruttovægt: 58.92 g, VPE: 1.00 Pakkestørrelse

forrige

billeder

Yderligere information

Kombiafleder BLITZDUCTORconnect ML2 BD 180
modulær, stikbar kombiafleder
at beskytte et jordpotentialfrit lederpar og symmetriske grænseflader
testet i henhold til EN/IEC 61643-21 og energetisk
koordineret i henhold til IEC 61643-22
Aflederklasse Type 1 / P1
Impulskategori: C1, C2, C3, B2, D1
Statusdisplay, bredde 6 mm
Højeste kontinuerlige spænding: 180,0 V DC / 127 V AC
Mærkestrøm ved 70°C: 0,75 A
C2 nominel afladningsstrøm pr. kerne (8/20): 5 kA
C2 total afladningsstrøm nominel (8/20): 10 kA
D1 Lynimpulsstrøm (10/350 µs) pr. ledning: 1,5 kA
D1 Lynimpulsstrøm (10/350 µs) i alt: 3 kA
med signaladskillelse til vedligeholdelsesformål
Ledertilslutning: push-in

fabrikat: DEHN
Type: BCO ML2 BD 180
artikelnr.: 927247
eller tilsvarende

Certificater

 

Tekniske data

Aflederklasse L
Nominel spænding (UN ) 180 V
Max. driftsspænding DC (UC ) 180 V
Mærkestrøm ved 70 °C (IL ) 0,5 A
D1 lynstødstrøm (10/350 µs) per leder (Iimp ) 1,5 kA
C2 samlet mærkeafledestødstrøm (8/20 µs) (In ) 10 kA
Serieimpedans per leder 1,8 ohm
Grænsefrekvens leder-leder (fG ) 10 MHz
Godkendelser UL 497B, SIL
*) Find yderligere oplysninger på www.dehn.de

Produkt 927247 blev tilføjet til notesblok.

Produkt 927247 blev lagt I kurven.


BCO ML2 BE HF

Pladsbesparende, modulær kombiafleder med en bredde på 6 mm og push-in-tilslutningsteknik med funktions-/fejlvisning til beskyttelse af to enkeltledere med fælles referencepotentiale samt højfrekvente transmissioner og ubalancerede snitlfader. Med skilleanordning til vedligeholdelsesarbejde.

2 produkter

artikelnr. 927270 BCO ML2 BE HF 5

GTIN 4013364405653, CCT (EU): 85363010, Bruttovægt: 58.57 g, VPE: 1.00 Pakkestørrelse

forrige

billeder

Yderligere information

Kombiafleder BLITZDUCTORconnect ML2 BE HF 5
modulær, stikbar kombiafleder
Til beskyttelse af to enkeltledere
med fælles referencepotentiale
samt højfrekvente transmissioner og ubalancerede snitlfader
testet i henhold til EN/IEC 61643-21 og energisk
koordineret i henhold til IEC 61643-22
Arrester klasse Type 1 / P1
Impulskategori: C1, C2, C3, B2, D1
Statusdisplay, bredde 6 mm
Højeste kontinuerlige spænding: 8,5 V DC / 6,0 V AC
Mærkestrøm ved 70°C: 0,75 A
Afskæringsfrekvens 100 MHz
C2 nominel afladningsstrøm pr. kerne (8/20): 5 kA
C2 total afladningsstrøm nominel (8/20): 10 kA
D1 Lynimpulsstrøm (10/350 µs) pr. ledning: 1,5 kA
D1 Lynimpulsstrøm (10/350 µs) i alt: 3 kA
med signaladskillelse til vedligeholdelsesformål
Ledertilslutning: push-in

fabrikat: DEHN
Type: BCO ML2 BE HF 5
artikelnr.: 927270
eller tilsvarende

Certificater

 

Tekniske data

Aflederklasse M
Nominel spænding (UN ) 5 V
Max. driftsspænding DC (UC ) 8,5 V
Mærkestrøm ved 70 °C (IL ) 0,75 A
D1 lynstødstrøm (10/350 µs) per leder (Iimp ) 1,5 kA
C2 samlet mærkeafledestødstrøm (8/20 µs) (In ) 10 kA
Serieimpedans per leder 1 ohm
Godkendelser UL 497B, CSA, ATEX, IECEx, CCC, SIL
*) Find yderligere oplysninger på www.dehn.de

Produkt 927270 blev tilføjet til notesblok.

Produkt 927270 blev lagt I kurven.

artikelnr. 927274 BCO ML2 BE HF 24

GTIN 4013364468559, CCT (EU): 85363010, Bruttovægt: 58.30 g, VPE: 1.00 Pakkestørrelse


billeder

Yderligere information

Kombiafleder BLITZDUCTORconnect ML2 BE HF 24
modulær, stikbar kombiafleder
Til beskyttelse af to enkeltledere
med fælles referencepotentiale
samt højfrekvente transmissioner og ubalancerede snitlfader
testet i henhold til EN/IEC 61643-21 og energisk
koordineret i henhold til IEC 61643-22
Arrester klasse Type 1 / P1
Impulskategori: C1, C2, C3, B2, D1
Statusdisplay, bredde 6 mm
Højeste kontinuerlige spænding: 36 V DC / 25,4 V AC
Mærkestrøm ved 70°C: 0,75 A
Afskæringsfrekvens 100 MHz
C2 nominel afladningsstrøm pr. kerne (8/20): 5 kA
C2 total afladningsstrøm nominel (8/20): 10 kA
D1 Lynimpulsstrøm (10/350 µs) pr. ledning: 1,5 kA
D1 Lynimpulsstrøm (10/350 µs) i alt: 3 kA
med signaladskillelse til vedligeholdelsesformål
Ledertilslutning: push-in

fabrikat: DEHN
Type: BCO ML2 BE HF 24
artikelnr.: 927274
eller tilsvarende

Certificater

 

Tekniske data

Aflederklasse M
Nominel spænding (UN ) 24 V
Max. driftsspænding DC (UC ) 36 V
Mærkestrøm ved 70 °C (IL ) 0,75 A
D1 lynstødstrøm (10/350 µs) per leder (Iimp ) 1,5 kA
C2 samlet mærkeafledestødstrøm (8/20 µs) (In ) 10 kA
Serieimpedans per leder 1 ohm
Godkendelser UL 497B, SIL
*) Find yderligere oplysninger på www.dehn.de

Produkt 927274 blev tilføjet til notesblok.

Produkt 927274 blev lagt I kurven.


BCO ML2 BD HF

Pladsbesparende, modulær kombiafleder, 6 mm bred, med push-in-tilslutningsteknologi og statusvisning til beskyttelse af 1 lederpar på jordpotentialfrie, højfrekvente bussystemer samt symmetriske grænseflader. Med signaladskillelse til vedligeholdelse

2 produkter

artikelnr. 927271 BCO ML2 BD HF 5

GTIN 4013364405660, CCT (EU): 85363010, Bruttovægt: 58.42 g, VPE: 1.00 Pakkestørrelse

forrige

billeder

Yderligere information

Kombiafleder BLITZDUCTORconnect ML2 BD HF 5
modulær, stikbar kombiafleder til beskyttelse af
et lederpar med balancerede snitlfader
i højfrekvente bussystemer
testet i henhold til EN/IEC 61643-21 og energetisk
koordineret i henhold til IEC 61643-22
Aflederklasse Type 1 / P2
Impulskategori: C1, C2, C3, B2, D1
Statusdisplay, bredde 6 mm
Højeste kontinuerlige spænding: 8,5 V DC / 6,0 V AC
Mærkestrøm ved 70°C: 0,75 A
Afskæringsfrekvens 100 MHz
C2 nominel afladningsstrøm pr. kerne (8/20): 5 kA
C2 total afladningsstrøm nominel (8/20): 10 kA
D1 Lynimpulsstrøm (10/350 µs) pr. ledning: 1,5 kA
D1 Lynimpulsstrøm (10/350 µs) i alt: 3 kA
med signaladskillelse til vedligeholdelsesformål
Ledertilslutning: push-in

fabrikat: DEHN
Type: BCO ML2 BD HF 5
artikelnr.: 927271
eller tilsvarende

Certificater

 

Tekniske data

Aflederklasse L
Nominel spænding (UN ) 5 V
Max. driftsspænding DC (UC ) 8,5 V
Mærkestrøm ved 70 °C (IL ) 0,75 A
D1 lynstødstrøm (10/350 µs) per leder (Iimp ) 1,5 kA
C2 samlet mærkeafledestødstrøm (8/20 µs) (In ) 10 kA
Serieimpedans per leder 1 ohm
Grænsefrekvens leder-leder (fG ) 100 MHz
Godkendelser UL 497B, CSA, ATEX, IECEx, CCC, SIL
*) Find yderligere oplysninger på www.dehn.de

Produkt 927271 blev tilføjet til notesblok.

Produkt 927271 blev lagt I kurven.

artikelnr. 927275 BCO ML2 BD HF 24

GTIN 4013364468566, CCT (EU): 85363010, Bruttovægt: 58.60 g, VPE: 1.00 Pakkestørrelse

forrige

billeder

Yderligere information

Kombiafleder BLITZDUCTORconnect ML2 BD HF 24
modulær, stikbar kombiafleder til beskyttelse af
et lederpar med balancerede snitlfader
i højfrekvente bussystemer
testet i henhold til EN/IEC 61643-21 og energetisk
koordineret i henhold til IEC 61643-22
Aflederklasse Type 1 / P2
Impulskategori: C1, C2, C3, B2, D1
Statusdisplay, bredde 6 mm
Højeste kontinuerlige spænding: 36 V DC / 25,4 V AC
Mærkestrøm ved 70°C: 0,75 A
Afskæringsfrekvens 100 MHz
C2 nominel afladningsstrøm pr. kerne (8/20): 5 kA
C2 total afladningsstrøm nominel (8/20): 10 kA
D1 Lynimpulsstrøm (10/350 µs) pr. ledning: 1,5 kA
D1 Lynimpulsstrøm (10/350 µs) i alt: 3 kA
med signaladskillelse til vedligeholdelsesformål
Ledertilslutning: push-in

fabrikat: DEHN
Type: BCO ML2 BD HF 24
artikelnr.: 927275
eller tilsvarende

Certificater

 

Tekniske data

Aflederklasse L
Nominel spænding (UN ) 24 V
Max. driftsspænding DC (UC ) 36 V
Mærkestrøm ved 70 °C (IL ) 0,75 A
D1 lynstødstrøm (10/350 µs) per leder (Iimp ) 1,5 kA
C2 samlet mærkeafledestødstrøm (8/20 µs) (In ) 10 kA
Serieimpedans per leder 1 ohm
Grænsefrekvens leder-leder (fG ) 100 MHz
Godkendelser UL 497B, SIL
*) Find yderligere oplysninger på www.dehn.de

Produkt 927275 blev tilføjet til notesblok.

Produkt 927275 blev lagt I kurven.


BCO ML2 BD HC5A 24

1 produkt

artikelnr. 927254 BCO ML2 BD HC5A 24

GTIN 4013364513419, CCT (EU): 85363010, Bruttovægt: 60.63 g, VPE: 1.00 Pakkestørrelse


billeder

Yderligere information

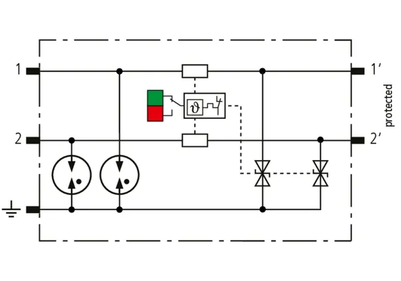
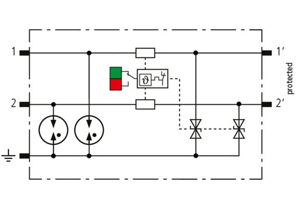
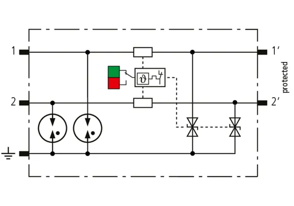
Kombiafleder BLITZDUCTORconnect ML2 BD HC5A 24
modulær, stikbar kombiafleder til beskyttelse
af 1 lederpar på jordpotentialfrie signalkredse
med høj mærkestrøm i informationstekniske
systemer samt måle- og kontrolkredse.
testet iht. EN/IEC 61643-21 og energetisk
koordineret iht. IEC 61643-22
Aflederklasse type 1/P2
Impulskategori: C1, C2, C3, B2, D1
Statusbjælke, bredde 6 mm
Maks. driftsspænding 36 V DC/25,4 V AC
Nominel strøm ved 80 °C: 5 A
C2 Nominel afledestødstrøm pr. leder (8/20): 5 kA
C2 Nominel afledestrøm i alt (8/20): 10 kA
D1 Lynimpulsstrøm (10/350 µs) pr. leder: 1,5 kA
D1 Samlet lynimpulsstrøm (10/350 µs): 3 kA
med signaladskillelse til vedligeholdelse
Ledningstilslutning: Push-in

fabrikat: DEHN
Type: BCO ML2 BD HC5A 24
artikelnr.: 927254
eller tilsvarende

Certificater

 

Tekniske data

Aflederklasse L
Nominel spænding (UN ) 24 V
Max. driftsspænding DC (UC ) 36 V
Mærkestrøm ved 80 °C (IL ) 5 A
D1 lynstødstrøm (10/350 µs) per leder (Iimp ) 1,5 kA
C2 samlet mærkeafledestødstrøm (8/20 µs) (In ) 10 kA
Serieimpedans per leder 0 ohm
Godkendelser UL 497B, SIL
*) Find yderligere oplysninger på www.dehn.de

Produkt 927254 blev tilføjet til notesblok.

Produkt 927254 blev lagt I kurven.


BCO ML2 BPD 24

Pladsbesparende, modulær kombiafleder med en bredde på 6 mm og push-in tilslutningsteknik med statusvisning til beskyttelse af 1 lederpar i 24 V DC systemer. Også velegnet til brug med en jordet negativ pol. Integrerede PTC-modstande gør det muligt at nulstille aflederen sikkert efter interferens i systemkredsløbet med kortslutningsstrømme på op til 40 A. Med signaladskillelse til vedligeholdelsesformål.

1 produkt

artikelnr. 927214 BCO ML2 BPD 24

GTIN 4013364473003, CCT (EU): 85363010, Bruttovægt: 58.00 g, VPE: 1.00 Pakkestørrelse


billeder

Yderligere information

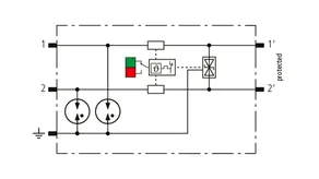
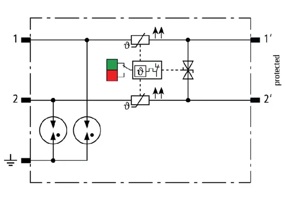
Kombiafleder BLITZDUCTORconnect ML2 BPD 24
modulær stikbar kombiafleder til beskyttelse
et par i 24 V DC-systemer,
Også velegnet til brug med en jordet negativ pol,
med integrerede PTC-modstande
Overstrømsbeskyttelse op til 40 A
testet i henhold til EN/IEC 61643-21 og energisk
koordineret i henhold til IEC 61643-22
Aflederklasse Type 1 / P2
Impulskategori: C1, C2, C3, B2, D1
Statusdisplay, bredde 6 mm
Højeste kontinuerlige spænding: 33,0 V DC / 23,3 V AC
Mærkestrøm ved 70°C: 0,1 A
C2 nominel afladningsstrøm pr. kerne (8/20): 5 kA
C2 total afladningsstrøm nominel (8/20): 10 kA
D1 Lynimpulsstrøm (10/350 µs) pr. ledning: 1,5 kA
D1 Lynimpulsstrøm (10/350 µs) i alt: 3 kA
med signaladskillelse til vedligeholdelsesformål
Ledertilslutning: push-in

fabrikat: DEHN
Type: BCO ML2 BPD 24
artikelnr.: 927214
eller tilsvarende

Certificater

 

Tekniske data

Aflederklasse L
Nominel spænding (UN ) 24 V
Max. driftsspænding DC (UC ) 33 V
Mærkestrøm ved 70 °C (IL ) 0,1 A
D1 lynstødstrøm (10/350 µs) per leder (Iimp ) 1,5 kA
C2 samlet mærkeafledestødstrøm (8/20 µs) (In ) 10 kA
Serieimpedans per leder 10 ohm
Grænsefrekvens leder-leder (fG ) 4,5 MHz
Godkendelser UL 497B, SIL
*) Find yderligere oplysninger på www.dehn.de

Produkt 927214 blev tilføjet til notesblok.

Produkt 927214 blev lagt I kurven.


BCO ML2 MVG 230

Pladsbesparende, modulær overspændingsafleder med en bredde på 6 mm og push-in tilslutningsteknik med statusvisning til beskyttelse af 2 ledninger af flertrådede, flydende signalgrænseflader med en nominel spænding på 230 V. Med signaladskillelse til vedligeholdelsesformål.
Opfylder blandt andet kravene til signalanlæg i jernbaneindustrien (DB RIL 819.0808 kompatibel).

1 produkt

artikelnr. 927290 BCO ML2 MVG 230

GTIN 4013364466524, CCT (EU): 85363010, Bruttovægt: 60.12 g, VPE: 1.00 Pakkestørrelse


billeder

Yderligere information

Overspændingsafleder BLITZDUCTORconnect ML2 MVG 230
modulær, stikbar overspændingsafleder
for at beskytte 2 ledere i flertrådede
signalgrænseflader med en nominel spænding på 230 V AC.
testet i henhold til EN/IEC 61643-21 og energisk
koordineret i henhold til IEC 61643-22
Aflederklasse Type 2 / P3
Impulskategori: C1, C2, C3
Statusdisplay, bredde 6 mm
Højeste kontinuerlige spænding: 320 V DC / 250 V AC
Mærkestrøm ved 80°C: 3 A
C2 nominel afladningsstrøm pr. leder (8/20): 3 kA
C2 total afladningsstrøm nominel (8/20): 6 kA
med signaladskillelse til vedligeholdelsesformål
Ledertilslutning: push-in
DB RIL 819.0808 kompatibel

fabrikat: DEHN
Type: BCO ML2 MVG 230
artikelnr.: 927290
eller tilsvarende

Certificater

 

Tekniske data

Aflederklasse V
Nominel spænding (UN ) 230 V
Mærkestrøm ved 80 °C (IL ) 3 A
C2 samlet mærkeafledestødstrøm (8/20 µs) (In ) 6 kA
Serieimpedans per leder 0 ohm
Godkendelser SIL
*) Find yderligere oplysninger på www.dehn.de

Produkt 927290 blev tilføjet til notesblok.

Produkt 927290 blev lagt I kurven.


BCO ML2 BD EX 24

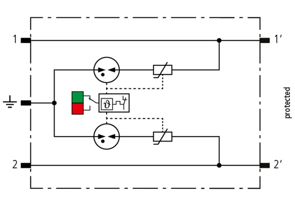
Pladsbesparende, modulær kombiafleder med en bredde på 6 mm og push-in-tilslutningsteknik med funktions-/fejlvisning til beskyttelse af et lederpar i egensikre målekredse og bussystemer. Følger FISCO-anvisningerne. Isolationsstyrke >500 V leder-jord. Med skilleanordning til vedligeholdelsesarbejde.

1 produkt

artikelnr. 927284 BCO ML2 BD EX 24

GTIN 4013364405677, CCT (EU): 85363010, Bruttovægt: 65.18 g, VPE: 1.00 Pakkestørrelse

forrige

billeder

Yderligere information

Overspændingsafleder BLITZDUCTORconnect ML2 MVG 230
modulær, stikbar overspændingsafleder
for at beskytte 2 kerner af multi-core
Signalgrænseflader med en nominel spænding på 230 V AC.
testet i henhold til EN/IEC 61643-21 og energisk
koordineret i henhold til IEC 61643-22
Arrestatorklasse Type 2 / P3
Impulskategori: C1, C2, C3
Statusdisplay, bredde 6 mm
Højeste kontinuerlige spænding: 320 V DC / 250 V AC
Mærkestrøm ved 80°C: 3 A
C2 nominel afladningsstrøm pr. kerne (8/20): 3 kA
C2 total afladningsstrøm nominel (8/20): 6 kA
med signaladskillelse til vedligeholdelsesformål
Linjeforbindelse: push-in
DB RIL 819.0808 kompatibel

fabrikat: DEHN
Type: BCO ML2 BD EX 24
artikelnr.: 927284
eller tilsvarende

Certificater

 

Tekniske data

Aflederklasse L
Nominel spænding (UN ) 24 V
Max. driftsspænding DC (UC ) 36 V
Mærkestrøm ved 80 °C (IL ) 0,5 A
D1 lynstødstrøm (10/350 µs) per leder (Iimp ) 1,5 kA
C2 samlet mærkeafledestødstrøm (8/20 µs) (In ) 10 kA
Serieimpedans per leder 1 ohm
Grænsefrekvens leder-leder (fG ) 3,5 MHz
Godkendelser ATEX, IECEx, CCC, SIL
*) Find yderligere oplysninger på www.dehn.de

Produkt 927284 blev tilføjet til notesblok.

Produkt 927284 blev lagt I kurven.


BCO MOD ML2 B

Beskyttelsesmodul til BLITZDUCTORconnect-lynstrømsafleder med en bredde på 6 mm og funktions-/fejlvisning til beskyttelse af to enkeltledere til lynbeskyttelses-potentialudligning og indirekte jording af skærm.

1 produkt

artikelnr. 927010 BCO MOD ML2 B 180

GTIN 4013364410114, CCT (EU): 85363010, Bruttovægt: 39.00 g, VPE: 1.00 Pakkestørrelse


billeder

Yderligere information



fabrikat: DEHN
Type: BCO MOD ML2 B 180
artikelnr.: 927010
eller tilsvarende

Certificater

 

Tekniske data

Aflederklasse A
Nominel spænding (UN ) 180 V
Max. driftsspænding DC (UC ) 180 V
D1 lynstødstrøm (10/350 µs) per leder (Iimp ) 1,5 kA
C2 samlet mærkeafledestødstrøm (8/20 µs) (In ) 10 kA
Serieimpedans per leder 0 ohm
Godkendelser UL 497B, CSA, ATEX, IECEx, CCC, SIL
*) Find yderligere oplysninger på www.dehn.de

Produkt 927010 blev tilføjet til notesblok.

Produkt 927010 blev lagt I kurven.


BCO MOD ML2 BE

Beskyttelsesmodul til BLITZDUCTORconnect-kombiafleder med en bredde på 6 mm og funktions-/fejlvisning til beskyttelse af to enkeltledere med fælles referencepotentiale og ubalancerede snitflader.

4 produkter

artikelnr. 927022 BCO MOD ML2 BE 12

GTIN 4013364410121, CCT (EU): 85363010, Bruttovægt: 39.00 g, VPE: 1.00 Pakkestørrelse


billeder

Yderligere information



fabrikat: DEHN
Type: BCO MOD ML2 BE 12
artikelnr.: 927022
eller tilsvarende

Certificater

 

Tekniske data

Aflederklasse M
Nominel spænding (UN ) 12 V
Max. driftsspænding DC (UC ) 15 V
Mærkestrøm ved 70 °C (IL ) 0,75 A
D1 lynstødstrøm (10/350 µs) per leder (Iimp ) 1,5 kA
C2 samlet mærkeafledestødstrøm (8/20 µs) (In ) 10 kA
Serieimpedans per leder 1 ohm
Grænsefrekvens leder-leder (fG ) 1,4 MHz
Godkendelser UL 497B, CSA, ATEX, IECEx, CCC, SIL
*) Find yderligere oplysninger på www.dehn.de

Produkt 927022 blev tilføjet til notesblok.

Produkt 927022 blev lagt I kurven.

artikelnr. 927024 BCO MOD ML2 BE 24

GTIN 4013364410138, CCT (EU): 85363010, Bruttovægt: 39.27 g, VPE: 1.00 Pakkestørrelse


billeder

Yderligere information



fabrikat: DEHN
Type: BCO MOD ML2 BE 24
artikelnr.: 927024
eller tilsvarende

Certificater

 

Tekniske data

Aflederklasse M
Nominel spænding (UN ) 24 V
Max. driftsspænding DC (UC ) 33 V
Mærkestrøm ved 70 °C (IL ) 0,75 A
D1 lynstødstrøm (10/350 µs) per leder (Iimp ) 1,5 kA
C2 samlet mærkeafledestødstrøm (8/20 µs) (In ) 10 kA
Serieimpedans per leder 1 ohm
Grænsefrekvens leder-leder (fG ) 3,4 MHz
Godkendelser UL 497B, CSA, ATEX, IECEx, CCC, SIL
*) Find yderligere oplysninger på www.dehn.de

Produkt 927024 blev tilføjet til notesblok.

Produkt 927024 blev lagt I kurven.

artikelnr. 927025 BCO MOD ML2 BE 48

GTIN 4013364410145, CCT (EU): 85363010, Bruttovægt: 39.00 g, VPE: 1.00 Pakkestørrelse


billeder

Yderligere information



fabrikat: DEHN
Type: BCO MOD ML2 BE 48
artikelnr.: 927025
eller tilsvarende

Certificater

 

Tekniske data

Aflederklasse M
Nominel spænding (UN ) 48 V
Max. driftsspænding DC (UC ) 54 V
Mærkestrøm ved 70 °C (IL ) 0,75 A
D1 lynstødstrøm (10/350 µs) per leder (Iimp ) 1,5 kA
C2 samlet mærkeafledestødstrøm (8/20 µs) (In ) 10 kA
Serieimpedans per leder 1 ohm
Grænsefrekvens leder-leder (fG ) 5 MHz
Godkendelser UL 497B, CSA, ATEX, IECEx, CCC, SIL
*) Find yderligere oplysninger på www.dehn.de

Produkt 927025 blev tilføjet til notesblok.

Produkt 927025 blev lagt I kurven.

artikelnr. 927027 BCO MOD ML2 BE 180

GTIN 4013364468689, CCT (EU): 85363010, Bruttovægt: 39.00 g, VPE: 1.00 Pakkestørrelse


billeder

Yderligere information

Kombiafleder-beskyttelsesmodul
BLITZDUCTORconnect MOD ML2 BE 180
Stikbart kombiafledermodul
til beskyttelse af 2 ledere
med fælles referencepotentiale
samt ubalancerede grænseflader
testet i henhold til EN/IEC 61643-21 og
energisk koordineret i henhold til IEC 61643-22
Aflederklasse Type 1 / P1
Impulskategori: C1, C2, C3, B2, D1
Statusdisplay, bredde 6 mm
Højeste kontinuerlige spænding: 180 V DC / 127 V AC
Mærkestrøm ved 70°C: 0,5 A
C2 nominel afledestrøm pr. kerne (8/20): 5 kA
C2 total afledestrøm nominel (8/20): 10 kA
D1 Lynimpulsstrøm (10/350 µs) pr. ledning: 1,5 kA
D1 Lynimpulsstrøm (10/350 µs) i alt: 3 kA
udskiftningsmodul

fabrikat: DEHN
Type: BCO MOD ML2 BE 180
artikelnr.: 927027
eller tilsvarende

Certificater

 

Tekniske data

Aflederklasse M
Nominel spænding (UN ) 180 V
Max. driftsspænding DC (UC ) 180 V
Mærkestrøm ved 70 °C (IL ) 0,5 A
D1 lynstødstrøm (10/350 µs) per leder (Iimp ) 1,5 kA
C2 samlet mærkeafledestødstrøm (8/20 µs) (In ) 10 kA
Serieimpedans per leder 1,8 ohm
Grænsefrekvens leder-leder (fG ) 10 MHz
Godkendelser UL 497B, SIL
*) Find yderligere oplysninger på www.dehn.de

Produkt 927027 blev tilføjet til notesblok.

Produkt 927027 blev lagt I kurven.


BCO MOD ML2 BD

Beskyttelsesmodul til BLITZDUCTORconnect-kombiafleder med en bredde på 6 mm og funktions-/fejlvisning til beskyttelse af et lederpar med balancerede snitflader.

4 produkter

artikelnr. 927042 BCO MOD ML2 BD 12

GTIN 4013364410152, CCT (EU): 85363010, Bruttovægt: 39.00 g, VPE: 1.00 Pakkestørrelse


billeder

Yderligere information



fabrikat: DEHN
Type: BCO MOD ML2 BD 12
artikelnr.: 927042
eller tilsvarende

Certificater

 

Tekniske data

Aflederklasse L
Nominel spænding (UN ) 12 V
Max. driftsspænding DC (UC ) 15 V
Mærkestrøm ved 70 °C (IL ) 0,75 A
D1 lynstødstrøm (10/350 µs) per leder (Iimp ) 1,5 kA
C2 samlet mærkeafledestødstrøm (8/20 µs) (In ) 10 kA
Serieimpedans per leder 1 ohm
Grænsefrekvens leder-leder (fG ) 2,6 MHz
Godkendelser UL 497B, CSA, ATEX, IECEx, CCC, SIL
*) Find yderligere oplysninger på www.dehn.de

Produkt 927042 blev tilføjet til notesblok.

Produkt 927042 blev lagt I kurven.

artikelnr. 927044 BCO MOD ML2 BD 24

GTIN 4013364410169, CCT (EU): 85363010, Bruttovægt: 39.00 g, VPE: 1.00 Pakkestørrelse


billeder

Yderligere information



fabrikat: DEHN
Type: BCO MOD ML2 BD 24
artikelnr.: 927044
eller tilsvarende

Certificater

 

Tekniske data

Aflederklasse L
Nominel spænding (UN ) 24 V
Max. driftsspænding DC (UC ) 36 V
Mærkestrøm ved 70 °C (IL ) 0,75 A
D1 lynstødstrøm (10/350 µs) per leder (Iimp ) 1,5 kA
C2 samlet mærkeafledestødstrøm (8/20 µs) (In ) 10 kA
Serieimpedans per leder 1 ohm
Grænsefrekvens leder-leder (fG ) 5,8 MHz
Godkendelser UL 497B, CSA, ATEX, IECEx, CCC, SIL
*) Find yderligere oplysninger på www.dehn.de

Produkt 927044 blev tilføjet til notesblok.

Produkt 927044 blev lagt I kurven.

artikelnr. 927045 BCO MOD ML2 BD 48

GTIN 4013364410176, CCT (EU): 85363010, Bruttovægt: 39.00 g, VPE: 1.00 Pakkestørrelse


billeder

Yderligere information



fabrikat: DEHN
Type: BCO MOD ML2 BD 48
artikelnr.: 927045
eller tilsvarende

Certificater

 

Tekniske data

Aflederklasse L
Nominel spænding (UN ) 48 V
Max. driftsspænding DC (UC ) 56 V
Mærkestrøm ved 70 °C (IL ) 0,75 A
D1 lynstødstrøm (10/350 µs) per leder (Iimp ) 1,5 kA
C2 samlet mærkeafledestødstrøm (8/20 µs) (In ) 10 kA
Serieimpedans per leder 1 ohm
Grænsefrekvens leder-leder (fG ) 7,2 MHz
Godkendelser UL 497B, CSA, ATEX, IECEx, CCC, SIL
*) Find yderligere oplysninger på www.dehn.de

Produkt 927045 blev tilføjet til notesblok.

Produkt 927045 blev lagt I kurven.

artikelnr. 927047 BCO MOD ML2 BD 180

GTIN 4013364468672, CCT (EU): 85363010, Bruttovægt: 39.00 g, VPE: 1.00 Pakkestørrelse


billeder

Yderligere information

Kombiafleder-beskyttelsesmodul
BLITZDUCTORconnect MOD ML2 BD 180
stikbart kombiafledermodul
for at beskytte et par ledere i
flydende balancerede grænseflader
testet i henhold til EN/IEC 61643-21 og
energisk koordineret i henhold til IEC 61643-22
Aflederklasse Type 1 / P2
Impulskategori: C1, C2, C3, B2, D1
Statusdisplay, bredde 6 mm
Højeste kontinuerlige spænding: 180 V DC / 127 V AC
Mærkestrøm ved 70°C: 0,5 A
C2 nominel afledestrøm pr. kerne (8/20): 5 kA
C2 total afledestrøm nominel (8/20): 10 kA
D1 Lynimpulsstrøm (10/350 µs) pr. ledning: 1,5 kA
D1 Lynimpulsstrøm (10/350 µs) i alt: 3 kA
udskiftningsmodul

fabrikat: DEHN
Type: BCO MOD ML2 BD 180
artikelnr.: 927047
eller tilsvarende

Certificater

 

Tekniske data

Aflederklasse L
Nominel spænding (UN ) 180 V
Max. driftsspænding DC (UC ) 180 V
Mærkestrøm ved 70 °C (IL ) 0,5 A
D1 lynstødstrøm (10/350 µs) per leder (Iimp ) 1,5 kA
C2 samlet mærkeafledestødstrøm (8/20 µs) (In ) 10 kA
Serieimpedans per leder 1,8 ohm
Grænsefrekvens leder-leder (fG ) 10 MHz
Godkendelser UL 497B, SIL
*) Find yderligere oplysninger på www.dehn.de

Produkt 927047 blev tilføjet til notesblok.

Produkt 927047 blev lagt I kurven.


BCO MOD ML2 BE HF

Beskyttelsesmodul til BLITZDUCTORconnect-kombiafleder med en bredde på 6 mm og funktions-/fejlvisning til beskyttelse af to enkeltledere med fælles referencepotentiale og ubalancerede snitflader til højfrekvente transmissioner.

2 produkter

artikelnr. 927070 BCO MOD ML2 BE HF 5

GTIN 4013364410183, CCT (EU): 85363010, Bruttovægt: 39.00 g, VPE: 1.00 Pakkestørrelse


billeder

Yderligere information



fabrikat: DEHN
Type: BCO MOD ML2 BE HF 5
artikelnr.: 927070
eller tilsvarende

Certificater

 

Tekniske data

Aflederklasse M
Nominel spænding (UN ) 5 V
Max. driftsspænding DC (UC ) 8,5 V
Mærkestrøm ved 70 °C (IL ) 0,75 A
D1 lynstødstrøm (10/350 µs) per leder (Iimp ) 1,5 kA
C2 samlet mærkeafledestødstrøm (8/20 µs) (In ) 10 kA
Serieimpedans per leder 1 ohm
Godkendelser UL 497B, CSA, ATEX, IECEx, CCC, SIL
*) Find yderligere oplysninger på www.dehn.de

Produkt 927070 blev tilføjet til notesblok.

Produkt 927070 blev lagt I kurven.

artikelnr. 927074 BCO MOD ML2 BE HF 24

GTIN 4013364468573, CCT (EU): 85363010, Bruttovægt: 39.00 g, VPE: 1.00 Pakkestørrelse


billeder

Yderligere information

Kombiafleder-beskyttelsesmodul
BLITZDUCTORconnect MOD ML2 BE HF 24
stikbart kombiafledermodul
for at beskytte 2 enkeltledere med høj frekvens
Transmissioner med fælles referencepotentiale
samt ubalancerede grænseflader
testet i henhold til EN/IEC 61643-21 og energisk
koordineret i henhold til IEC 61643-22
Aflederklasse Type 1 / P1
Impulskategori: C1, C2, C3, B2, D1
Statusdisplay, bredde 6 mm
Højeste kontinuerlige spænding: 36 V DC / 25,4 V AC
Mærkestrøm ved 70°C: 0,75 A
Afskæringsfrekvens 100 MHz
C2 nominel afledestrøm pr. kerne (8/20): 5 kA
C2 total afledestrøm nominel (8/20): 10 kA
D1 Lynimpulsstrøm (10/350 µs) pr. ledning: 1,5 kA
D1 Lynimpulsstrøm (10/350 µs) i alt: 3 kA
udskiftningsmodul

fabrikat: DEHN
Type: BCO MOD ML2 BE HF 24
artikelnr.: 927074
eller tilsvarende

Certificater

 

Tekniske data

Aflederklasse M
Nominel spænding (UN ) 24 V
Max. driftsspænding DC (UC ) 36 V
Mærkestrøm ved 70 °C (IL ) 0,75 A
D1 lynstødstrøm (10/350 µs) per leder (Iimp ) 1,5 kA
C2 samlet mærkeafledestødstrøm (8/20 µs) (In ) 10 kA
Serieimpedans per leder 1 ohm
Godkendelser UL 497B, SIL
*) Find yderligere oplysninger på www.dehn.de

Produkt 927074 blev tilføjet til notesblok.

Produkt 927074 blev lagt I kurven.


BCO MOD ML2 BD HF

Beskyttelsesmodul til BLITZDUCTORconnect-kombiafleder med en bredde på 6 mm og funktions-/fejlvisning til beskyttelse af et lederpar med balancerede snitflader til højfrekvente bussystemer.

2 produkter

artikelnr. 927071 BCO MOD ML2 BD HF 5

GTIN 4013364410190, CCT (EU): 85363010, Bruttovægt: 39.00 g, VPE: 1.00 Pakkestørrelse


billeder

Yderligere information



fabrikat: DEHN
Type: BCO MOD ML2 BD HF 5
artikelnr.: 927071
eller tilsvarende

Certificater

 

Tekniske data

Aflederklasse L
Nominel spænding (UN ) 5 V
Max. driftsspænding DC (UC ) 8,5 V
Mærkestrøm ved 70 °C (IL ) 0,75 A
D1 lynstødstrøm (10/350 µs) per leder (Iimp ) 1,5 kA
C2 samlet mærkeafledestødstrøm (8/20 µs) (In ) 10 kA
Serieimpedans per leder 1 ohm
Grænsefrekvens leder-leder (fG ) 100 MHz
Godkendelser UL 497B, CSA, ATEX, IECEx, CCC, SIL
*) Find yderligere oplysninger på www.dehn.de

Produkt 927071 blev tilføjet til notesblok.

Produkt 927071 blev lagt I kurven.

artikelnr. 927075 BCO MOD ML2 BD HF 24

GTIN 4013364468580, CCT (EU): 85363010, Bruttovægt: 39.00 g, VPE: 1.00 Pakkestørrelse


billeder

Yderligere information

Kombiafleder-beskyttelsesmodul
BLITZDUCTORconnect MOD ML2 BD HF 24
stikbart kombiafledermodul
for at beskytte 1 lederpar i
højfrekvente bussystemer
og symmetriske grænseflader
testet i henhold til EN/IEC 61643-21 og energisk
koordineret i henhold til IEC 61643-22
Aflederklasse Type 1 / P2
Impulskategori: C1, C2, C3, B2, D1
Statusdisplay, bredde 6 mm
Højeste kontinuerlige spænding: 36 V DC / 25,4 V AC
Mærkestrøm ved 70°C: 0,75 A
Afskæringsfrekvens 100 MHz
C2 nominel afledestrøm pr. kerne (8/20): 5 kA
C2 total afledestrøm nominel (8/20): 10 kA
D1 Lynimpulsstrøm (10/350 µs) pr. ledning: 1,5 kA
D1 Lynimpulsstrøm (10/350 µs) i alt: 3 kA
udskiftningsmodul

fabrikat: DEHN
Type: BCO MOD ML2 BD HF 24
artikelnr.: 927075
eller tilsvarende

Certificater

 

Tekniske data

Aflederklasse L
Nominel spænding (UN ) 24 V
Max. driftsspænding DC (UC ) 36 V
Mærkestrøm ved 70 °C (IL ) 0,75 A
D1 lynstødstrøm (10/350 µs) per leder (Iimp ) 1,5 kA
C2 samlet mærkeafledestødstrøm (8/20 µs) (In ) 10 kA
Serieimpedans per leder 1 ohm
Grænsefrekvens leder-leder (fG ) 100 MHz
Godkendelser UL 497B, SIL
*) Find yderligere oplysninger på www.dehn.de

Produkt 927075 blev tilføjet til notesblok.

Produkt 927075 blev lagt I kurven.


BCO MOD ML2 BD HC5A 24

1 produkt

artikelnr. 927054 BCO MOD ML2 BD HC5A 24

GTIN 4013364513426, CCT (EU): 85363010, Bruttovægt: 41.00 g, VPE: 1.00 Pakkestørrelse


billeder

Yderligere information

Kombiafleder beskyttelsesmodul
BLITZDUCTORconnect MOD ML2 BD HC5A 24
stikbart kombiafledermodul
til beskyttelse af 1 lederpar i jordpotentialfrie
Signalkredse med høj mærkestrøm i
informationstekniske systemer samt måle- og kontrolkredse.
testet iht. EN/IEC 61643-21 og energetisk
koordineret iht. IEC 61643-22
Aflederklasse type 1/P2
Impulskategori: C1, C2, C3, B2, D1
Statusbjælke, bredde 6 mm
Maks. driftsspænding 36 V DC/25,4 V AC
Nominel strøm ved 80 °C: 5 A
C2 Nominel afledestødstrøm pr. leder (8/20): 5 kA
C2 Nominel afledestrøm i alt (8/20): 10 kA
D1 Lynimpulsstrøm (10/350 µs) pr. leder: 1,5 kA
D1 Samlet lynimpulsstrøm (10/350 µs): 3 kA
Udskiftningsmodul

fabrikat: DEHN
Type: BCO MOD ML2 BD HC5A 24
artikelnr.: 927054
eller tilsvarende

Certificater

 

Tekniske data

Aflederklasse L
Nominel spænding (UN ) 24 V
Max. driftsspænding DC (UC ) 36 V
Mærkestrøm ved 80 °C (IL ) 5 A
D1 lynstødstrøm (10/350 µs) per leder (Iimp ) 1,5 kA
C2 samlet mærkeafledestødstrøm (8/20 µs) (In ) 10 kA
Serieimpedans per leder 0 ohm
Godkendelser UL 497B, SIL
*) Find yderligere oplysninger på www.dehn.de

Produkt 927054 blev tilføjet til notesblok.

Produkt 927054 blev lagt I kurven.


BCO MOD ML2 BPD

Kombiafleder-beskyttelsesmodul med en bredde på 6 mm til BLITZDUCTORconnect med statusvisning til beskyttelse af 1 par i 24 V DC-systemer. Også velegnet til brug med en jordet negativ pol. Integrerede PTC-modstande gør det muligt at nulstille aflederen sikkert efter interferens i systemkredsløbet med kortslutningsstrømme på op til 40 A.

1 produkt

artikelnr. 927014 BCO MOD ML2 BPD 24

GTIN 4013364473010, CCT (EU): 85363010, Bruttovægt: 39.00 g, VPE: 1.00 Pakkestørrelse


billeder

Yderligere information



fabrikat: DEHN
Type: BCO MOD ML2 BPD 24
artikelnr.: 927014
eller tilsvarende

Certificater

 

Tekniske data

Aflederklasse L
Nominel spænding (UN ) 24 V
Max. driftsspænding DC (UC ) 33 V
Mærkestrøm ved 70 °C (IL ) 0,1 A
D1 lynstødstrøm (10/350 µs) per leder (Iimp ) 1,5 kA
C2 samlet mærkeafledestødstrøm (8/20 µs) (In ) 10 kA
Serieimpedans per leder 10 ohm
Grænsefrekvens leder-leder (fG ) 4,5 MHz
Godkendelser UL 497B, SIL
*) Find yderligere oplysninger på www.dehn.de

Produkt 927014 blev tilføjet til notesblok.

Produkt 927014 blev lagt I kurven.


BCO MOD ML2 MVG 230

Overspændingsafleder-beskyttelsesmodul med en bredde på 6 mm til BLITZDUCTORconnect med statusdisplay til beskyttelse af 2 ledere i flertrådede, flydende signalgrænseflader med en nominel spænding på 230 V.
Opfylder bl.a. kravene til signalsystemer i jernbaneindustrien (DB RIL 819.0808 kompatibel).

1 produkt

artikelnr. 927090 BCO MOD ML2 MVG 230

GTIN 4013364466531, CCT (EU): 85363010, Bruttovægt: 39.00 g, VPE: 1.00 Pakkestørrelse


billeder

Yderligere information



fabrikat: DEHN
Type: BCO MOD ML2 MVG 230
artikelnr.: 927090
eller tilsvarende

Certificater

 

Tekniske data

Aflederklasse V
Nominel spænding (UN ) 230 V
Mærkestrøm ved 80 °C (IL ) 3 A
C2 samlet mærkeafledestødstrøm (8/20 µs) (In ) 6 kA
Serieimpedans per leder 0 ohm
Godkendelser SIL
*) Find yderligere oplysninger på www.dehn.de

Produkt 927090 blev tilføjet til notesblok.

Produkt 927090 blev lagt I kurven.


BCO MOD ML2 BD EX 24

Beskyttelsesmodul til BLITZDUCTORconnect-kombiafleder med en bredde på 6 mm og funktions-/fejlvisning til beskyttelse af et lederpar i egensikre målekredse og bussystemer. Følger FISCO-anvisningerne. Isolationsstyrke > 500 V leder-jord.

1 produkt

artikelnr. 927084 BCO MOD ML2 BD EX 24

GTIN 4013364410206, CCT (EU): 85363010, Bruttovægt: 39.00 g, VPE: 1.00 Pakkestørrelse


billeder

Yderligere information



fabrikat: DEHN
Type: BCO MOD ML2 BD EX 24
artikelnr.: 927084
eller tilsvarende

Certificater

 

Tekniske data

Aflederklasse L
Nominel spænding (UN ) 24 V
Max. driftsspænding DC (UC ) 36 V
Mærkestrøm ved 80 °C (IL ) 0,5 A
D1 lynstødstrøm (10/350 µs) per leder (Iimp ) 1,5 kA
C2 samlet mærkeafledestødstrøm (8/20 µs) (In ) 10 kA
Serieimpedans per leder 1 ohm
Grænsefrekvens leder-leder (fG ) 3,5 MHz
Godkendelser ATEX, IECEx, CCC, SIL
*) Find yderligere oplysninger på www.dehn.de

Produkt 927084 blev tilføjet til notesblok.

Produkt 927084 blev lagt I kurven.


back to top