BLITZDUCTORconnect – kompact

Universel lynstrøms- og overspændingsafleder
  • Til beskyttelse af målekredse og datasnitflader
  • Høj samlet afledeevne på 3 kA (10/350 µs), 10 kA (8/20 µs)
  • Max. stødstrømsbæreevne (8/20 µs) Imax til 20 kA
  • Lav restspænding, også egnet til beskyttelse af tilsluttet udstyr
Kompakt afleder
  • Hurtig og enkel ledertilslutning med push-in-tilslutningsteknik
  • Høj tilgængelighed i anlægget med failsafe-system
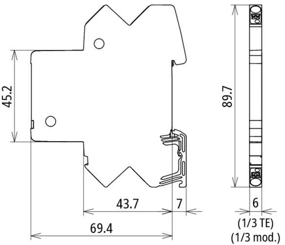
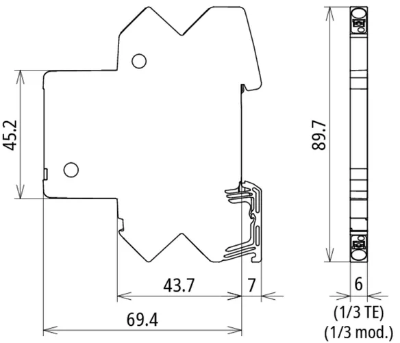
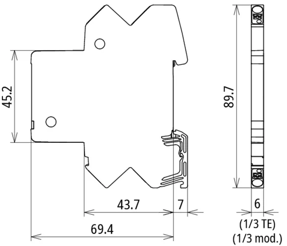
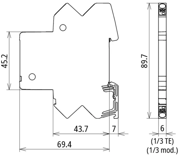
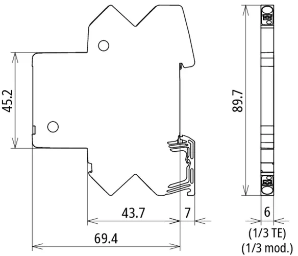
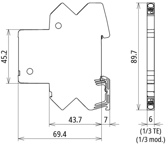
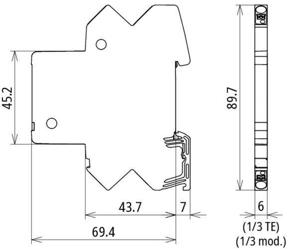
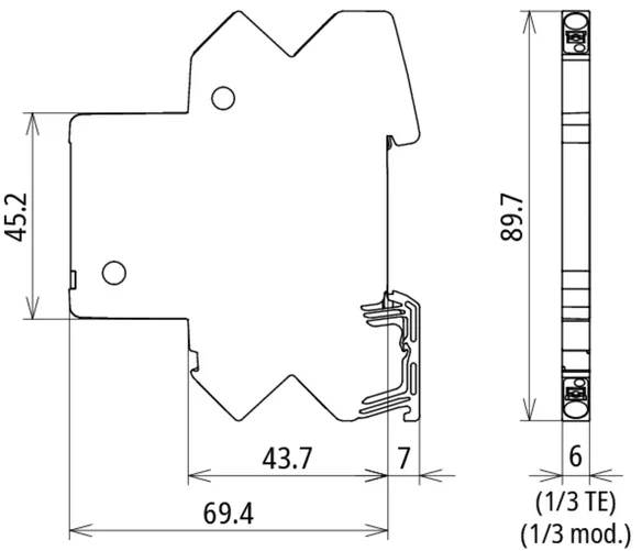
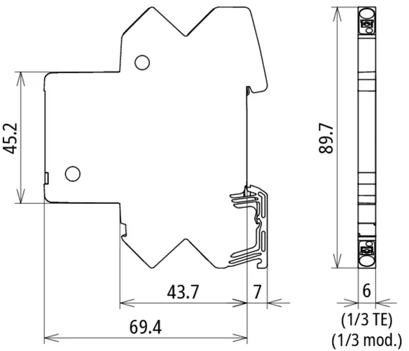
Funktionsoptimeret udførelse med bredde på 6 mm
  • Integreret LifeCheck og fejlvisning i modulet
  • Enkel fjernmelding af status på modulet
  • Vibrations- og stødtestet for sikker anvendelse

Details

Enkel vedligeholdelse
Enkel statusmelding med overvågningsenhed for hele afledergruppen
lorem ipsum
Højeste systemtilgængelighed
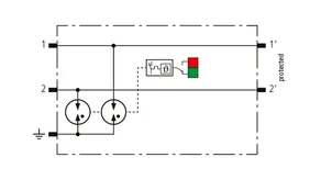
Godkendt til indsats i egensikre målekredse
lorem ipsum
Hurtig test - med et øjekast
Indbygget markering til enkel og hurtig vedligeholdelse
lorem ipsum
Connect = Protect
Push-in-tilslutningsteknik til enkel og hurtig ledertilslutning
lorem ipsum

BCO CL2 B 180

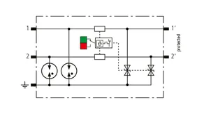
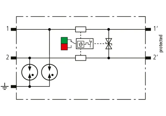
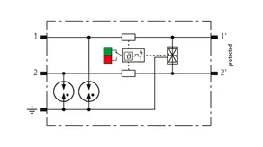
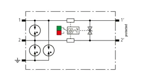
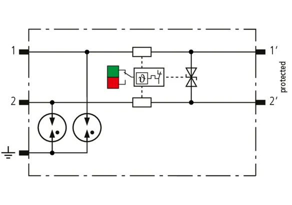
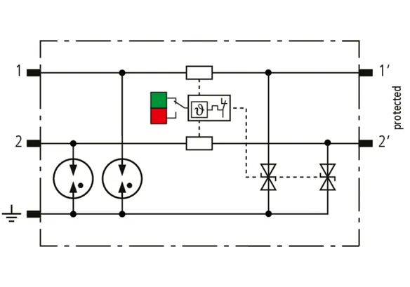
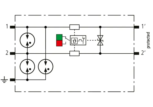
Pladsbesparende, kompakt lynstrømsafleder med en bredde på 6 mm og push-in-tilslutningsteknik med funktions-/fejlvisning til beskyttelse af to enkeltledere til lynbeskyttelses-potentialudligning og indirekte jording af skærm.

1 produkt

artikelnr. 927910 BCO CL2 B 180

GTIN 4013364411739, CCT (EU): 85363010, Bruttovægt: 57.86 g, VPE: 1.00 Pakkestørrelse


billeder

Yderligere information



fabrikat: DEHN
Type: BCO CL2 B 180
artikelnr.: 927910
eller tilsvarende

Certificater

 

Tekniske data

Aflederklasse A
Max. driftsspænding DC (UC ) 180 V
Mærkestrøm (IL ) 1.2 A
D1 lynstødstrøm (10/350 µs) per leder (Iimp ) 1,5 kA
C2 samlet mærkeafledestødstrøm (8/20 µs) (In ) 10 kA
Serieimpedans per leder 0 ohm
Godkendelser UL 497B, CSA, ATEX, IECEx, CCC, SIL
*) Find yderligere oplysninger på www.dehn.de

Produkt 927910 blev tilføjet til notesblok.

Produkt 927910 blev lagt I kurven.


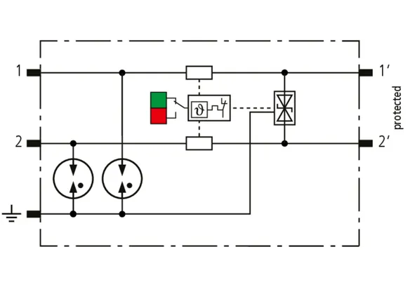
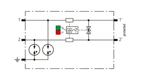
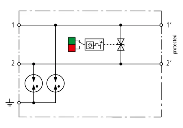
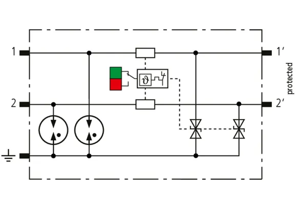
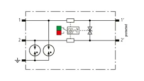
BCO CL2 BE

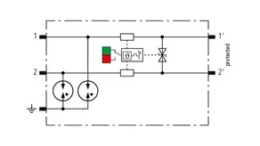
Pladsbesparende, kompakt kombiafleder med en bredde på 6 mm og push-in-tilslutningsteknik med funktions-/fejlvisning til beskyttelse af to enkeltledere med fælles referencepotentiale og ubalancerede snitflader.

3 produkter

artikelnr. 927922 BCO CL2 BE 12

GTIN 4013364411951, CCT (EU): 85363010, Bruttovægt: 57.86 g, VPE: 1.00 Pakkestørrelse

forrige

billeder

Yderligere information



fabrikat: DEHN
Type: BCO CL2 BE 12
artikelnr.: 927922
eller tilsvarende

Certificater

 

Tekniske data

Aflederklasse M
Max. driftsspænding DC (UC ) 15 V
Mærkestrøm ved 70 °C (IL ) 0,75 A
D1 lynstødstrøm (10/350 µs) per leder (Iimp ) 1,5 kA
C2 samlet mærkeafledestødstrøm (8/20 µs) (In ) 10 kA
Serieimpedans per leder 1 ohm
Grænsefrekvens leder-leder (fG ) 1,4 MHz
Godkendelser UL 497B, CSA, ATEX, IECEx, CCC, SIL
*) Find yderligere oplysninger på www.dehn.de

Produkt 927922 blev tilføjet til notesblok.

Produkt 927922 blev lagt I kurven.

artikelnr. 927924 BCO CL2 BE 24

GTIN 4013364411968, CCT (EU): 85363010, Bruttovægt: 57.86 g, VPE: 1.00 Pakkestørrelse

forrige

billeder

Yderligere information



fabrikat: DEHN
Type: BCO CL2 BE 24
artikelnr.: 927924
eller tilsvarende

Certificater

 

Tekniske data

Aflederklasse M
Max. driftsspænding DC (UC ) 33 V
Mærkestrøm ved 70 °C (IL ) 0,75 A
D1 lynstødstrøm (10/350 µs) per leder (Iimp ) 1,5 kA
C2 samlet mærkeafledestødstrøm (8/20 µs) (In ) 10 kA
Serieimpedans per leder 1 ohm
Grænsefrekvens leder-leder (fG ) 3,4 MHz
Godkendelser UL 497B, CSA, ATEX, IECEx, CCC, SIL
*) Find yderligere oplysninger på www.dehn.de

Produkt 927924 blev tilføjet til notesblok.

Produkt 927924 blev lagt I kurven.

artikelnr. 927925 BCO CL2 BE 48

GTIN 4013364411975, CCT (EU): 85363010, Bruttovægt: 57.86 g, VPE: 1.00 Pakkestørrelse

forrige

billeder

Yderligere information



fabrikat: DEHN
Type: BCO CL2 BE 48
artikelnr.: 927925
eller tilsvarende

Certificater

 

Tekniske data

Aflederklasse M
Max. driftsspænding DC (UC ) 54 V
Mærkestrøm ved 70 °C (IL ) 0,75 A
D1 lynstødstrøm (10/350 µs) per leder (Iimp ) 1,5 kA
C2 samlet mærkeafledestødstrøm (8/20 µs) (In ) 10 kA
Serieimpedans per leder 1 ohm
Grænsefrekvens leder-leder (fG ) 5 MHz
Godkendelser UL 497B, CSA, ATEX, IECEx, CCC, SIL
*) Find yderligere oplysninger på www.dehn.de

Produkt 927925 blev tilføjet til notesblok.

Produkt 927925 blev lagt I kurven.


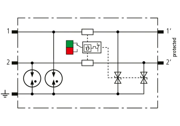
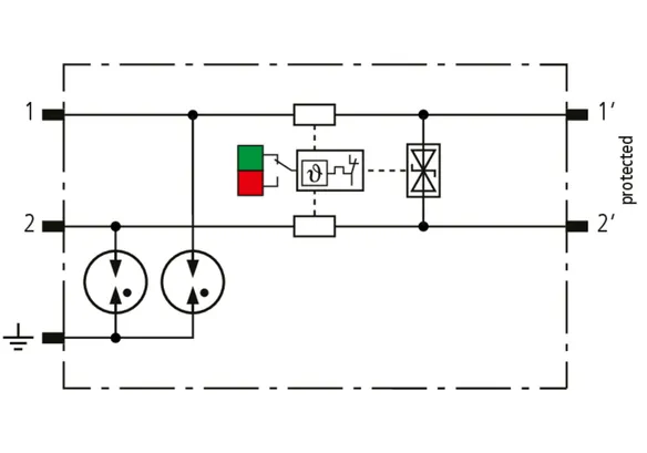
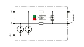
BCO CL2 BD

Pladsbesparende, kompakt kombiafleder med en bredde på 6 mm og push-in-tilslutningsteknik med funktions-/fejlvisning til beskyttelse af et lederpar med balancerede snitflader.

3 produkter

artikelnr. 927942 BCO CL2 BD 12

GTIN 4013364411777, CCT (EU): 85363010, Bruttovægt: 57.86 g, VPE: 1.00 Pakkestørrelse

forrige

billeder

Yderligere information



fabrikat: DEHN
Type: BCO CL2 BD 12
artikelnr.: 927942
eller tilsvarende

Certificater

 

Tekniske data

Aflederklasse L
Max. driftsspænding DC (UC ) 15 V
Mærkestrøm ved 70 °C (IL ) 0,75 A
D1 lynstødstrøm (10/350 µs) per leder (Iimp ) 1,5 kA
C2 samlet mærkeafledestødstrøm (8/20 µs) (In ) 10 kA
Serieimpedans per leder 1 ohm
Grænsefrekvens leder-leder (fG ) 2,6 MHz
Godkendelser UL 497B, CSA, ATEX, IECEx, CCC, SIL
*) Find yderligere oplysninger på www.dehn.de

Produkt 927942 blev tilføjet til notesblok.

Produkt 927942 blev lagt I kurven.

artikelnr. 927944 BCO CL2 BD 24

GTIN 4013364411784, CCT (EU): 85363010, Bruttovægt: 57.86 g, VPE: 1.00 Pakkestørrelse

forrige

billeder

Yderligere information



fabrikat: DEHN
Type: BCO CL2 BD 24
artikelnr.: 927944
eller tilsvarende

Certificater

 

Tekniske data

Aflederklasse L
Max. driftsspænding DC (UC ) 36 V
Mærkestrøm ved 70 °C (IL ) 0,75 A
D1 lynstødstrøm (10/350 µs) per leder (Iimp ) 1,5 kA
C2 samlet mærkeafledestødstrøm (8/20 µs) (In ) 10 kA
Serieimpedans per leder 1 ohm
Grænsefrekvens leder-leder (fG ) 5,8 MHz
Godkendelser UL 497B, CSA, ATEX, IECEx, CCC, SIL
*) Find yderligere oplysninger på www.dehn.de

Produkt 927944 blev tilføjet til notesblok.

Produkt 927944 blev lagt I kurven.

artikelnr. 927945 BCO CL2 BD 48

GTIN 4013364411807, CCT (EU): 85363010, Bruttovægt: 57.86 g, VPE: 1.00 Pakkestørrelse

forrige

billeder

Yderligere information



fabrikat: DEHN
Type: BCO CL2 BD 48
artikelnr.: 927945
eller tilsvarende

Certificater

 

Tekniske data

Aflederklasse L
Max. driftsspænding DC (UC ) 56 V
Mærkestrøm ved 70 °C (IL ) 0,75 A
D1 lynstødstrøm (10/350 µs) per leder (Iimp ) 1,5 kA
C2 samlet mærkeafledestødstrøm (8/20 µs) (In ) 10 kA
Serieimpedans per leder 1 ohm
Grænsefrekvens leder-leder (fG ) 7,2 MHz
Godkendelser UL 497B, CSA, ATEX, IECEx, CCC, SIL
*) Find yderligere oplysninger på www.dehn.de

Produkt 927945 blev tilføjet til notesblok.

Produkt 927945 blev lagt I kurven.


BCO CL2 BE HF

Pladsbesparende, kompakt kombiafleder med en bredde på 6 mm og push-in-tilslutningsteknik med funktions-/fejlvisning til beskyttelse af to enkeltledere med fælles referencepotentiale og ubalancerede snitflader til højfrekvente transmissioner.

1 produkt

artikelnr. 927970 BCO CL2 BE HF 5

GTIN 4013364411982, CCT (EU): 85363010, Bruttovægt: 57.86 g, VPE: 1.00 Pakkestørrelse


billeder

Yderligere information



fabrikat: DEHN
Type: BCO CL2 BE HF 5
artikelnr.: 927970
eller tilsvarende

Certificater

 

Tekniske data

Aflederklasse M
Max. driftsspænding DC (UC ) 8,5 V
Mærkestrøm ved 70 °C (IL ) 0,75 A
D1 lynstødstrøm (10/350 µs) per leder (Iimp ) 1,5 kA
C2 samlet mærkeafledestødstrøm (8/20 µs) (In ) 10 kA
Serieimpedans per leder 1 ohm
Godkendelser UL 497B, CSA, ATEX, IECEx, CCC, SIL
*) Find yderligere oplysninger på www.dehn.de

Produkt 927970 blev tilføjet til notesblok.

Produkt 927970 blev lagt I kurven.


BCO CL2 BD HF

Pladsbesparende, kompakt kombiafleder, 6 mm bred, med push-in-tilslutningsteknologi og statusvisning til beskyttelse af 1 lederpar på jordpotentialfrie, højfrekvente bussystemer samt symmetriske grænseflader.

1 produkt

artikelnr. 927971 BCO CL2 BD HF 5

GTIN 4013364411999, CCT (EU): 85363010, Bruttovægt: 57.86 g, VPE: 1.00 Pakkestørrelse

forrige

billeder

Yderligere information



fabrikat: DEHN
Type: BCO CL2 BD HF 5
artikelnr.: 927971
eller tilsvarende

Certificater

 

Tekniske data

Aflederklasse L
Max. driftsspænding DC (UC ) 8,5 V
Mærkestrøm ved 70 °C (IL ) 0,75 A
D1 lynstødstrøm (10/350 µs) per leder (Iimp ) 1,5 kA
C2 samlet mærkeafledestødstrøm (8/20 µs) (In ) 10 kA
Serieimpedans per leder 1 ohm
Grænsefrekvens leder-leder (fG ) 100 MHz
Godkendelser UL 497B, CSA, ATEX, IECEx, CCC, SIL
*) Find yderligere oplysninger på www.dehn.de

Produkt 927971 blev tilføjet til notesblok.

Produkt 927971 blev lagt I kurven.


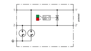
BCO CL2 E

Pladsbesparende, kompakt overspændingsafleder med en bredde på 6 mm og push-in tilslutningsteknik med statusvisning. Finbegrænsende, et-trins overspændingsbeskyttelse med højtydende dioder til beskyttelse af 2 individuelle ledere med et fælles referencepotentiale og asymmetriske grænseflader.

3 produkter

artikelnr. 927987 BCO CL2 E 12

GTIN 4013364485754, CCT (EU): 85363010, Bruttovægt: 55.94 g, VPE: 1.00 Pakkestørrelse

forrige

billeder

Yderligere information



fabrikat: DEHN
Type: BCO CL2 E 12
artikelnr.: 927987
eller tilsvarende

Certificater

 

Tekniske data

Aflederklasse W
Max. driftsspænding DC (UC ) 15 V
Mærkestrøm ved 60 °C (IL ) 10 A
Mærkestrøm ved 80 °C (IL ) 6 A
C1 samlet mærkeafledestødstrøm (8/20 µs) (In ) 3 kA
Serieimpedans per leder 0 ohm
Godkendelser UL 497B, SIL
*) Find yderligere oplysninger på www.dehn.de

Produkt 927987 blev tilføjet til notesblok.

Produkt 927987 blev lagt I kurven.

artikelnr. 927988 BCO CL2 E 24

GTIN 4013364485747, CCT (EU): 85363010, Bruttovægt: 56.04 g, VPE: 1.00 Pakkestørrelse

forrige

billeder

Yderligere information



fabrikat: DEHN
Type: BCO CL2 E 24
artikelnr.: 927988
eller tilsvarende

Certificater

 

Tekniske data

Aflederklasse W
Max. driftsspænding DC (UC ) 33 V
Mærkestrøm ved 60 °C (IL ) 10 A
Mærkestrøm ved 80 °C (IL ) 6 A
C1 samlet mærkeafledestødstrøm (8/20 µs) (In ) 1,2 kA
Serieimpedans per leder 0 ohm
Godkendelser UL 497B, SIL
*) Find yderligere oplysninger på www.dehn.de

Produkt 927988 blev tilføjet til notesblok.

Produkt 927988 blev lagt I kurven.

artikelnr. 927989 BCO CL2 E 48

GTIN 4013364485761, CCT (EU): 85363010, Bruttovægt: 36.58 g, VPE: 1.00 Pakkestørrelse

forrige

billeder

Yderligere information



fabrikat: DEHN
Type: BCO CL2 E 48
artikelnr.: 927989
eller tilsvarende

Certificater

 

Tekniske data

Aflederklasse W
Max. driftsspænding DC (UC ) 58 V
Mærkestrøm ved 60 °C (IL ) 10 A
Mærkestrøm ved 80 °C (IL ) 6 A
C1 samlet mærkeafledestødstrøm (8/20 µs) (In ) 0,8 kA
Serieimpedans per leder 0 ohm
Godkendelser UL 497B, SIL
*) Find yderligere oplysninger på www.dehn.de

Produkt 927989 blev tilføjet til notesblok.

Produkt 927989 blev lagt I kurven.


BCO CL4 BC

Pladsbesparende, kompakt kombinationsafleder med en bredde på 12 mm og push-in tilslutningsteknologi med statusvisning til beskyttelse af ikke-jordede 4-leder målekredsløb til informationsteknologiske systemer og MCR teknologi.

1 produkt

artikelnr. 927954 BCO CL4 BC 24

GTIN 4013364485730, CCT (EU): 85363010, Bruttovægt: 80.10 g, VPE: 1.00 Pakkestørrelse


billeder

Yderligere information

Kombiafleder BLITZDUCTORconnect CL2 BC 24
Kompakt kombiafleder til beskyttelse af
ikke-jordede 4-leder-målinger til informations-
teknologiske systemer og MSR-kredse
testet iht. EN/IEC 61643-21 og energetisk
koordineret iht. IEC 61643-22
Aflederklasse type 1/P2
Impulskategori: D1, C1, C2, C3, B2
Statusvisning
Maks. driftsspænding 36,0 V DC / 25,4 V AC
Nominel strøm ved 80 °C: 3 A
Serieimpedans pr. leder: 0 ohm
C2 Nominel afledestødstrøm pr. leder (8/20): 10 kA
C2 Nominel afledestrøm i alt (8/20): 20 kA
D1 Lynimpulsstrøm (10/350) pr. leder: 2,5 kA
D1 Samlet lynimpulsstrøm (10/350): 5 kA
Ledningstilslutning: Push-in
Bredde 12 mm

fabrikat: DEHN
Type: BCO CL4 BC 24
artikelnr.: 927954
eller tilsvarende

Certificater

 

Tekniske data

Aflederklasse L
Max. driftsspænding DC (UC ) 36 V
Mærkestrøm ved 80 °C (IL ) 3 A
D1 lynstødstrøm (10/350 µs) per leder (Iimp ) 2,5 kA
C2 samlet mærkeafledestødstrøm (8/20 µs) (In ) 20 kA
Serieimpedans per leder 0 ohm
Godkendelser UL 497B, SIL
*) Find yderligere oplysninger på www.dehn.de

Produkt 927954 blev tilføjet til notesblok.

Produkt 927954 blev lagt I kurven.


BCO CL2 BD HC10A 24

Pladsbesparende, kompakt kombi-afleder med en bredde på 12 mm og push-in tilslutningsteknologi med statusvisning til beskyttelse af 1 lederpar i flydende DC-forsyninger til informationsteknologiske systemer og MSR-kredsløb.

1 produkt

artikelnr. 927408 BCO CL2 BD HC10A 24

GTIN 4013364463653, CCT (EU): 85363010, Bruttovægt: 68.30 g, VPE: 1.00 Pakkestørrelse

forrige

billeder

Yderligere information



fabrikat: DEHN
Type: BCO CL2 BD HC10A 24
artikelnr.: 927408
eller tilsvarende

Certificater

 

Tekniske data

Aflederklasse L
Max. driftsspænding DC (UC ) 45 V
Mærkestrøm ved 80 °C (IL ) 10 A
D1 lynstødstrøm (10/350 µs) per leder (Iimp ) 2,5 kA
C2 samlet mærkeafledestødstrøm (8/20 µs) (In ) 20 kA
Serieimpedans per leder 0 ohm
Godkendelser UL 497B, SIL
*) Find yderligere oplysninger på www.dehn.de

Produkt 927408 blev tilføjet til notesblok.

Produkt 927408 blev lagt I kurven.


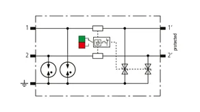
BCO CL2 BD EX 24

Pladsbesparende, kompakt kombiafleder med en bredde på 6 mm og push-in-tilslutningsteknik med funktions-/fejlvisning til beskyttelse af et lederpar i egensikre målekredse og bussystemer. Følger kravene i FISCO. Isolationsstyrke > 500 V leder-jord.

1 produkt

artikelnr. 927984 BCO CL2 BD EX 24

GTIN 4013364412002, CCT (EU): 85363010, Bruttovægt: 57.86 g, VPE: 1.00 Pakkestørrelse

forrige

billeder

Yderligere information



fabrikat: DEHN
Type: BCO CL2 BD EX 24
artikelnr.: 927984
eller tilsvarende

Certificater

 

Tekniske data

Aflederklasse L
Max. driftsspænding DC (UC ) 36 V
Mærkestrøm ved 80 °C (IL ) 0,5 A
D1 lynstødstrøm (10/350 µs) per leder (Iimp ) 1,5 kA
C2 samlet mærkeafledestødstrøm (8/20 µs) (In ) 10 kA
Serieimpedans per leder 1 ohm
Grænsefrekvens leder-leder (fG ) 3,5 MHz
Godkendelser ATEX, IECEx, CCC, SIL
*) Find yderligere oplysninger på www.dehn.de

Produkt 927984 blev tilføjet til notesblok.

Produkt 927984 blev lagt I kurven.


back to top