Banejordingssystem

Vores DEHN-banejordingssystem har vist sig effektivt til brug i trafikteknologien, da det er udviklet specielt til jording af betondeles armering i nærheden af højspændingsførende elinstallationer. Det anvendes dels til potentialudligning af betonkonstruktioner og dels til overførsel af kortslutningsstrømmen i situationer, hvor køreledningen bliver revet ned.
Til det formål stiller DEHN forskellige jordingsbroer samt jordingsforbindere til rådighed for brugeren, hvilket som følge af variable slutfastgørelser og forbindelseselementer giver et omfattende modulsystem med mange kombinationsmuligheder. Vores DEHN-banejordingssystemer er godkendt af DB Netz AG.

Jordingsbroer, rustfrit stål

Jordingsbroerne er beregnede til jording, returstrømskredsløb samt potentialudligningen ved anvendelse på banestrækninger. Jordingsbroen af rustfrit stål sikrer dette via en defineret svejsesøm til jordingslederen. Denne jordingsbro har desuden en teknisk godkendelse fra DB Netz AG og kan dermed anvendes planlægningssikkert.

3 produkter

artikelnr. 419000 D BEB 0 - 63 / EBS 15-03-19

GTIN 4013364439412, CCT (EU): 85369010, Bruttovægt: 840.00 g, VPE: 1.00 Pakkestørrelse


billeder

Yderligere information

Jordingsbro af rustfrit stål D BEB 0 - 63 / EBS 15-03-19
til jording af armeringen af betondele
med godkendelse fra DB Netz AG
Materiale, tilslutningselement: NIRO
Materiale-nr.: 1.4301
Kortslutningsstrøm: > 25 kA
Teststrøm: 40 kA / 100 ms
Standarder: Ril 997.0205A01
Kortslutningsstrøm (AC 50 Hz/DC): 12,6 kA
Gevind: M16
Diameter, tilslutningsplade: 50 mm
Samlet højde: 63 mm
Monteringshøjde: 55 mm
DB-tegning nr.: 3 Ebs 15.03.19 - 37

fabrikat: DEHN
Type: D BEB 0 - 63 / EBS 15-03-19
artikelnr.: 419000
eller tilsvarende

 

Tekniske data

Materiale, tilslutningselement NIRO
Materiale-nr. 1.4301
Kortslutningsstrøm > 25 kA
Teststrøm 40 kA / 100 ms
Standarder Ril 997.0205A01
Kortslutningsstrøm (AC 50 Hz/DC) (1 s; ≤ 300 °C) 12,6 kA
Gevind M16
Diameter, tilslutningsplade 50 mm
Samlet højde 63 mm
Monteringshøjde 55 mm
DB-tegning nr. 3 Ebs 15.03.19 - 37

Produkt 419000 blev tilføjet til notesblok.

Produkt 419000 blev lagt I kurven.

artikelnr. 419001 D BEB 0 - 70 / EBS 15-03-19

GTIN 4013364439429, CCT (EU): 85369010, Bruttovægt: 950.00 g, VPE: 1.00 Pakkestørrelse


billeder

Yderligere information

Jordingsbro af rustfrit stål D BEB 0 - 70 / EBS 15-03-19
til jording af armeringen af betondele
med godkendelse fra DB Netz AG
Materiale, tilslutningselement: NIRO
Materiale-nr.: 1.4301
Kortslutningsstrøm: > 25 kA
Teststrøm: 40 kA / 100 ms
Standarder: Ril 997.0205A01
Kortslutningsstrøm (AC 50 Hz/DC): 12,6 kA
Gevind: M16
Diameter, tilslutningsplade: 50 mm
Samlet højde: 70 mm
Monteringshøjde: 62 mm
DB-tegning nr.: 3 Ebs 15.03.19 - 37

fabrikat: DEHN
Type: D BEB 0 - 70 / EBS 15-03-19
artikelnr.: 419001
eller tilsvarende

 

Tekniske data

Materiale, tilslutningselement NIRO
Materiale-nr. 1.4301
Kortslutningsstrøm > 25 kA
Teststrøm 40 kA / 100 ms
Standarder Ril 997.0205A01
Kortslutningsstrøm (AC 50 Hz/DC) (1 s; ≤ 300 °C) 12,6 kA
Gevind M16
Diameter, tilslutningsplade 50 mm
Samlet højde 70 mm
Monteringshøjde 62 mm
DB-tegning nr. 3 Ebs 15.03.19 - 37

Produkt 419001 blev tilføjet til notesblok.

Produkt 419001 blev lagt I kurven.

artikelnr. 419002 D BEB 0 - 77 / EBS 15-03-19

GTIN 4013364439436, CCT (EU): 85369010, Bruttovægt: 1.05 kg, VPE: 1.00 Pakkestørrelse


billeder

Yderligere information

Jordingsbro af rustfrit stål D BEB 0 - 77 / EBS 15-03-19
til jording af armeringen af betondele
med godkendelse fra DB Netz AG
Materiale, tilslutningselement: NIRO
Materiale-nr.: 1.4301
Kortslutningsstrøm: > 25 kA
Teststrøm: 40 kA / 100 ms
Standarder: Ril 997.0205A01
Kortslutningsstrøm (AC 50 Hz/DC): 12,6 kA
Gevind: M16
Diameter, tilslutningsplade: 50 mm
Samlet højde: 77 mm
Monteringshøjde: 69 mm
DB-tegning nr.: 3 Ebs 15.03.19 - 37

fabrikat: DEHN
Type: D BEB 0 - 77 / EBS 15-03-19
artikelnr.: 419002
eller tilsvarende

 

Tekniske data

Materiale, tilslutningselement NIRO
Materiale-nr. 1.4301
Kortslutningsstrøm > 25 kA
Teststrøm 40 kA / 100 ms
Standarder Ril 997.0205A01
Kortslutningsstrøm (AC 50 Hz/DC) (1 s; ≤ 300 °C) 12,6 kA
Gevind M16
Diameter, tilslutningsplade 50 mm
Samlet højde 77 mm
Monteringshøjde 69 mm
DB-tegning nr. 3 Ebs 15.03.19 - 37

Produkt 419002 blev tilføjet til notesblok.

Produkt 419002 blev lagt I kurven.


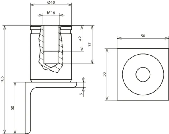
Jordingsbroer, rustfrit stål D BEB 16

Jordingsbroerne er beregnede til jording, returstrømskredsløb samt potentialudligningen ved anvendelse på banestrækninger. Jordingsbroen af rustfrit stål sikrer dette via en defineret svejsesøm til jordingslederen. Denne jordingsbro har desuden en teknisk godkendelse fra DB Netz AG og kan dermed anvendes planlægningssikkert.

1 produkt

artikelnr. 419160 D BEB 16 - 105 / 3 EBS 15-03-19-38

GTIN 4013364510203, CCT (EU): 85369010, Bruttovægt: 697.72 g, VPE: 8.00 Pakkestørrelse


billeder

Yderligere information

Jordingsbroer, rustfrit stål D BEB 16 - 105 / 3 EBS 15-03-19-38
Jordingsbroer, rustfrit stål
D BEB 16 - 105 / 3 EBS 15-03-19-38
til jording af
armeringen af
betondele med
godkendelse fra
DB Netz AG
Materiale, tilslutningselement: NIRO
Materiale-nr.: 1.4301
Materiale, vinkel: St
Kortslutningsstrøm: > 25 kA
Teststrøm: 40 kA / 100 ms
Standarder: Ril 997.0205A01
Kortslutningsstrøm (AC 50 Hz/DC): 12,6 kA
Gevind: M16
Diameter, tilslutningsplade: 40 mm
Mål, vinkel: 50 x 50 x 5 mm
Samlet højde: 105 mm
DB-tegning nr.: 3 Ebs 15.03.19 - 38

fabrikat: DEHN
Type: D BEB 16 - 105 / 3 EBS 15-03-19-38
artikelnr.: 419160
eller tilsvarende

 

Tekniske data

Materiale, tilslutningselement NIRO
Materiale-nr. 1.4301
Materiale, vinkel St
Kortslutningsstrøm > 25 kA
Teststrøm 40 kA / 100 ms
Standarder Ril 997.0205A01
Kortslutningsstrøm (AC 50 Hz/DC) (1 s; ≤ 300 °C) 12,6 kA
Gevind M16
Diameter, tilslutningsplade 40 mm
Mål, vinkel (l x b x h) 50 x 50 x 5 mm
Samlet højde 105 mm
DB-tegning nr. 3 Ebs 15.03.19 - 38

Produkt 419160 blev tilføjet til notesblok.

Produkt 419160 blev lagt I kurven.


Jordingsbroer af fladstål D BEB 1

Jordingsbroerne er beregnede til jording, returstrømskredsløb samt potentialudligningen ved anvendelse på banestrækninger. Denne variant sikrer dette, da den monteres flugtende med overfladen og svejses på den armering, der skal jordes, med fladstålet via en defineret svejsesøm. Denne jordingsbro har desuden en teknisk godkendelse fra DB Netz AG og kan dermed anvendes planlægningssikkert.

1 produkt

artikelnr. 419500 D BEB 1 - L100 / EBS 15-03-19

GTIN 4013364458383, CCT (EU): 85369010, Bruttovægt: 205.00 g, VPE: 1.00 Pakkestørrelse


billeder

Yderligere information

Jordingsbro af fladstål D BEB 1 / EBS 15-03-19
til jording af armeringen af betondele
med godkendelse fra DB Netz AG
Materiale, plade: NIRO
Materiale-nr.: 1.4301
Materiale, bøsning: St / Cu
Materiale, fladstål: S235
Kortslutningsstrøm: > 25 kA
Teststrøm: 40 kA / 100 ms
Standarder: Ril 997.0205A01
Kortslutningsstrøm (AC 50 Hz/DC): 12,6 kA
Gevind: M16
Diameter, tilslutningsplade: 50 mm
Mål, fladstål: 100 x 40 x 5 mm
Samlet højde: 58 mm
DB-tegning nr.: 3 Ebs 15.03.19 - 30

fabrikat: DEHN
Type: D BEB 1 - L100 / EBS 15-03-19
artikelnr.: 419500
eller tilsvarende

 

Tekniske data

Materiale, plade NIRO
Materiale-nr. 1.4301
Materiale, bøsning St / Cu
Materiale, fladstål S235
Kortslutningsstrøm > 25 kA
Teststrøm 40 kA / 100 ms
Standarder Ril 997.0205A01
Kortslutningsstrøm (AC 50 Hz/DC) (1 s; ≤ 300 °C) 12,6 kA
Gevind M16
Diameter, tilslutningsplade 50 mm
Mål, fladstål 100 x 40 x 5 mm
Samlet højde 58 mm
DB-tegning nr. 3 Ebs 15.03.19 - 30

Produkt 419500 blev tilføjet til notesblok.

Produkt 419500 blev lagt I kurven.


Jordingsbroer af fladstål D BEB 1-L

Jordingsbroerne er beregnede til jording, returstrømskredsløb samt potentialudligningen ved anvendelse på banestrækninger. Denne variant sikrer dette, da den monteres flugtende med overfladen og svejses på den armering, der skal jordes, med fladstålet via en defineret svejsesøm. Denne jordingsbro har desuden en teknisk godkendelse fra DB Netz AG og kan dermed anvendes planlægningssikkert.

1 produkt

artikelnr. 419011 D BEB 1-L / EBS 15-03-19

GTIN 4013364439450, CCT (EU): 85369010, Bruttovægt: 740.00 g, VPE: 1.00 Pakkestørrelse


billeder

Yderligere information

Jordingsbro af fladstål D BEB 1-L / EBS 15-03-19
til jording af armeringen af betondele
med godkendelse fra DB Netz AG
Materiale, plade: NIRO
Materiale-nr.: 1.4301
Materiale, bøsning: St / Cu
Materiale, fladstål: S235
Kortslutningsstrøm: > 25 kA
Teststrøm: 40 kA / 100 ms
Standarder: Ril 997.0205A01
Kortslutningsstrøm (AC 50 Hz/DC): 12,6 kA
Gevind: M16
Diameter, tilslutningsplade: 50 mm
Mål, fladstål: 402 x 40 x 5 mm
Samlet højde: 58 mm
Monteringshøjde: 410 mm
DB-tegning nr.: 3 Ebs 15.03.19 - 30

fabrikat: DEHN
Type: D BEB 1-L / EBS 15-03-19
artikelnr.: 419011
eller tilsvarende

 

Tekniske data

Materiale, plade NIRO
Materiale-nr. 1.4301
Materiale, bøsning St / Cu
Materiale, fladstål S235
Kortslutningsstrøm > 25 kA
Teststrøm 40 kA / 100 ms
Standarder Ril 997.0205A01
Kortslutningsstrøm (AC 50 Hz/DC) (1 s; ≤ 300 °C) 12,6 kA
Gevind M16
Diameter, tilslutningsplade 50 mm
Mål, fladstål 402 x 40 x 5 mm
Samlet højde 58 mm
Monteringshøjde 410 mm
DB-tegning nr. 3 Ebs 15.03.19 - 30

Produkt 419011 blev tilføjet til notesblok.

Produkt 419011 blev lagt I kurven.


Jordingsbroer af fladstål D BEB 1-NR

Jordingsbroerne er beregnede til jording, returstrømskredsløb samt potentialudligningen ved anvendelse på banestrækninger. Denne variant sikrer dette, da den monteres flugtende med overfladen og svejses på den armering, der skal jordes, med fladstålet via en defineret svejsesøm. Denne jordingsbro har desuden en teknisk godkendelse fra DB Netz AG og kan dermed anvendes planlægningssikkert.

1 produkt

artikelnr. 419012 D BEB 1-NR / EBS 15-03-19

GTIN 4013364439467, CCT (EU): 85369010, Bruttovægt: 1.46 kg, VPE: 1.00 Pakkestørrelse


billeder

Yderligere information

Jordingsbro af fladstål D BEB 1-NR / EBS 15-03-19
til jording af armeringen af betondele
med godkendelse fra DB Netz AG
Materiale, tilslutningselement: NIRO
Materiale-nr.: 1.4301
Materiale, fladstål: S235
Kortslutningsstrøm: > 25 kA
Teststrøm: 40 kA / 100 ms
Standarder: Ril 997.0205A01
Kortslutningsstrøm (AC 50 Hz/DC): 12,6 kA
Gevind: M16
Diameter, tilslutningsplade: 50 mm
Mål, fladstål: 400 x 50 x 5 mm
Samlet højde: 63 mm
DB-tegning nr.: 3 Ebs 15.03.19 - 36

fabrikat: DEHN
Type: D BEB 1-NR / EBS 15-03-19
artikelnr.: 419012
eller tilsvarende

 

Tekniske data

Materiale, tilslutningselement NIRO
Materiale-nr. 1.4301
Materiale, fladstål S235
Kortslutningsstrøm > 25 kA
Teststrøm 40 kA / 100 ms
Standarder Ril 997.0205A01
Kortslutningsstrøm (AC 50 Hz/DC) (1 s; ≤ 300 °C) 12,6 kA
Gevind M16
Diameter, tilslutningsplade 50 mm
Mål, fladstål 400 x 50 x 5 mm
Samlet højde 63 mm
DB-tegning nr. 3 Ebs 15.03.19 - 36

Produkt 419012 blev tilføjet til notesblok.

Produkt 419012 blev lagt I kurven.


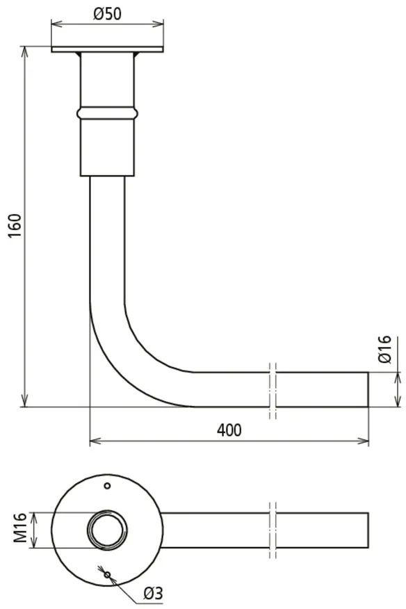
Jordingsbroer, betonstål D BEB 2

Jordingsbroerne er beregnede til jording, returstrømskredsløb samt potentialudligningen ved anvendelse på banestrækninger. Denne variant monteres flugtende med overfladen og svejses på den armering, der skal jordes, med det bukkede armeringsstål, især ved montering på begrænset plads. Denne jordingsbro har desuden en teknisk godkendelse fra DB Netz AG og kan dermed anvendes planlægningssikkert.

1 produkt

artikelnr. 419020 D BEB 2 / EBS 15-03-19

GTIN 4013364439405, CCT (EU): 85369010, Bruttovægt: 950.00 g, VPE: 1.00 Pakkestørrelse


billeder

Yderligere information

Jordingsbro af betonstål D BEB 2 / EBS 15-03-19
til jording af armeringen af betondele
med godkendelse fra DB Netz AG
Materiale, plade: NIRO
Materiale-nr.: 1.4301
Materiale, bøsning: St / Cu
Materiale, akse: Betonstål B500B
Kortslutningsstrøm: > 25 kA
Teststrøm: 40 kA / 100 ms
Standarder: Ril 997.0205A01
Kortslutningsstrøm (AC 50 Hz/DC): 12,6 kA
Gevind: M16
Diameter, tilslutningsplade: 50 mm
Diameter, betonstål: 16 mm
Monteringshøjde: 160 mm
Længde: 400 mm
DB-tegning nr.: 3 Ebs 15.03.19 - 31

fabrikat: DEHN
Type: D BEB 2 / EBS 15-03-19
artikelnr.: 419020
eller tilsvarende

 

Tekniske data

Materiale, plade NIRO
Materiale-nr. 1.4301
Materiale, bøsning St / Cu
Materiale, akse Betonstål B500B
Kortslutningsstrøm > 25 kA
Teststrøm 40 kA / 100 ms
Standarder Ril 997.0205A01
Kortslutningsstrøm (AC 50 Hz/DC) (1 s; ≤ 300 °C) 12,6 kA
Gevind M16
Diameter, tilslutningsplade 50 mm
Diameter, betonstål 16 mm
Monteringshøjde 160 mm
Længde 400 mm
DB-tegning nr. 3 Ebs 15.03.19 - 31

Produkt 419020 blev tilføjet til notesblok.

Produkt 419020 blev lagt I kurven.


Jordingsbroer, betonstål D BEB 3

Jordingsbroerne er beregnede til jording, returstrømskredsløb samt potentialudligningen ved anvendelse på banestrækninger. Denne variant monteres flugtende med overfladen og svejses på den armering, der skal jordes, med armeringsstålet. Denne jordingsbro har desuden en teknisk godkendelse fra DB Netz AG og kan dermed anvendes planlægningssikkert.

1 produkt

artikelnr. 419030 D BEB 3 / EBS 15-03-19

GTIN 4013364439474, CCT (EU): 85369010, Bruttovægt: 750.00 g, VPE: 1.00 Pakkestørrelse


billeder

Yderligere information

Jordingsbro af betonstål D BEB 3 / EBS 15-03-19
til jording af armeringen af betondele
med godkendelse fra DB Netz AG
Materiale, plade: NIRO
Materiale-nr.: 1.4301
Materiale, bøsning: St / Cu
Materiale, akse: Betonstål B500B
Kortslutningsstrøm: > 25 kA
Teststrøm: 40 kA / 100 ms
Standarder: Ril 997.0205A01
Kortslutningsstrøm (AC 50 Hz/DC): 12,6 kA
Gevind: M16
Diameter, tilslutningsplade: 50 mm
Diameter, betonstål: 16 mm
Længde: 400 mm
DB-tegning nr.: 3 Ebs 15.03.19 - 31

fabrikat: DEHN
Type: D BEB 3 / EBS 15-03-19
artikelnr.: 419030
eller tilsvarende

 

Tekniske data

Materiale, plade NIRO
Materiale-nr. 1.4301
Materiale, bøsning St / Cu
Materiale, akse Betonstål B500B
Kortslutningsstrøm > 25 kA
Teststrøm 40 kA / 100 ms
Standarder Ril 997.0205A01
Kortslutningsstrøm (AC 50 Hz/DC) (1 s; ≤ 300 °C) 12,6 kA
Gevind M16
Diameter, tilslutningsplade 50 mm
Diameter, betonstål 16 mm
Længde 400 mm
DB-tegning nr. 3 Ebs 15.03.19 - 31

Produkt 419030 blev tilføjet til notesblok.

Produkt 419030 blev lagt I kurven.


Jordingsbroer, betonstål D BEB 8

Jordingsbroerne er beregnede til jording, returstrømskredsløb samt potentialudligningen ved anvendelse på banestrækninger. Varianten monteres flugtende med overfladen og svejses på den armering, der skal jordes, med armeringsstålet. Bøsningerne i begge sider betyder, at det er muligt at udføre komponentgennemføringer effektivt og rentabelt. Denne jordingsbro har desuden en teknisk godkendelse fra DB Netz AG og kan dermed anvendes planlægningssikkert.

1 produkt

artikelnr. 419080 D BEB 8 / EBS 15-03-19

GTIN 4013364439566, CCT (EU): 85369010, Bruttovægt: 1.00 kg, VPE: 1.00 Pakkestørrelse


billeder

Yderligere information

Jordingsbro af betonstål D BEB 8 / EBS 15-03-19
til jording af armeringen af betondele
med godkendelse fra DB Netz AG

Materiale, plade: NIRO
Materiale-nr.: 1.4301
Materiale, bøsning: St / Cu
Materiale, akse: Betonstål B500B
Kortslutningsstrøm: > 25 kA
Teststrøm: 40 kA / 100 ms
Standarder: Ril 997.0205A01
Kortslutningsstrøm (AC 50 Hz/DC): 12,6 kA
Gevind: M16
Diameter, tilslutningsplade: 50 mm
Diameter, betonstål: 16 mm
Længde: 500 mm
DB-tegning nr.: 3 Ebs 15.03.19 - 33

fabrikat: DEHN
Type: D BEB 8 / EBS 15-03-19
artikelnr.: 419080
eller tilsvarende

 

Tekniske data

Materiale, plade NIRO
Materiale-nr. 1.4301
Materiale, bøsning St / Cu
Materiale, akse Betonstål B500B
Kortslutningsstrøm > 25 kA
Teststrøm 40 kA / 100 ms
Standarder Ril 997.0205A01
Kortslutningsstrøm (AC 50 Hz/DC) (1 s; ≤ 300 °C) 12,6 kA
Gevind M16
Diameter, tilslutningsplade 50 mm
Diameter, betonstål 16 mm
Længde 500 mm
DB-tegning nr. 3 Ebs 15.03.19 - 33

Produkt 419080 blev tilføjet til notesblok.

Produkt 419080 blev lagt I kurven.


Kobber-kabel-jordingsbroer D BEB 4 / 5

Jordingsbroerne er beregnede til jording, returstrømskredsløb samt potentialudligningen ved anvendelse på banestrækninger. Denne variant monteres flugtende med overfladen og svejses på den armering, der skal jordes, med den forkobrede stållaske, der er presset på kobberkablet. Det fleksible kabel gør det lettere for brugeren at udføre monteringen i armeringen. De specielle FLEX-varianter er særligt egnede ved montering på steder med begrænset plads – her kan der anvendes ekstra fleksible, fintrådede kobberkabler. Disse jordingsbroer har desuden en teknisk godkendelse fra DB Netz AG og kan dermed anvendes planlægningssikkert.
Speciallængder fås på anmodning: samlet længde op til 500 mm i trin på 50 mm og en samlet længde fra 500 mm i trin på 100 mm.

7 produkter

artikelnr. 419040 D BEB 4 / EBS 15-03-19

GTIN 4013364439481, CCT (EU): 85369010, Bruttovægt: 640.00 g, VPE: 1.00 Pakkestørrelse


billeder

Yderligere information

Kobber-kabel-jordingsbro D BEB 4 / EBS 15-03-19
til jording af armeringen af betondele
med godkendelse fra DB Netz AG
Materiale, plade: NIRO
Materiale-nr.: 1.4301
Materiale, bøsning: St / Cu
Materiale, laske: St / Cu
Materiale, kabel: Cu
Kortslutningsstrøm: ≤ 25 kA
Teststrøm: 25 kA / 100 ms
Standarder: Ril 997.0205A01
Kortslutningsstrøm (AC 50 Hz/DC): 7,9 kA
Gevind: M16
Diameter, tilslutningsplade: 50 mm
Kabel: NYY-O
Tværsnit, kabel: 70 mm²
Kabel, diameter: 17 mm
Mål, laske: 80 x 30 mm
Længde: 500 mm
DB-tegning nr.: 3 Ebs 15.03.19 - 32

fabrikat: DEHN
Type: D BEB 4 / EBS 15-03-19
artikelnr.: 419040
eller tilsvarende

 

Tekniske data

Materiale, plade NIRO
Materiale-nr. 1.4301
Materiale, bøsning St / Cu
Materiale, laske St / Cu
Materiale, kabel Cu
Kortslutningsstrøm ≤ 25 kA
Teststrøm 25 kA / 100 ms
Standarder Ril 997.0205A01
Kortslutningsstrøm (AC 50 Hz/DC) (1 s; ≤ 300 °C) 7,9 kA
Gevind M16
Diameter, tilslutningsplade 50 mm
Kabel NYY-O
Tværsnit, kabel 70 mm²
Kabel, diameter 17 mm
Mål, laske 80 x 30 mm
Længde 500 mm
DB-tegning nr. 3 Ebs 15.03.19 - 32

Produkt 419040 blev tilføjet til notesblok.

Produkt 419040 blev lagt I kurven.

artikelnr. 419050 D BEB 5 / EBS 15-03-19

GTIN 4013364439504, CCT (EU): 85369010, Bruttovægt: 710.00 g, VPE: 1.00 Pakkestørrelse


billeder

Yderligere information

Kobber-kabel-jordingsbro D BEB 5 / EBS 15-03-19
til jording af armeringen af betondele
med godkendelse fra DB Netz AG
Materiale, plade: NIRO
Materiale-nr.: 1.4301
Materiale, bøsning: St / Cu
Materiale, laske: St / Cu
Materiale, kabel: Cu
Kortslutningsstrøm: > 25 kA
Teststrøm: 40 kA / 100 ms
Standarder: Ril 997.0205A01
Kortslutningsstrøm (AC 50 Hz/DC): 12,6 kA
Gevind: M16
Diameter, tilslutningsplade: 50 mm
Kabel: NYY-O
Tværsnit, kabel: 95 mm²
Kabel, diameter: 19 mm
Mål, laske: 80 x 30 mm
Længde: 500 mm
DB-tegning nr.: 3 Ebs 15.03.19 - 32

fabrikat: DEHN
Type: D BEB 5 / EBS 15-03-19
artikelnr.: 419050
eller tilsvarende

 

Tekniske data

Materiale, plade NIRO
Materiale-nr. 1.4301
Materiale, bøsning St / Cu
Materiale, laske St / Cu
Materiale, kabel Cu
Kortslutningsstrøm > 25 kA
Teststrøm 40 kA / 100 ms
Standarder Ril 997.0205A01
Kortslutningsstrøm (AC 50 Hz/DC) (1 s; ≤ 300 °C) 12,6 kA
Gevind M16
Diameter, tilslutningsplade 50 mm
Kabel NYY-O
Tværsnit, kabel 95 mm²
Kabel, diameter 19 mm
Mål, laske 80 x 30 mm
Længde 500 mm
DB-tegning nr. 3 Ebs 15.03.19 - 32

Produkt 419050 blev tilføjet til notesblok.

Produkt 419050 blev lagt I kurven.

artikelnr. 419051 D BEB 5-FLEX / EBS 15-03-19

GTIN 4013364439511, CCT (EU): 85369010, Bruttovægt: 640.00 g, VPE: 1.00 Pakkestørrelse


billeder

Yderligere information

Kobber-kabel-jordingsbro D BEB 5-FLEX / EBS 15-03-19
til jording af armeringen af betondele
med godkendelse fra DB Netz AG
Materiale, plade: NIRO
Materiale-nr.: 1.4301
Materiale, bøsning: St / Cu
Materiale, laske: St / Cu
Materiale, kabel: Cu
Kortslutningsstrøm: > 25 kA
Teststrøm: 40 kA / 100 ms
Standarder: Ril 997.0205A01
Kortslutningsstrøm (AC 50 Hz/DC): 12,6 kA
Gevind: M16
Diameter, tilslutningsplade: 50 mm
Kabel: H07V-K
Tværsnit, kabel: 95 mm²
Kabel, diameter: 19 mm
Mål, laske: 80 x 30 mm
Længde: 500 mm
DB-tegning nr.: 3 Ebs 15.03.19 - 32

fabrikat: DEHN
Type: D BEB 5-FLEX / EBS 15-03-19
artikelnr.: 419051
eller tilsvarende

 

Tekniske data

Materiale, plade NIRO
Materiale-nr. 1.4301
Materiale, bøsning St / Cu
Materiale, laske St / Cu
Materiale, kabel Cu
Kortslutningsstrøm > 25 kA
Teststrøm 40 kA / 100 ms
Standarder Ril 997.0205A01
Kortslutningsstrøm (AC 50 Hz/DC) (1 s; ≤ 300 °C) 12,6 kA
Gevind M16
Diameter, tilslutningsplade 50 mm
Kabel H07V-K
Tværsnit, kabel 95 mm²
Kabel, diameter 19 mm
Mål, laske 80 x 30 mm
Længde 500 mm
DB-tegning nr. 3 Ebs 15.03.19 - 32

Produkt 419051 blev tilføjet til notesblok.

Produkt 419051 blev lagt I kurven.

artikelnr. 419501 D BEB 5 - L700 / EBS 15-03-19

GTIN 4013364458390, CCT (EU): 85369010, Bruttovægt: 980.00 g, VPE: 1.00 Pakkestørrelse


billeder

Yderligere information

Kobber-kabel-jordingsbro D BEB 5 / EBS 15-03-19
til jording af armeringen af betondele
med godkendelse fra DB Netz AG
Materiale, plade: NIRO
Materiale-nr.: 1.4301
Materiale, bøsning: St / Cu
Materiale, laske: St / Cu
Materiale, kabel: Cu
Kortslutningsstrøm: > 25 kA
Teststrøm: 40 kA / 100 ms
Standarder: Ril 997.0205A01
Kortslutningsstrøm (AC 50 Hz/DC): 12,6 kA
Gevind: M16
Diameter, tilslutningsplade: 50 mm
Kabel: NYY-O
Tværsnit, kabel: 95 mm²
Kabel, diameter: 19 mm
Mål, laske: 80 x 30 mm
Længde: 700 mm
DB-tegning nr.: 3 Ebs 15.03.19 - 32

fabrikat: DEHN
Type: D BEB 5 - L700 / EBS 15-03-19
artikelnr.: 419501
eller tilsvarende

 

Tekniske data

Materiale, plade NIRO
Materiale-nr. 1.4301
Materiale, bøsning St / Cu
Materiale, laske St / Cu
Materiale, kabel Cu
Kortslutningsstrøm > 25 kA
Teststrøm 40 kA / 100 ms
Standarder Ril 997.0205A01
Kortslutningsstrøm (AC 50 Hz/DC) (1 s; ≤ 300 °C) 12,6 kA
Gevind M16
Diameter, tilslutningsplade 50 mm
Kabel NYY-O
Tværsnit, kabel 95 mm²
Kabel, diameter 19 mm
Mål, laske 80 x 30 mm
Længde 700 mm
DB-tegning nr. 3 Ebs 15.03.19 - 32

Produkt 419501 blev tilføjet til notesblok.

Produkt 419501 blev lagt I kurven.

artikelnr. 419502 D BEB 5 - L1000 / EBS 15-03-19

GTIN 4013364458406, CCT (EU): 85369010, Bruttovægt: 1.40 kg, VPE: 1.00 Pakkestørrelse


billeder

Yderligere information

Kobber-kabel-jordingsbro D BEB 5 / EBS 15-03-19
til jording af armeringen af betondele
med godkendelse fra DB Netz AG
Materiale, plade: NIRO
Materiale-nr.: 1.4301
Materiale, bøsning: St / Cu
Materiale, laske: St / Cu
Materiale, kabel: Cu
Kortslutningsstrøm: > 25 kA
Teststrøm: 40 kA / 100 ms
Standarder: Ril 997.0205A01
Kortslutningsstrøm (AC 50 Hz/DC): 12,6 kA
Gevind: M16
Diameter, tilslutningsplade: 50 mm
Kabel: NYY-O
Tværsnit, kabel: 95 mm²
Kabel, diameter: 19 mm
Mål, laske: 80 x 30 mm
Længde: 1000 mm
DB-tegning nr.: 3 Ebs 15.03.19 - 32

fabrikat: DEHN
Type: D BEB 5 - L1000 / EBS 15-03-19
artikelnr.: 419502
eller tilsvarende

 

Tekniske data

Materiale, plade NIRO
Materiale-nr. 1.4301
Materiale, bøsning St / Cu
Materiale, laske St / Cu
Materiale, kabel Cu
Kortslutningsstrøm > 25 kA
Teststrøm 40 kA / 100 ms
Standarder Ril 997.0205A01
Kortslutningsstrøm (AC 50 Hz/DC) (1 s; ≤ 300 °C) 12,6 kA
Gevind M16
Diameter, tilslutningsplade 50 mm
Kabel NYY-O
Tværsnit, kabel 95 mm²
Kabel, diameter 19 mm
Mål, laske 80 x 30 mm
Længde 1000 mm
DB-tegning nr. 3 Ebs 15.03.19 - 32

Produkt 419502 blev tilføjet til notesblok.

Produkt 419502 blev lagt I kurven.

artikelnr. 419503 D BEB 5 - L1500 / EBS 15-03-19

GTIN 4013364458413, CCT (EU): 85369010, Bruttovægt: 2.10 kg, VPE: 1.00 Pakkestørrelse


billeder

Yderligere information

Kobber-kabel-jordingsbro D BEB 5 / EBS 15-03-19
til jording af armeringen af betondele
med godkendelse fra DB Netz AG
Materiale, plade: NIRO
Materiale-nr.: 1.4301
Materiale, bøsning: St / Cu
Materiale, laske: St / Cu
Materiale, kabel: Cu
Kortslutningsstrøm: > 25 kA
Teststrøm: 40 kA / 100 ms
Standarder: Ril 997.0205A01
Kortslutningsstrøm (AC 50 Hz/DC): 12,6 kA
Gevind: M16
Diameter, tilslutningsplade: 50 mm
Kabel: NYY-O
Tværsnit, kabel: 95 mm²
Kabel, diameter: 19 mm
Mål, laske: 80 x 30 mm
Længde: 1500 mm
DB-tegning nr.: 3 Ebs 15.03.19 - 32

fabrikat: DEHN
Type: D BEB 5 - L1500 / EBS 15-03-19
artikelnr.: 419503
eller tilsvarende

 

Tekniske data

Materiale, plade NIRO
Materiale-nr. 1.4301
Materiale, bøsning St / Cu
Materiale, laske St / Cu
Materiale, kabel Cu
Kortslutningsstrøm > 25 kA
Teststrøm 40 kA / 100 ms
Standarder Ril 997.0205A01
Kortslutningsstrøm (AC 50 Hz/DC) (1 s; ≤ 300 °C) 12,6 kA
Gevind M16
Diameter, tilslutningsplade 50 mm
Kabel NYY-O
Tværsnit, kabel 95 mm²
Kabel, diameter 19 mm
Mål, laske 80 x 30 mm
Længde 1500 mm
DB-tegning nr. 3 Ebs 15.03.19 - 32

Produkt 419503 blev tilføjet til notesblok.

Produkt 419503 blev lagt I kurven.

artikelnr. 419504 D BEB 5 - L2000 / EBS 15-03-19

GTIN 4013364458420, CCT (EU): 85369010, Bruttovægt: 2.80 kg, VPE: 1.00 Pakkestørrelse


billeder

Yderligere information

Kobber-kabel-jordingsbro D BEB 5 / EBS 15-03-19
til jording af armeringen af betondele
med godkendelse fra DB Netz AG
Materiale, plade: NIRO
Materiale-nr.: 1.4301
Materiale, bøsning: St / Cu
Materiale, laske: St / Cu
Materiale, kabel: Cu
Kortslutningsstrøm: > 25 kA
Teststrøm: 40 kA / 100 ms
Standarder: Ril 997.0205A01
Kortslutningsstrøm (AC 50 Hz/DC): 12,6 kA
Gevind: M16
Diameter, tilslutningsplade: 50 mm
Kabel: NYY-O
Tværsnit, kabel: 95 mm²
Kabel, diameter: 19 mm
Mål, laske: 80 x 30 mm
Længde: 2000 mm
DB-tegning nr.: 3 Ebs 15.03.19 - 32

fabrikat: DEHN
Type: D BEB 5 - L2000 / EBS 15-03-19
artikelnr.: 419504
eller tilsvarende

 

Tekniske data

Materiale, plade NIRO
Materiale-nr. 1.4301
Materiale, bøsning St / Cu
Materiale, laske St / Cu
Materiale, kabel Cu
Kortslutningsstrøm > 25 kA
Teststrøm 40 kA / 100 ms
Standarder Ril 997.0205A01
Kortslutningsstrøm (AC 50 Hz/DC) (1 s; ≤ 300 °C) 12,6 kA
Gevind M16
Diameter, tilslutningsplade 50 mm
Kabel NYY-O
Tværsnit, kabel 95 mm²
Kabel, diameter 19 mm
Mål, laske 80 x 30 mm
Længde 2000 mm
DB-tegning nr. 3 Ebs 15.03.19 - 32

Produkt 419504 blev tilføjet til notesblok.

Produkt 419504 blev lagt I kurven.


Kobber-kabel-jordingsbroer D BEB 6 / 7

Jordingsbroerne er beregnede til jording, returstrømskredsløb samt potentialudligningen ved anvendelse på banestrækninger. Denne variant anvendes som jordingsgennemføring af komponenter, idet den monteres flugtende med overfladen i begge sider. Det fleksible kabel gør det lettere for brugeren at udføre monteringen i armeringen. De specielle FLEX-varianter er særligt egnede ved montering på steder med begrænset plads – her kan der anvendes ekstra fleksible, fintrådede kobberkabler. Disse jordingsbroer har desuden en teknisk godkendelse fra DB Netz AG og kan dermed anvendes planlægningssikkert.
Speciallængder fås på anmodning: samlet længde op til 500 mm i trin på 50 mm og en samlet længde fra 500 mm i trin på 100 mm.

4 produkter

artikelnr. 419060 D BEB 6 / EBS 15-03-19

GTIN 4013364439528, CCT (EU): 85369010, Bruttovægt: 600.00 g, VPE: 1.00 Pakkestørrelse


billeder

Yderligere information

Kobber-kabel-jordingsbro D BEB 6 / EBS 15-03-19
til jording af armeringen af betondele
med godkendelse fra DB Netz AG
Materiale, plade: NIRO
Materiale-nr.: 1.4301
Materiale, bøsning: St / Cu
Materiale, kabel: Cu
Kortslutningsstrøm: ≤ 25 kA
Teststrøm: 25 kA / 100 ms
Standarder: Ril 997.0205A01
Kortslutningsstrøm (AC 50 Hz/DC): 7,9 kA
Gevind: M16
Diameter, tilslutningsplade: 50 mm
Kabel: NYY-O
Tværsnit, kabel: 70 mm²
Kabel, diameter: 17 mm
Længde: 500 mm
DB-tegning nr.: 3 Ebs 15.03.19 - 33

fabrikat: DEHN
Type: D BEB 6 / EBS 15-03-19
artikelnr.: 419060
eller tilsvarende

 

Tekniske data

Materiale, plade NIRO
Materiale-nr. 1.4301
Materiale, bøsning St / Cu
Materiale, kabel Cu
Kortslutningsstrøm ≤ 25 kA
Teststrøm 25 kA / 100 ms
Standarder Ril 997.0205A01
Kortslutningsstrøm (AC 50 Hz/DC) (1 s; ≤ 300 °C) 7,9 kA
Gevind M16
Diameter, tilslutningsplade 50 mm
Kabel NYY-O
Tværsnit, kabel 70 mm²
Kabel, diameter 17 mm
Længde 500 mm
DB-tegning nr. 3 Ebs 15.03.19 - 33

Produkt 419060 blev tilføjet til notesblok.

Produkt 419060 blev lagt I kurven.

artikelnr. 419061 D BEB 6-FLEX / EBS 15-03-19

GTIN 4013364439535, CCT (EU): 85369010, Bruttovægt: 530.00 g, VPE: 1.00 Pakkestørrelse


billeder

Yderligere information

Kobber-kabel-jordingsbro D BEB 6-FLEX / EBS 15-03-19
til jording af armeringen af betondele
med godkendelse fra DB Netz AG
Materiale, plade: NIRO
Materiale-nr.: 1.4301
Materiale, bøsning: St / Cu
Materiale, kabel: Cu
Kortslutningsstrøm: ≤ 25 kA
Teststrøm: 25 kA / 100 ms
Standarder: Ril 997.0205A01
Kortslutningsstrøm (AC 50 Hz/DC): 7,9 kA
Gevind: M16
Diameter, tilslutningsplade: 50 mm
Kabel: H07V-K
Tværsnit, kabel: 70 mm²
Kabel, diameter: 17 mm
Længde: 500 mm
DB-tegning nr.: 3 Ebs 15.03.19 - 33

fabrikat: DEHN
Type: D BEB 6-FLEX / EBS 15-03-19
artikelnr.: 419061
eller tilsvarende

 

Tekniske data

Materiale, plade NIRO
Materiale-nr. 1.4301
Materiale, bøsning St / Cu
Materiale, kabel Cu
Kortslutningsstrøm ≤ 25 kA
Teststrøm 25 kA / 100 ms
Standarder Ril 997.0205A01
Kortslutningsstrøm (AC 50 Hz/DC) (1 s; ≤ 300 °C) 7,9 kA
Gevind M16
Diameter, tilslutningsplade 50 mm
Kabel H07V-K
Tværsnit, kabel 70 mm²
Kabel, diameter 17 mm
Længde 500 mm
DB-tegning nr. 3 Ebs 15.03.19 - 33

Produkt 419061 blev tilføjet til notesblok.

Produkt 419061 blev lagt I kurven.

artikelnr. 419070 D BEB 7 / EBS 15-03-19

GTIN 4013364439542, CCT (EU): 85369010, Bruttovægt: 704.50 g, VPE: 1.00 Pakkestørrelse


billeder

Yderligere information

Kobber-kabel-jordingsbro D BEB 7 / EBS 15-03-19
til jording af armeringen af betondele
med godkendelse fra DB Netz AG
Materiale, plade: NIRO
Materiale-nr.: 1.4301
Materiale, bøsning: St / Cu
Materiale, kabel: Cu
Kortslutningsstrøm: > 25 kA
Teststrøm: 40 kA / 100 ms
Standarder: Ril 997.0205A01
Kortslutningsstrøm (AC 50 Hz/DC): 12,6 kA
Gevind: M16
Diameter, tilslutningsplade: 50 mm
Kabel: NYY-O
Tværsnit, kabel: 95 mm²
Kabel, diameter: 19 mm
Længde: 500 mm
DB-tegning nr.: 3 Ebs 15.03.19 - 33

fabrikat: DEHN
Type: D BEB 7 / EBS 15-03-19
artikelnr.: 419070
eller tilsvarende

 

Tekniske data

Materiale, plade NIRO
Materiale-nr. 1.4301
Materiale, bøsning St / Cu
Materiale, kabel Cu
Kortslutningsstrøm > 25 kA
Teststrøm 40 kA / 100 ms
Standarder Ril 997.0205A01
Kortslutningsstrøm (AC 50 Hz/DC) (1 s; ≤ 300 °C) 12,6 kA
Gevind M16
Diameter, tilslutningsplade 50 mm
Kabel NYY-O
Tværsnit, kabel 95 mm²
Kabel, diameter 19 mm
Længde 500 mm
DB-tegning nr. 3 Ebs 15.03.19 - 33

Produkt 419070 blev tilføjet til notesblok.

Produkt 419070 blev lagt I kurven.

artikelnr. 419071 D BEB 7-FLEX / EBS 15-03-19

GTIN 4013364439559, CCT (EU): 85369010, Bruttovægt: 622.00 g, VPE: 1.00 Pakkestørrelse


billeder

Yderligere information

Kobber-kabel-jordingsbro D BEB 7-FLEX / EBS 15-03-19
til jording af armeringen af betondele
med godkendelse fra DB Netz AG
Materiale, plade: NIRO
Materiale-nr.: 1.4301
Materiale, bøsning: St / Cu
Materiale, kabel: Cu
Kortslutningsstrøm: > 25 kA
Teststrøm: 40 kA / 100 ms
Standarder: Ril 997.0205A01
Kortslutningsstrøm (AC 50 Hz/DC): 12,6 kA
Gevind: M16
Diameter, tilslutningsplade: 50 mm
Kabel: H07V-K
Tværsnit, kabel: 95 mm²
Kabel, diameter: 19 mm
Længde: 500 mm
DB-tegning nr.: 3 Ebs 15.03.19 - 33

fabrikat: DEHN
Type: D BEB 7-FLEX / EBS 15-03-19
artikelnr.: 419071
eller tilsvarende

 

Tekniske data

Materiale, plade NIRO
Materiale-nr. 1.4301
Materiale, bøsning St / Cu
Materiale, kabel Cu
Kortslutningsstrøm > 25 kA
Teststrøm 40 kA / 100 ms
Standarder Ril 997.0205A01
Kortslutningsstrøm (AC 50 Hz/DC) (1 s; ≤ 300 °C) 12,6 kA
Gevind M16
Diameter, tilslutningsplade 50 mm
Kabel H07V-K
Tværsnit, kabel 95 mm²
Kabel, diameter 19 mm
Længde 500 mm
DB-tegning nr. 3 Ebs 15.03.19 - 33

Produkt 419071 blev tilføjet til notesblok.

Produkt 419071 blev lagt I kurven.


Kobber-kabel-jordingsbroer D BEB 9 / 10

Jordingsbroerne er beregnede til jording, returstrømskredsløb samt potentialudligningen ved anvendelse på banestrækninger. Denne variant udgør en ikke synlig forbindelse inden for betonen, idet de forkobrede stållasker, der er presset på kobberkablet, svejses på den armering, der skal jordes. Det fleksible kabel gør det lettere for brugeren at udføre monteringen i armeringen. De specielle FLEX-varianter er særligt egnede ved montering på steder med begrænset plads – her kan der anvendes ekstra fleksible, fintrådede kobberkabler. Disse jordingsbroer har desuden en teknisk godkendelse fra DB Netz AG og kan dermed anvendes planlægningssikkert.
Speciallængder fås på anmodning: samlet længde op til 500 mm i trin på 50 mm og en samlet længde fra 500 mm i trin på 100 mm.

5 produkter

artikelnr. 419090 D BEB 9 / EBS 15-03-19

GTIN 4013364439573, CCT (EU): 85369010, Bruttovægt: 640.00 g, VPE: 1.00 Pakkestørrelse


billeder

Yderligere information

Kobber-kabel-jordingsbro D BEB 9 / EBS 15-03-19
til jording af armeringen af betondele
med godkendelse fra DB Netz AG
Materiale, laske: St / Cu
Materiale, kabel: Cu
Kortslutningsstrøm: ≤ 25 kA
Teststrøm: 25 kA / 100 ms
Standarder: Ril 997.0205A01
Kortslutningsstrøm (AC 50 Hz/DC): 7,9 kA
Kabel: NYY-O
Tværsnit, kabel: 70 mm²
Kabel, diameter: 17 mm
Mål, laske: 80 x 30 mm
Længde: 500 mm
DB-tegning nr.: 3 Ebs 15.03.19 - 33

fabrikat: DEHN
Type: D BEB 9 / EBS 15-03-19
artikelnr.: 419090
eller tilsvarende

 

Tekniske data

Materiale, laske St / Cu
Materiale, kabel Cu
Kortslutningsstrøm ≤ 25 kA
Teststrøm 25 kA / 100 ms
Standarder Ril 997.0205A01
Kortslutningsstrøm (AC 50 Hz/DC) (1 s; ≤ 300 °C) 7,9 kA
Kabel NYY-O
Tværsnit, kabel 70 mm²
Kabel, diameter 17 mm
Mål, laske 80 x 30 mm
Længde 500 mm
DB-tegning nr. 3 Ebs 15.03.19 - 33

Produkt 419090 blev tilføjet til notesblok.

Produkt 419090 blev lagt I kurven.

artikelnr. 419091 D BEB 9-FLEX / EBS 15-03-19

GTIN 4013364439580, CCT (EU): 85369010, Bruttovægt: 570.00 g, VPE: 1.00 Pakkestørrelse


billeder

Yderligere information

Kobber-kabel-jordingsbro D BEB 9-FLEX / EBS 15-03-19
til jording af armeringen af betondele
med godkendelse fra DB Netz AG
Materiale, laske: St / Cu
Materiale, kabel: Cu
Kortslutningsstrøm: ≤ 25 kA
Teststrøm: 25 kA / 100 ms
Standarder: Ril 997.0205A01
Kortslutningsstrøm (AC 50 Hz/DC): 7,9 kA
Kabel: H07V-K
Tværsnit, kabel: 70 mm²
Kabel, diameter: 17 mm
Mål, laske: 80 x 30 mm
Længde: 500 mm
DB-tegning nr.: 3 Ebs 15.03.19 - 33

fabrikat: DEHN
Type: D BEB 9-FLEX / EBS 15-03-19
artikelnr.: 419091
eller tilsvarende

 

Tekniske data

Materiale, laske St / Cu
Materiale, kabel Cu
Kortslutningsstrøm ≤ 25 kA
Teststrøm 25 kA / 100 ms
Standarder Ril 997.0205A01
Kortslutningsstrøm (AC 50 Hz/DC) (1 s; ≤ 300 °C) 7,9 kA
Kabel H07V-K
Tværsnit, kabel 70 mm²
Kabel, diameter 17 mm
Mål, laske 80 x 30 mm
Længde 500 mm
DB-tegning nr. 3 Ebs 15.03.19 - 33

Produkt 419091 blev tilføjet til notesblok.

Produkt 419091 blev lagt I kurven.

artikelnr. 419100 D BEB 10 / EBS 15-03-19

GTIN 4013364439597, CCT (EU): 85369010, Bruttovægt: 722.50 g, VPE: 1.00 Pakkestørrelse


billeder

Yderligere information

Kobber-kabel-jordingsbro D BEB 10 / EBS 15-03-19
til jording af armeringen af betondele
med godkendelse fra DB Netz AG
Materiale, laske: St / Cu
Materiale, kabel: Cu
Kortslutningsstrøm: > 25 kA
Teststrøm: 40 kA / 100 ms
Standarder: Ril 997.0205A01
Kortslutningsstrøm (AC 50 Hz/DC): 12,6 kA
Kabel: NYY-O
Tværsnit, kabel: 95 mm²
Kabel, diameter: 19 mm
Mål, laske: 80 x 30 mm
Længde: 500 mm
DB-tegning nr.: 3 Ebs 15.03.19 - 33

fabrikat: DEHN
Type: D BEB 10 / EBS 15-03-19
artikelnr.: 419100
eller tilsvarende

 

Tekniske data

Materiale, laske St / Cu
Materiale, kabel Cu
Kortslutningsstrøm > 25 kA
Teststrøm 40 kA / 100 ms
Standarder Ril 997.0205A01
Kortslutningsstrøm (AC 50 Hz/DC) (1 s; ≤ 300 °C) 12,6 kA
Kabel NYY-O
Tværsnit, kabel 95 mm²
Kabel, diameter 19 mm
Mål, laske 80 x 30 mm
Længde 500 mm
DB-tegning nr. 3 Ebs 15.03.19 - 33

Produkt 419100 blev tilføjet til notesblok.

Produkt 419100 blev lagt I kurven.

artikelnr. 419101 D BEB 10-FLEX / EBS 15-03-19

GTIN 4013364439603, CCT (EU): 85369010, Bruttovægt: 667.00 g, VPE: 1.00 Pakkestørrelse


billeder

Yderligere information

Kobber-kabel-jordingsbro D BEB 10-FLEX / EBS 15-03-19
til jording af armeringen af betondele
med godkendelse fra DB Netz AG
Materiale, laske: St / Cu
Materiale, kabel: Cu
Kortslutningsstrøm: > 25 kA
Teststrøm: 40 kA / 100 ms
Standarder: Ril 997.0205A01
Kortslutningsstrøm (AC 50 Hz/DC): 12,6 kA
Kabel: H07V-K
Tværsnit, kabel: 95 mm²
Kabel, diameter: 19 mm
Mål, laske: 80 x 30 mm
Længde: 500 mm
DB-tegning nr.: 3 Ebs 15.03.19 - 33

fabrikat: DEHN
Type: D BEB 10-FLEX / EBS 15-03-19
artikelnr.: 419101
eller tilsvarende

 

Tekniske data

Materiale, laske St / Cu
Materiale, kabel Cu
Kortslutningsstrøm > 25 kA
Teststrøm 40 kA / 100 ms
Standarder Ril 997.0205A01
Kortslutningsstrøm (AC 50 Hz/DC) (1 s; ≤ 300 °C) 12,6 kA
Kabel H07V-K
Tværsnit, kabel 95 mm²
Kabel, diameter 19 mm
Mål, laske 80 x 30 mm
Længde 500 mm
DB-tegning nr. 3 Ebs 15.03.19 - 33

Produkt 419101 blev tilføjet til notesblok.

Produkt 419101 blev lagt I kurven.

artikelnr. 419505 D BEB 10 - L800 / EBS 15-03-19

GTIN 4013364458437, CCT (EU): 85369010, Bruttovægt: 1.12 kg, VPE: 1.00 Pakkestørrelse


billeder

Yderligere information

Kobber-kabel-jordingsbro D BEB 10 / EBS 15-03-19
til jording af armeringen af betondele
med godkendelse fra DB Netz AG
Materiale, laske: St / Cu
Materiale, kabel: Cu
Kortslutningsstrøm: > 25 kA
Teststrøm: 40 kA / 100 ms
Standarder: Ril 997.0205A01
Kortslutningsstrøm (AC 50 Hz/DC): 12,6 kA
Kabel: NYY-O
Tværsnit, kabel: 95 mm²
Kabel, diameter: 19 mm
Mål, laske: 80 x 30 mm
Længde: 800 mm
DB-tegning nr.: 3 Ebs 15.03.19 - 33

fabrikat: DEHN
Type: D BEB 10 - L800 / EBS 15-03-19
artikelnr.: 419505
eller tilsvarende

 

Tekniske data

Materiale, laske St / Cu
Materiale, kabel Cu
Kortslutningsstrøm > 25 kA
Teststrøm 40 kA / 100 ms
Standarder Ril 997.0205A01
Kortslutningsstrøm (AC 50 Hz/DC) (1 s; ≤ 300 °C) 12,6 kA
Kabel NYY-O
Tværsnit, kabel 95 mm²
Kabel, diameter 19 mm
Mål, laske 80 x 30 mm
Længde 800 mm
DB-tegning nr. 3 Ebs 15.03.19 - 33

Produkt 419505 blev tilføjet til notesblok.

Produkt 419505 blev lagt I kurven.


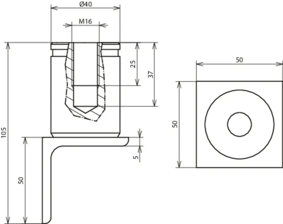
Jordingsforbinder til jording af store rør D BEB 11

Jordingsbroerne er beregnede til jording, returstrømskredsløb samt potentialudligningen ved anvendelse på banestrækninger. Varianten til jording af store rør er beregnet til anvendelse ved pæle- og storrørsfundamenter. Produktet består af et kobberkabel med påpresset bøsning og NIRO-tilslutningsplade med integrerede borehuller til fastgørelse i forskallingen i den ene ende samt en kabelsko i den modsatte ende. Kabelskoen er beregnet til at danne en kortslutningsstrømsikker forbindelse til pæle- eller storrørsfundament. Det fleksible kabel gør det lettere for brugeren at udføre monteringen i armeringen. Denne jordingsbro har desuden en teknisk godkendelse fra DB Netz AG og kan dermed anvendes planlægningssikkert.
Speciallængder fås på anmodning: samlet længde op til 500 mm i trin på 50 mm og en samlet længde fra 500 mm i trin på 100 mm.

2 produkter

artikelnr. 419110 D BEB 11 / EBS 15-03-27

GTIN 4013364439665, CCT (EU): 85369010, Bruttovægt: 640.00 g, VPE: 1.00 Pakkestørrelse


billeder

Yderligere information

Jordingsbro til jording af store rør D BEB 11 / EBS 15-03-27
til jording af armeringen af betondele
med godkendelse fra DB Netz AG
Materiale, plade: NIRO
Materiale-nr.: 1.4301
Materiale, bøsning: St / Cu
Materiale, kabelsko: Cu/gal Sn
Materiale, kabel: Cu
Kortslutningsstrøm: ≤ 25 kA
Teststrøm: 25 kA / 100 ms
Standarder: Ril 997.0205A01
Kortslutningsstrøm (AC 50 Hz/DC): 7,9 kA
Gevind: M16
Diameter, tilslutningsplade: 50 mm
Kabel: NYY-O
Tværsnit, kabel: 70 mm²
Kabel, diameter: 17 mm
Borehul kabelsko: 13 mm
Længde: 500 mm
DB-tegning nr.: 4 Ebs 15.03.27 - 2

fabrikat: DEHN
Type: D BEB 11 / EBS 15-03-27
artikelnr.: 419110
eller tilsvarende

 

Tekniske data

Materiale, plade NIRO
Materiale-nr. 1.4301
Materiale, bøsning St / Cu
Materiale, kabelsko Cu /gal Sn
Materiale, kabel Cu
Kortslutningsstrøm ≤ 25 kA
Teststrøm 25 kA / 100 ms
Standarder Ril 997.0205A01
Kortslutningsstrøm (AC 50 Hz/DC) (1 s; ≤ 300 °C) 7,9 kA
Gevind M16
Diameter, tilslutningsplade 50 mm
Kabel NYY-O
Tværsnit, kabel 70 mm²
Kabel, diameter 17 mm
Borehul kabelsko 13 mm
Længde 500 mm
DB-tegning nr. 4 Ebs 15.03.27 - 2

Produkt 419110 blev tilføjet til notesblok.

Produkt 419110 blev lagt I kurven.

artikelnr. 419506 D BEB 11 - L1000 / EBS 15-03-27

GTIN 4013364458444, CCT (EU): 85369010, Bruttovægt: 1.10 kg, VPE: 1.00 Pakkestørrelse


billeder

Yderligere information

Jordingsbro til jording af store rør D BEB 11 / EBS 15-03-27
til jording af armeringen af betondele
med godkendelse fra DB Netz AG
Materiale, plade: NIRO
Materiale-nr.: 1.4301
Materiale, bøsning: St / Cu
Materiale, kabelsko: Cu/gal Sn
Materiale, kabel: Cu
Kortslutningsstrøm: ≤ 25 kA
Teststrøm: 25 kA / 100 ms
Standarder: Ril 997.0205A01
Kortslutningsstrøm (AC 50 Hz/DC): 7,9 kA
Gevind: M16
Diameter, tilslutningsplade: 50 mm
Kabel: NYY-O
Tværsnit, kabel: 70 mm²
Kabel, diameter: 17 mm
Borehul kabelsko: 13 mm
Længde: 1000 mm
DB-tegning nr.: 4 Ebs 15.03.27 - 2

fabrikat: DEHN
Type: D BEB 11 - L1000 / EBS 15-03-27
artikelnr.: 419506
eller tilsvarende

 

Tekniske data

Materiale, plade NIRO
Materiale-nr. 1.4301
Materiale, bøsning St / Cu
Materiale, kabelsko Cu /gal Sn
Materiale, kabel Cu
Kortslutningsstrøm ≤ 25 kA
Teststrøm 25 kA / 100 ms
Standarder Ril 997.0205A01
Kortslutningsstrøm (AC 50 Hz/DC) (1 s; ≤ 300 °C) 7,9 kA
Gevind M16
Diameter, tilslutningsplade 50 mm
Kabel NYY-O
Tværsnit, kabel 70 mm²
Kabel, diameter 17 mm
Borehul kabelsko 13 mm
Længde 1000 mm
DB-tegning nr. 4 Ebs 15.03.27 - 2

Produkt 419506 blev tilføjet til notesblok.

Produkt 419506 blev lagt I kurven.


Jordingsforbinder til jording af store rør D BEB 40

Jordingsforbinderne er beregnede til jording, returstrømskredsløb samt potentialudligningen ved anvendelse omkring banestrækninger. Varianten til jording af store rør er udformet til anvendelse ved pæle- og storrørsfundamenter. Produktet består af et stålkabel med en forkobret stållaske i den ene ende samt en kabelsko i den modsatte ende. En krympeslange på siden af påsvejsningslasken forhindrer, at der trænger vand ind i stålkablet. Stålkablet udgør således en præventiv tyveribeskyttelse. Denne jordingsforbinder har desuden en teknisk godkendelse fra DB Netz AG og kan dermed anvendes planlægningssikkert.
Speciallængder fås på anmodning: samlet længde op til 500 mm i trin på 50 mm og en samlet længde fra 500 mm i trin på 100 mm.

1 produkt

artikelnr. 419400 D BEB 40 / EBS 15-03-25

GTIN 4013364439672, CCT (EU): 85359000, Bruttovægt: 700.00 g, VPE: 1.00 Pakkestørrelse


billeder

Yderligere information

Jordingsbro til jording af store rør D BEB 40 / EBS 15-03-25
til jording af armeringen af betondele
med godkendelse fra DB Netz AG
Materiale, laske: St / Cu
Materiale, kabelsko: Cu/gal Sn
Materiale, kabel: St
Kortslutningsstrøm: ≤ 25 kA
Teststrøm: 25 kA / 100 ms
Standarder: Ril 997.0205A01
Kortslutningsstrøm (AC 50 Hz/DC): 7,9 kA
Tværsnit, kabel: 95 mm²
Kabel, diameter: 17 mm
Mål, laske: 80 x 30 mm
Borehul kabelsko: 17 mm
Længde: 500 mm
DB-tegning nr.: 4 Ebs 15.03.25 - 4

fabrikat: DEHN
Type: D BEB 40 / EBS 15-03-25
artikelnr.: 419400
eller tilsvarende

 

Tekniske data

Materiale, laske St / Cu
Materiale, kabelsko Cu /gal Sn
Materiale, kabel St
Kortslutningsstrøm ≤ 25 kA
Teststrøm 25 kA / 100 ms
Standarder Ril 997.0205A01
Kortslutningsstrøm (AC 50 Hz/DC) (1 s; ≤ 300 °C) 7,9 kA
Tværsnit, kabel 95 mm²
Kabel, diameter 17 mm
Mål, laske 80 x 30 mm
Borehul kabelsko 17 mm
Længde 500 mm
DB-tegning nr. 4 Ebs 15.03.25 - 4

Produkt 419400 blev tilføjet til notesblok.

Produkt 419400 blev lagt I kurven.


Stålkabel-jordingsforbinder D BEB 26

Jordingsforbinderne er beregnede til jording, returstrømskredsløb samt potentialudligningen ved anvendelse omkring banestrækninger. Den halogenfrie (kappe-)variant D BEB 26 - til udvendig forbindelse af jordingspunkter eller dele, der skal jordes, har et stålkabel som jordingsleder og udgør således en præventiv tyverisikring. Denne jordingsforbinder har desuden en teknisk godkendelse fra DB Netz AG og kan dermed anvendes planlægningssikkert.
Speciallængder fås på anmodning: samlet længde op til 500 mm i trin på 50 mm og en samlet længde fra 500 mm i trin på 100 mm.

1 produkt

artikelnr. 419260 D BEB 26 / EBS 15-03-17

GTIN 4013364439610, CCT (EU): 85359000, Bruttovægt: 630.00 g, VPE: 1.00 Pakkestørrelse


billeder

Yderligere information

Stålkabel-jordingsforbinder D BEB 26 / EBS 15-03-17
til jording af armeringen af betondele
med godkendelse fra DB Netz AG
Materiale, kabelsko: Cu/gal Sn
Materiale, kabel: St
Kortslutningsstrøm: ≤ 25 kA
Teststrøm: 25 kA / 100 ms
Standarder: Ril 997.0205A01
Kortslutningsstrøm (AC 50 Hz/DC): 7,9 kA
Kabel: 1-12-12 B 350 sZ PE
Tværsnit, kabel: ≥ 95 mm²
Udgave: halogenfri
Kabel, diameter: 17 mm
Borehul kabelsko: 17 mm
Længde: 500 mm
DB-tegning nr.: 3 Ebs 15.03.17 - 11

fabrikat: DEHN
Type: D BEB 26 / EBS 15-03-17
artikelnr.: 419260
eller tilsvarende

 

Tekniske data

Materiale, kabelsko Cu /gal Sn
Materiale, kabel St
Kortslutningsstrøm ≤ 25 kA
Teststrøm 25 kA / 100 ms
Standarder Ril 997.0205A01
Kortslutningsstrøm (AC 50 Hz/DC) (1 s; ≤ 300 °C) 7,9 kA
Kabel 1-12-12 B 350 sZ PE
Tværsnit, kabel ≥ 95 mm²
Udgave halogenfri
Kabel, diameter 17 mm
Borehul kabelsko 17 mm
Længde 500 mm
DB-tegning nr. 3 Ebs 15.03.17 - 11

Produkt 419260 blev tilføjet til notesblok.

Produkt 419260 blev lagt I kurven.


CuStAl-kabelforbinder D BEB 29

Jordingsforbinderne er beregnede til jording, returstrømskredsløb samt potentialudligningen ved anvendelse omkring banestrækninger. Den halogenfrie variant D BEB 29 eller den halogenfrie og flammehæmmende variant D BEB 29-NF til udvendig forbindelse af jordingspunkter og andre tilslutningselementer udføres med en kabelskoversion til M16-tilslutninger. Denne jordingsforbinder består af et kobber-stål-aluminium-kabel og udgør således en præventiv tyveribeskyttelse. Denne jordingsbro har desuden en teknisk godkendelse fra DB Netz AG og kan dermed anvendes planlægningssikkert. Med den halogenfrie og flammehæmmende version er anvendelse i tunneller iht. EU-forordning mulig.
Speciallængder fås på anmodning: samlet længde op til 500 mm i trin på 50 mm og en samlet længde fra 500 mm i trin på 100 mm.

6 produkter

artikelnr. 419290 D BEB 29 / EBS 15-03-17

GTIN 4013364439627, CCT (EU): 85359000, Bruttovægt: 390.00 g, VPE: 1.00 Pakkestørrelse


billeder

Yderligere information

Kobber-stål-aluminium-kabel-jordingsforbinder
D BEB 29 / EBS 15-03-17
til jording af armeringen af betondele
med godkendelse fra DB Netz AG
Materiale, kabelsko: Cu/gal Sn
Materiale, kabel: CuStAl
Kortslutningsstrøm: > 25 kA
Teststrøm: 40 kA / 100 ms
Standarder: Ril 997.0205A01
Kortslutningsstrøm (AC 50 Hz/DC): 12,6 kA
Kabel: (N)2X RF CuStAl
Tværsnit, kabel: ≥ 70 mm²
Udgave: halogenfri
Kabel, diameter: 17 mm
Borehul kabelsko: 17 mm
Længde: 500 mm
DB-tegning nr.: 4 Ebs 15.03.17 - 6 (Bayka)

fabrikat: DEHN
Type: D BEB 29 / EBS 15-03-17
artikelnr.: 419290
eller tilsvarende

 

Tekniske data

Materiale, kabelsko Cu /gal Sn
Materiale, kabel Cu St Al
Kortslutningsstrøm > 25 kA
Teststrøm 40 kA / 100 ms
Standarder Ril 997.0205A01
Kortslutningsstrøm (AC 50 Hz/DC) (1 s; ≤ 300 °C) 12,6 kA
Kabel (N)2X RF Cu St Al
Tværsnit, kabel ≥ 70 mm²
Udgave halogenfri
Kabel, diameter 17 mm
Borehul kabelsko 17 mm
Længde 500 mm
DB-tegning nr. 4 Ebs 15.03.17 - 6 (Bayka)

Produkt 419290 blev tilføjet til notesblok.

Produkt 419290 blev lagt I kurven.

artikelnr. 419291 D BEB 29-NF / EBS 15-03-17

GTIN 4013364439634, CCT (EU): 85359000, Bruttovægt: 410.00 g, VPE: 1.00 Pakkestørrelse


billeder

Yderligere information

Kobber-stål-aluminium-kabel-jordingsforbinder
D BEB 29-NF / EBS 15-03-17
til jording af armeringen af betondele
med godkendelse fra DB Netz AG
Materiale, kabelsko: Cu/gal Sn
Materiale, kabel: CuStAl
Kortslutningsstrøm: > 25 kA
Teststrøm: 40 kA / 100 ms
Standarder: Ril 997.0205A01
Kortslutningsstrøm (AC 50 Hz/DC): 12,6 kA
Kabel: B2ca RF CuStAl
Tværsnit, kabel: ≥ 70 mm²
Udgave: halogenfri og flammehæmmende
Kabel, diameter: 17 mm
Borehul kabelsko: 17 mm
Længde: 500 mm
DB-tegning nr.: 4 Ebs 15.03.17 - 6 (Bayka)

fabrikat: DEHN
Type: D BEB 29-NF / EBS 15-03-17
artikelnr.: 419291
eller tilsvarende

 

Tekniske data

Materiale, kabelsko Cu /gal Sn
Materiale, kabel Cu St Al
Kortslutningsstrøm > 25 kA
Teststrøm 40 kA / 100 ms
Standarder Ril 997.0205A01
Kortslutningsstrøm (AC 50 Hz/DC) (1 s; ≤ 300 °C) 12,6 kA
Kabel B2ca RF Cu St Al
Tværsnit, kabel ≥ 70 mm²
Udgave halogenfri og flammehæmmende
Kabel, diameter 17 mm
Borehul kabelsko 17 mm
Længde 500 mm
DB-tegning nr. 4 Ebs 15.03.17 - 6 (Bayka)

Produkt 419291 blev tilføjet til notesblok.

Produkt 419291 blev lagt I kurven.

artikelnr. 419511 D BEB 29 M12 M16 / EBS 15-03-17

GTIN 4013364480513, CCT (EU): 85359000, Bruttovægt: 410.00 g, VPE: 1.00 Pakkestørrelse


billeder

Yderligere information

Kobber-stål-aluminium-kabel-jordingsforbinder
D BEB 29 M12 M16 / EBS 15-03-17
til jording af komponenter (M16) eller skinne (M12)
med godkendelse fra DB Netz AG
Materiale, kabelsko: Cu/gal Sn
Materiale, kabel: CuStAl
Kortslutningsstrøm: > 25 kA
Teststrøm: 40 kA / 100 ms
Standarder: Ril 997.0205A01
Kortslutningsstrøm (AC 50 Hz/DC): 12,6 kA
Kabel: (N)2X RF CuStAl
Tværsnit, kabel: ≥ 70 mm²
Udgave: halogenfri
Kabel, diameter: 17 mm
Borehul kabelsko: 13 mm til M12 og 17 mm til M16
Længde: 500 mm
DB-tegning nr.: 4 Ebs 15.03.17 - 6 (Bayka)

fabrikat: DEHN
Type: D BEB 29 M12 M16 / EBS 15-03-17
artikelnr.: 419511
eller tilsvarende

 

Tekniske data

Materiale, kabelsko Cu /gal Sn
Materiale, kabel Cu St Al
Kortslutningsstrøm > 25 kA
Teststrøm 40 kA / 100 ms
Standarder Ril 997.0205A01
Kortslutningsstrøm (AC 50 Hz/DC) (1 s; ≤ 300 °C) 12,6 kA
Kabel (N)2X RF Cu St Al
Tværsnit, kabel ≥ 70 mm²
Udgave halogenfri
Kabel, diameter 17 mm
Borehul kabelsko 13 mm til M12 og 17 mm til M16
Længde 500 mm
DB-tegning nr. 4 Ebs 15.03.17 - 6 (Bayka)

Produkt 419511 blev tilføjet til notesblok.

Produkt 419511 blev lagt I kurven.

artikelnr. 419512 D BEB 29-NF M12 M16 / EBS 15-03-17

GTIN 4013364480520, CCT (EU): 85359000, Bruttovægt: 410.00 g, VPE: 1.00 Pakkestørrelse


billeder

Yderligere information

Kobber-stål-aluminium-kabel-jordingsforbinder
D BEB 29-NF / EBS 15-03-17
til jording af armeringen af betondele
med godkendelse fra DB Netz AG
Materiale, kabelsko: Cu/gal Sn
Materiale, kabel: CuStAl
Kortslutningsstrøm: > 25 kA
Teststrøm: 40 kA / 100 ms
Standarder: Ril 997.0205A01
Kortslutningsstrøm (AC 50 Hz/DC): 12,6 kA
Kabel: B2ca RF CuStAl
Tværsnit, kabel: ≥ 70 mm²
Udgave: halogenfri og flammehæmmende
Kabel, diameter: 17 mm
Borehul kabelsko: 13 mm til M12 og 17 mm til M16
Længde: 500 mm
DB-tegning nr.: 4 Ebs 15.03.17 - 6 (Bayka)

fabrikat: DEHN
Type: D BEB 29-NF M12 M16 / EBS 15-03-17
artikelnr.: 419512
eller tilsvarende

 

Tekniske data

Materiale, kabelsko Cu /gal Sn
Materiale, kabel Cu St Al
Kortslutningsstrøm > 25 kA
Teststrøm 40 kA / 100 ms
Standarder Ril 997.0205A01
Kortslutningsstrøm (AC 50 Hz/DC) (1 s; ≤ 300 °C) 12,6 kA
Kabel B2ca RF Cu St Al
Tværsnit, kabel ≥ 70 mm²
Udgave halogenfri og flammehæmmende
Kabel, diameter 17 mm
Borehul kabelsko 13 mm til M12 og 17 mm til M16
Længde 500 mm
DB-tegning nr. 4 Ebs 15.03.17 - 6 (Bayka)

Produkt 419512 blev tilføjet til notesblok.

Produkt 419512 blev lagt I kurven.

artikelnr. 419513 D BEB 29 R / EBS 15-03-17

GTIN 4013364480506, CCT (EU): 85359000, Bruttovægt: 410.00 g, VPE: 1.00 Pakkestørrelse


billeder

Yderligere information

Kobber-stål-aluminium-kabel-jordingsforbinder
Højredrejet version
D BEB 29 R / EBS 15-03-17
til jording af armeringen af betondele
med godkendelse fra DB Netz AG
Materiale, kabelsko: Cu/gal Sn
Materiale, kabel: CuStAl
Kortslutningsstrøm: > 25 kA
Teststrøm: 40 kA / 100 ms
Standarder: Ril 997.0205A01
Kortslutningsstrøm (AC 50 Hz/DC): 12,6 kA
Kabel: (N)2X RF CuStAl
Tværsnit, kabel: ≥ 70 mm²
Udgave: halogenfri
Kabel, diameter: 17 mm
Borehul kabelsko: 17 mm
Type kabelsko: Drejet 90° til højre
Længde: 500 mm
DB-tegning nr.: 4 Ebs 15.03.17 - 6 (Bayka)

fabrikat: DEHN
Type: D BEB 29 R / EBS 15-03-17
artikelnr.: 419513
eller tilsvarende

 

Tekniske data

Materiale, kabelsko Cu /gal Sn
Materiale, kabel Cu St Al
Kortslutningsstrøm > 25 kA
Teststrøm 40 kA / 100 ms
Standarder Ril 997.0205A01
Kortslutningsstrøm (AC 50 Hz/DC) (1 s; ≤ 300 °C) 12,6 kA
Kabel (N)2X RF Cu St Al
Tværsnit, kabel ≥ 70 mm²
Udgave halogenfri
Kabel, diameter 17 mm
Borehul kabelsko 17 mm
Type kabelsko Drejet 90° til højre
Længde 500 mm
DB-tegning nr. 4 Ebs 15.03.17 - 6 (Bayka)

Produkt 419513 blev tilføjet til notesblok.

Produkt 419513 blev lagt I kurven.

artikelnr. 419514 D BEB 29 L / EBS 15-03-17

GTIN 4013364480537, CCT (EU): 85359000, Bruttovægt: 410.00 g, VPE: 1.00 Pakkestørrelse


billeder

Yderligere information

Kobber-stål-aluminium-kabel-jordingsforbinder
Venstredrejet version
D BEB 29 R / EBS 15-03-17
til jording af armeringen af betondele
med godkendelse fra DB Netz AG
Materiale, kabelsko: Cu/gal Sn
Materiale, kabel: CuStAl
Kortslutningsstrøm: > 25 kA
Teststrøm: 40 kA / 100 ms
Standarder: Ril 997.0205A01
Kortslutningsstrøm (AC 50 Hz/DC): 12,6 kA
Kabel: (N)2X RF CuStAl
Tværsnit, kabel: ≥ 70 mm²
Udgave: halogenfri
Kabel, diameter: 17 mm
Borehul kabelsko: 17 mm
Type kabelsko: Drejet 90° til venstre
Længde: 500 mm
DB-tegning nr.: 4 Ebs 15.03.17 - 6 (Bayka)

fabrikat: DEHN
Type: D BEB 29 L / EBS 15-03-17
artikelnr.: 419514
eller tilsvarende

 

Tekniske data

Materiale, kabelsko Cu /gal Sn
Materiale, kabel Cu St Al
Kortslutningsstrøm > 25 kA
Teststrøm 40 kA / 100 ms
Standarder Ril 997.0205A01
Kortslutningsstrøm (AC 50 Hz/DC) (1 s; ≤ 300 °C) 12,6 kA
Kabel (N)2X RF Cu St Al
Tværsnit, kabel ≥ 70 mm²
Udgave halogenfri
Kabel, diameter 17 mm
Borehul kabelsko 17 mm
Type kabelsko Drejet 90° til venstre
Længde 500 mm
DB-tegning nr. 4 Ebs 15.03.17 - 6 (Bayka)

Produkt 419514 blev tilføjet til notesblok.

Produkt 419514 blev lagt I kurven.


Klæbepude

Klæbepuden anvendes til at fastgøre banejordingsprodukterne på forskallingen ved hjælp af en klæbeforbindelse. Klæbepuden kan klæbes på NIRO-tilslutningspladen på D BEB 0 for derefter at blive forbundet med selve forskallingen.

1 produkt

artikelnr. 419900 D KLP D50 BEB

GTIN 4013364439641, CCT (EU): 39191080, Bruttovægt: 2.00 g, VPE: 1.00 Pakkestørrelse


billeder

Yderligere information

Klæbepude D KLP D50 BEB
til banejordingsprodukter D BEB 0-x
Diameter: 50 mm
Diameter: 50 mm

fabrikat: DEHN
Type: D KLP D50 BEB
artikelnr.: 419900
eller tilsvarende

 

Tekniske data

Diameter 50 mm

Produkt 419900 blev tilføjet til notesblok.

Produkt 419900 blev lagt I kurven.


Jordingsmærkat

Jordingsmærkaten er beregnet som reservedel til mærkning af banejordingsprodukter i monteret tilstand. Denne kan let klæbes på NIRO-tilslutningspladen. En sådan mærkning kan foretages for jordingsbroerne D BEB 1 til 8 samt for varianten D BEB 11 til jording af storrør, hvis den mærkat, der er anbragt på fabrikken, ikke længere forefindes, eller hvis den er beskadiget.

1 produkt

artikelnr. 419901 D EAK D50 BEB

GTIN 4013364439658, CCT (EU): 39191080, Bruttovægt: 3.00 g, VPE: 1.00 Pakkestørrelse


billeder

Yderligere information

Jordingsmærkat D EAK D50 BEB
som mærkning til banejordingsprodukter
Diameter: 50 mm
Diameter: 50 mm

fabrikat: DEHN
Type: D EAK D50 BEB
artikelnr.: 419901
eller tilsvarende

 

Tekniske data

Diameter 50 mm

Produkt 419901 blev tilføjet til notesblok.

Produkt 419901 blev lagt I kurven.


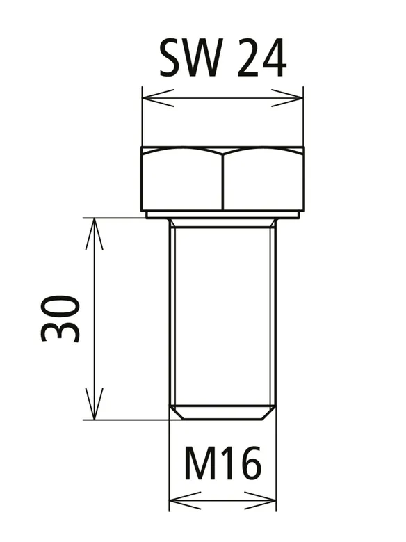
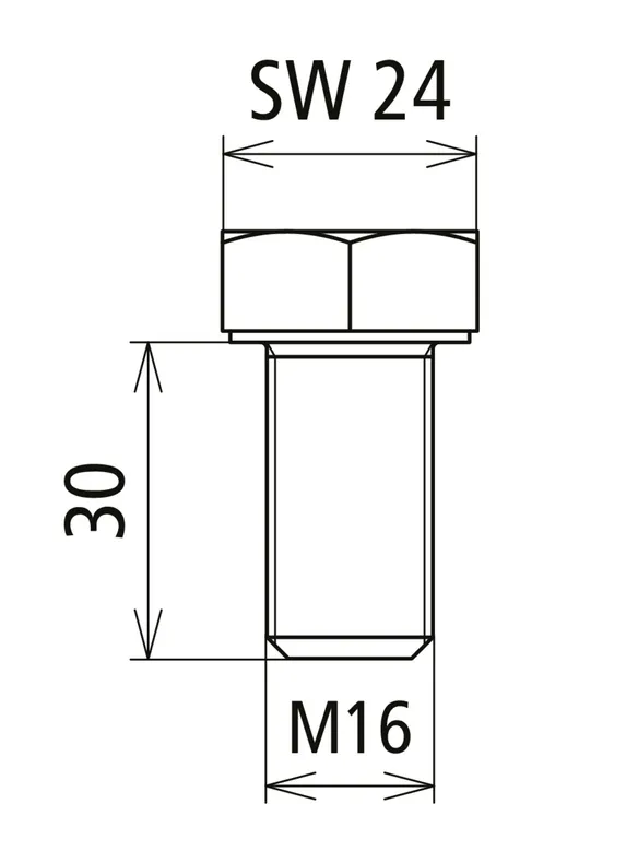
Sekskantskrue

1 produkt

artikelnr. 419902 D SKS M16X30 V4A

GTIN 4013364439689, CCT (EU): 85389099, Bruttovægt: 76.89 g, VPE: 1.00 Pakkestørrelse


billeder

Yderligere information

Sekskantskrue D SKS M16X30 V2A
Materiale: NIRO A4-70
Gevind: M16 x 30 mm
Materiale: NIRO (V4A)
Gevind: M16 x 30 mm

fabrikat: DEHN
Type: D SKS M16X30 V4A
artikelnr.: 419902
eller tilsvarende

 

Tekniske data

Materiale NIRO (V4A)
Gevind M16 x 30 mm

Produkt 419902 blev tilføjet til notesblok.

Produkt 419902 blev lagt I kurven.


Sekskantet møtrik

1 produkt

artikelnr. 419903 D SKM M16 V4A

GTIN 4013364439696, CCT (EU): 73181639, Bruttovægt: 28.98 g, VPE: 1.00 Pakkestørrelse


billeder

Yderligere information

Sekskantmøtrik D SKM M16 V2A
Materiale: NIRO A4-70
Gevind: M16
Materiale: NIRO (V4A)
Gevind: M16

fabrikat: DEHN
Type: D SKM M16 V4A
artikelnr.: 419903
eller tilsvarende

 

Tekniske data

Materiale NIRO (V4A)
Gevind M16

Produkt 419903 blev tilføjet til notesblok.

Produkt 419903 blev lagt I kurven.


Spændeskive

1 produkt

artikelnr. 419904 D SCH A17 V4A

GTIN 4013364439702, CCT (EU): 85389099, Bruttovægt: 9.10 g, VPE: 1.00 Pakkestørrelse


billeder

Yderligere information

Skive D SCH A17 V2A
Materiale: NIRO A4-70
Udvendig diameter: 30 mm
Indvendig diameter: 17 mm
Materiale: NIRO (V4A)
Udvendig diameter: 30 mm
Indvendig diameter: 17 mm

fabrikat: DEHN
Type: D SCH A17 V4A
artikelnr.: 419904
eller tilsvarende

 

Tekniske data

Materiale NIRO (V4A)
Udvendig diameter 30 mm
Indvendig diameter 17 mm

Produkt 419904 blev tilføjet til notesblok.

Produkt 419904 blev lagt I kurven.


back to top