Kortslutter DASD 45

  • DASD: DEHN Advanced Solid-State Decoupler
  • Beskyttelse ved transiente, midlertidige og vedvarende overspændinger
  • Høj afledeevne
  • Fail-safe-funktion
  • Integreret testbøsning
  • Kan anvendes udendørs

DASD 45 LP 100 T

1 produkt

artikelnr. 923402 DASD 45 LP 100 T

GTIN 4013364442269, CCT (EU): 85363030, Bruttovægt: 3.69 kg, VPE: 1.00 Pakkestørrelse


billeder

Yderligere information

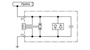
Kapacitiv kortslutter DASD
Kapacitiv kortslutter
til beskyttelse ved transiente, midlertidige og stationære overspændinger
Transient arbejdsstrøm: (10/350 us): 75 kA
Afledestrøm midlertidig (16,7 Hz, 50 Hz, 60 Hz): 3,7 kAeff (til 200 ms)
Afledestrøm stationær (16,7 Hz, 50 Hz, 60 Hz): 45 A (konstant)
Med integreret testbøsning
Kan anvendes udendørs

fabrikat: DEHN
Type: DASD 45 LP 100 T
artikelnr.: 923402
eller tilsvarende

Certificater

 

Tekniske data

Transient afledestrøm (10/350 µs) 75 kA
Transient afledestrøm (8/20 µs) 100 kA
Midlertidig afledestrøm (16,7 Hz, 50 Hz, 60 Hz) 5,0 kArms (op til 40 ms)
Midlertidig afledestrøm (16,7 Hz, 50 Hz, 60 Hz) 3,7 kArms (op til 200 ms)
Midlertidig afledestrøm (16,7 Hz, 50 Hz, 60 Hz) 2,0 kArms (op til 600 ms)
Vedvarende afledestrøm (16,7 Hz, 50 Hz, 60 Hz) 45 Arms
Transient begrænset spænding (op til 1 ms) ≤ 1,35 kV
Vedvarende begrænset spænding (> 600 ms) ≤ 3 V
IECEx-godkendelser IECEx TUR 22.0029X
Ex-mærkning iht. EN 60079-0 og EN 60079-7 Ex ec IIC T4 Gc

Produkt 923402 blev tilføjet til notesblok.

Produkt 923402 blev lagt I kurven.


DASD 45 5 LP 1 T

1 produkt

artikelnr. 923406 DASD 45 5 LP 1 T

GTIN 4013364509504, CCT (EU): 85363030, Bruttovægt: 8.00 kg, VPE: 1.00 Pakkestørrelse


billeder

Yderligere information

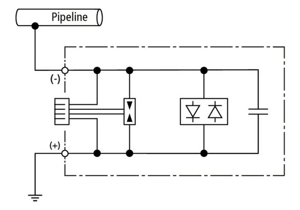
DC-kortslutter DASD
til beskyttelse ved transiente, midlertidige og stationære overspændinger
Transient arbejdsstrøm: (10/350 us): 100 kA
Transient arbejdsstrøm: (8/20 us): 100 kA
Afledestrøm midlertidig (16,7 Hz, 50 Hz, 60 Hz): 5,0 kAeff (til 600 ms)
Afledestrøm stationær (16,7 Hz, 50 Hz, 60 Hz): 45 A (konstant)
Maks. tilladt DC-spænding - 2 V / + 1 V
Med integreret testbøsning

fabrikat: DEHN
Type: DASD 45 5 LP 1 T
artikelnr.: 923406
eller tilsvarende

Certificater

 

Tekniske data

Transient afledestrøm (10/350 µs) 100 kA
Transient afledestrøm (8/20 µs) 100 kA
Midlertidig afledestrøm (50 Hz, 60 Hz) 5 kAeff (op til 600 ms)
Vedvarende afledestrøm (50 Hz, 60 Hz) 45 Aeff
Transient begrænset spænding (op til 1 ms) ≤ 5,2 kV
*Denne test udføres for at måle enhver lækstrøm over kondensatoren ved en temperatur på 20 °C, med en påført DC-spænding på 0,5 V og efter en stabilisationstid på 1 time.

Produkt 923406 blev tilføjet til notesblok.

Produkt 923406 blev lagt I kurven.


DASD 45 5 LP 2 T

1 produkt

artikelnr. 923408 DASD 45 5 LP 2 T

GTIN 4013364520783, CCT (EU): 85363030, Bruttovægt: 8.00 kg, VPE: 1.00 Pakkestørrelse


billeder

Yderligere information

DC-kortslutter DASD
til beskyttelse ved transiente, midlertidige og stationære overspændinger
Transient arbejdsstrøm: (10/350 us): 100 kA
Transient arbejdsstrøm: (8/20 us): 100 kA
Afledestrøm midlertidig (16,7 Hz, 50 Hz, 60 Hz): 5,0 kAeff (til 600 ms)
Afledestrøm stationær (16,7 Hz, 50 Hz, 60 Hz): 45 A (konstant)
Maks. tilladt DC-spænding - 2 V / + 2 V
Med integreret testbøsning

fabrikat: DEHN
Type: DASD 45 5 LP 2 T
artikelnr.: 923408
eller tilsvarende

Certificater

 

Tekniske data

Transient afledestrøm (10/350 µs) 100 kA
Transient afledestrøm (8/20 µs) 100 kA
Midlertidig afledestrøm (50 Hz, 60 Hz) 5 kAeff (op til 600 ms)
Vedvarende afledestrøm (50 Hz, 60 Hz) 45 Aeff
Transient begrænset spænding (op til 1 ms) ≤ 5,2 kV
*Denne test udføres for at måle enhver lækstrøm over kondensatoren ved en temperatur på 20 °C, med en påført DC-spænding på 0,5 V og efter en stabilisationstid på 1 time.

Produkt 923408 blev tilføjet til notesblok.

Produkt 923408 blev lagt I kurven.


DASD 45 5 LP 3 T

1 produkt

artikelnr. 923409 DASD 45 5 LP 3 T

GTIN 4013364520790, CCT (EU): 85363030, Bruttovægt: 8.00 kg, VPE: 1.00 Pakkestørrelse


billeder

Yderligere information

DC-kortslutter DASD
til beskyttelse ved transiente, midlertidige og stationære overspændinger
Transient arbejdsstrøm: (10/350 us): 100 kA
Transient arbejdsstrøm: (8/20 us): 100 kA
Afledestrøm midlertidig (16,7 Hz, 50 Hz, 60 Hz): 5,0 kAeff (til 600 ms)
Afledestrøm stationær (16,7 Hz, 50 Hz, 60 Hz): 45 A (konstant)
Maks. tilladt DC-spænding - 3 V / + 1 V
Med integreret testbøsning

fabrikat: DEHN
Type: DASD 45 5 LP 3 T
artikelnr.: 923409
eller tilsvarende

Certificater

 

Tekniske data

Transient afledestrøm (10/350 µs) 100 kA
Transient afledestrøm (8/20 µs) 100 kA
Midlertidig afledestrøm (50 Hz, 60 Hz) 5 kAeff (op til 600 ms)
Vedvarende afledestrøm (50 Hz, 60 Hz) 45 Aeff
Transient begrænset spænding (op til 1 ms) ≤ 5,2 kV
*Denne test udføres for at måle enhver lækstrøm over kondensatoren ved en temperatur på 20 °C, med en påført DC-spænding på 0,5 V og efter en stabilisationstid på 1 time.

Produkt 923409 blev tilføjet til notesblok.

Produkt 923409 blev lagt I kurven.


DASD 45 10 2 T

1 produkt

artikelnr. 923410 DASD 45 10 2 T

GTIN 4013364520806, CCT (EU): 85363030, Bruttovægt: 8.00 kg, VPE: 1.00 Pakkestørrelse


billeder

Yderligere information

DC-kortslutter DASD
til beskyttelse ved transiente, midlertidige og stationære overspændinger
Transient arbejdsstrøm: (8/20 us): 100 kA
Afledestrøm midlertidig (16,7 Hz, 50 Hz, 60 Hz): 10,0 kAeff (til 600 ms)
Afledestrøm stationær (16,7 Hz, 50 Hz, 60 Hz): 45 A (konstant)
Maks. tilladt DC-spænding - 2 V / + 2 V
Med integreret testbøsning

fabrikat: DEHN
Type: DASD 45 10 2 T
artikelnr.: 923410
eller tilsvarende

Certificater

 

Tekniske data

Transient afledestrøm (10/350 µs) 50 kA
Transient afledestrøm (8/20 µs) 100 kA
Midlertidig afledestrøm (50 Hz, 60 Hz) 10 kAeff (op til 600 ms)
Vedvarende afledestrøm (50 Hz, 60 Hz) 45 Aeff
Transient begrænset spænding (op til 1 ms) ≤ 5,2 kV
*Denne test udføres for at måle enhver lækstrøm over kondensatoren ved en temperatur på 20 °C, med en påført DC-spænding på 0,5 V og efter en stabilisationstid på 1 time.

Produkt 923410 blev tilføjet til notesblok.

Produkt 923410 blev lagt I kurven.


DASD 45 10 3 T

1 produkt

artikelnr. 923411 DASD 45 10 3 T

GTIN 4013364520776, CCT (EU): 85363030, Bruttovægt: 5.30 kg, VPE: 1.00 Pakkestørrelse


billeder

Yderligere information

DC-kortslutter DASD
til beskyttelse ved transiente, midlertidige og stationære overspændinger
Transient arbejdsstrøm: (8/20 us): 100 kA
Afledestrøm midlertidig (16,7 Hz, 50 Hz, 60 Hz): 10,0 kAeff (til 600 ms)
Afledestrøm stationær (16,7 Hz, 50 Hz, 60 Hz): 45 A (konstant)
Maks. tilladt DC-spænding - 3 V / + 1 V
Med integreret testbøsning

fabrikat: DEHN
Type: DASD 45 10 3 T
artikelnr.: 923411
eller tilsvarende

 

Tekniske data

Transient afledestrøm (10/350 µs) 50 kA
Transient afledestrøm (8/20 µs) 100 kA
Midlertidig afledestrøm (50 Hz, 60 Hz) 10,0 kAeff (op til 600 ms)
Vedvarende afledestrøm (50 Hz, 60 Hz) 45 Aeff
Transient begrænset spænding (op til 1 ms) ≤ 5,2 kV
*Denne test udføres for at måle enhver lækstrøm over kondensatoren ved en temperatur på 20 °C, med en påført DC-spænding på 0,5 V og efter en stabilisationstid på 1 time.

Produkt 923411 blev tilføjet til notesblok.

Produkt 923411 blev lagt I kurven.


back to top