Faste jordingspunkter med fleksibel tilslutningsklemme

Til montering i beton som fleksibel korrosionsfri tilslutning til jordingsanlæg til beskyttelsespotentialudligning og/eller nedlederens funktionspotentialudligning f.eks. på armeringen på bygninger.
Fleksible tilslutningsledninger op til 1000 mm lange muliggør en maksimal fleksibilitet mellem det udvendige tilslutningspunkt og den indvendige forbindelse.
Universalforbindelsesklemmen muliggør tilslutning af armeringsjern og runde materialer på 8-28 mm samt flade materialer 30x3,5 mm eller tykkere.
Ved dobbeltgevind M10 og M12 gælder følgende minimumslængde for skruerne:
35 mm ved M10 (gevindlængde 40 mm)
15 mm ved M12 (gevindlængde 20 mm)

2 produkter

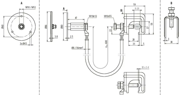
artikelnr. 416940 UES 16 L600 VK RD8 28 FL30 EFP

GTIN 4013364360280, CCT (EU): 85359000, Bruttovægt: 530.00 g, VPE: 25.00 Pakkestørrelse


billeder

Yderligere information

Tilslutningsudstyr bestående af
tilslutningskabel med tilsluttet
forbindelsesklemme og fast jordingspunkt
til sikker elektrisk forbindelse
af det faste jordingspunkt med
armeringen/armeringsjernene
Med tilslutningsudstyret sker der
en sikker elektrisk forbindelse
på et defineret armeringsjern
(længdearmeringsjern), der bruges som
nedleder på indfangersystemer,
facadeelementer, kranskinner,
kabelbakkesystemer, jordingsanlægget,
funktionspotentialudligning osv.
Materiale, forbindelsesklemme: St/blank
Klemmeområde Rd forbindelsesklemme: 8-28 mm
Klemmeområde Fl forbindelsesklemme: 30 x 3-4 mm
Materiale, fast jordingspunkt: NIRO (V4A)
Tilslutningsgevind fast jordingspunkt: M10 / M12
Materiale, brokoblingskabel: Fleksibel kobberleder, frostbestandig
Ledningslængde, brokoblingskabel: 600 mm
Ledertværsnit, brokoblingskabel: 16 mm2
Standarder: DIN EN 62561-1

fabrikat: DEHN
Type: UES 16 L600 VK RD8 28 FL30 EFP
artikelnr.: 416940
eller tilsvarende

Certificater

 

Tekniske data

Materiale, forbindelsesklemme St/blank
Klemmeområde Rd forbindelsesklemme 8-28 mm
Klemmeområde Fl forbindelsesklemme 30 x 3-4 mm
Materiale, fast jordingspunkt NIRO (V4A)
Tilslutningsgevind fast jordingspunkt M10 / M12
Materiale, brokoblingskabel Fleksibel kobberleder, frostbestandig
Ledningslængde, brokoblingskabel 600 mm
Ledertværsnit, brokoblingskabel 16 mm2
Standarder DIN EN 62561-1

Produkt 416940 blev tilføjet til notesblok.

Produkt 416940 blev lagt I kurven.

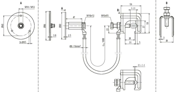
artikelnr. 416950 UES 16 L1000 VK RD8 28 FL30 EFP

GTIN 4013364508620, CCT (EU): 85359000, Bruttovægt: 650.00 g, VPE: 25.00 Pakkestørrelse


billeder

Yderligere information

Tilslutningsudstyr bestående af
tilslutningskabel med tilsluttet
forbindelsesklemme og fast jordingspunkt
til sikker elektrisk forbindelse
af det faste jordingspunkt med
armeringen/armeringsjernene
Med tilslutningsudstyret sker der
en sikker elektrisk forbindelse
på et defineret armeringsjern
(længdearmeringsjern), der bruges som
nedleder på indfangersystemer,
facadeelementer, kranskinner,
kabelbakkesystemer, jordingsanlægget,
funktionspotentialudligning osv.
Materiale, forbindelsesklemme: St/blank
Klemmeområde Rd forbindelsesklemme: 8-28 mm
Klemmeområde Fl forbindelsesklemme: 30 x 3-4 mm
Materiale, fast jordingspunkt: NIRO (V4A)
Tilslutningsgevind fast jordingspunkt: M10 / M12
Materiale, brokoblingskabel: Fleksibel kobberleder, frostbestandig
Ledningslængde, brokoblingskabel: 1000 mm
Ledertværsnit, brokoblingskabel: 16 mm2
Standarder: DIN EN 62561-1

fabrikat: DEHN
Type: UES 16 L1000 VK RD8 28 FL30 EFP
artikelnr.: 416950
eller tilsvarende

Certificater

 

Tekniske data

Materiale, forbindelsesklemme St/blank
Klemmeområde Rd forbindelsesklemme 8-28 mm
Klemmeområde Fl forbindelsesklemme 30 x 3-4 mm
Materiale, fast jordingspunkt NIRO (V4A)
Tilslutningsgevind fast jordingspunkt M10 / M12
Materiale, brokoblingskabel Fleksibel kobberleder, frostbestandig
Ledningslængde, brokoblingskabel 1000 mm
Ledertværsnit, brokoblingskabel 16 mm2
Standarder DIN EN 62561-1

Produkt 416950 blev tilføjet til notesblok.

Produkt 416950 blev lagt I kurven.


back to top