Beslag til støtterør

Til vores støtterør kan der fås mange forskellige holdere og fastgørelser på gelændere, mure eller runde stålpæle. Delvist med mulighed for potentialudligning.

1 produkt

artikelnr. 105342 WB D40.50 SE WA46 V2A

GTIN 4013364111141, CCT (EU): 85389099, Bruttovægt: 514.00 g, VPE: 1.00 Pakkestørrelse


billeder

Yderligere information

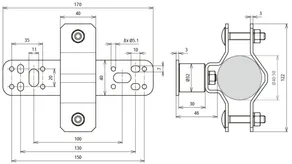
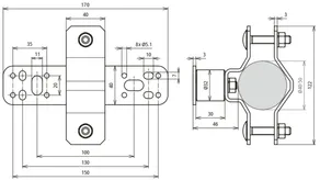
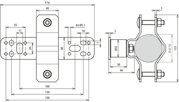
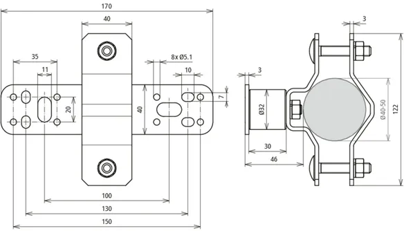
Holder til indfangerstang Ø40 og DEHNcon-H NIRO lodret montering
Holder til indfangerstænger Ø40 og DEHNcon-H
til fastgørelse af indfangerstænger Ø40
eller støtterørene på
opbygning, der skal beskyttes, eller på væggen

fabrikat: DEHN
Type: WB D40.50 SE WA46 V2A
artikelnr.: 105342
eller tilsvarende

Certificater

 

Tekniske data

Materiale NIRO
Fastgørelse [8x] Ø5,1 / [4x] 7 x 10 / [2x] 11 x 20 mm
Vægafstand 46 mm

Produkt 105342 blev tilføjet til notesblok.

Produkt 105342 blev lagt I kurven.


back to top