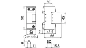
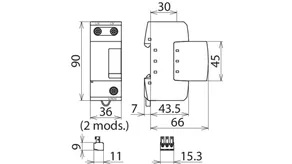
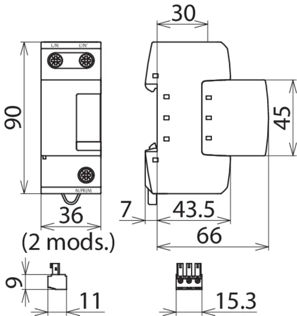
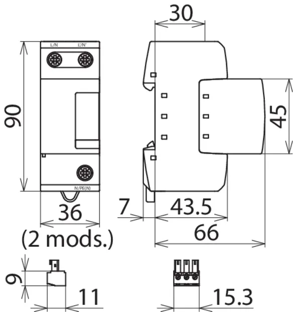
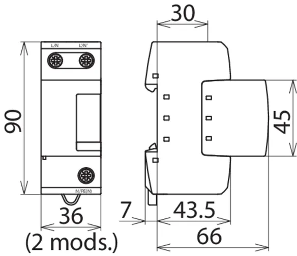
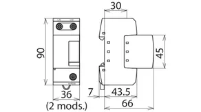
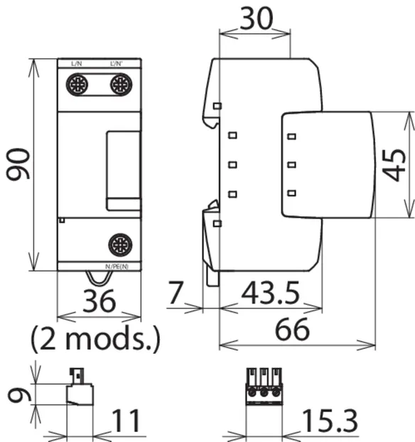
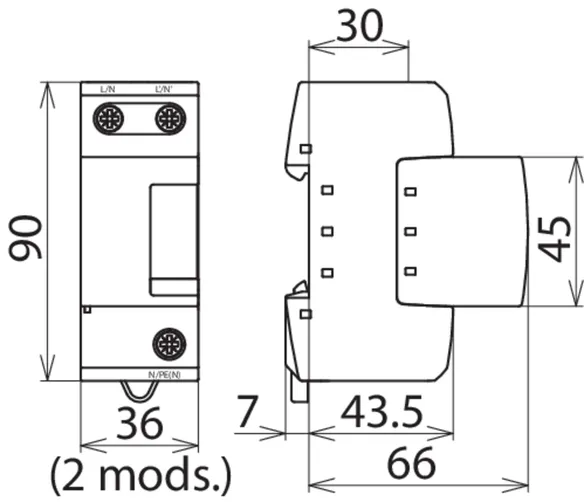
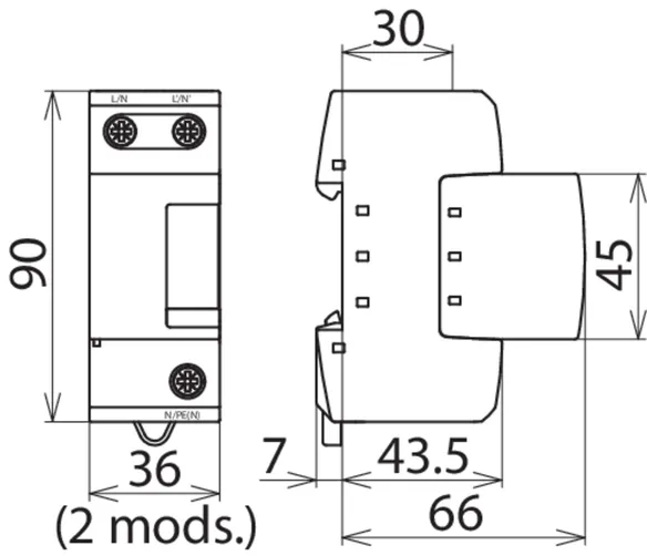
DEHNbloc modular
                        
                        
                            
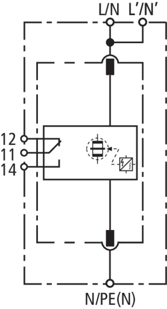
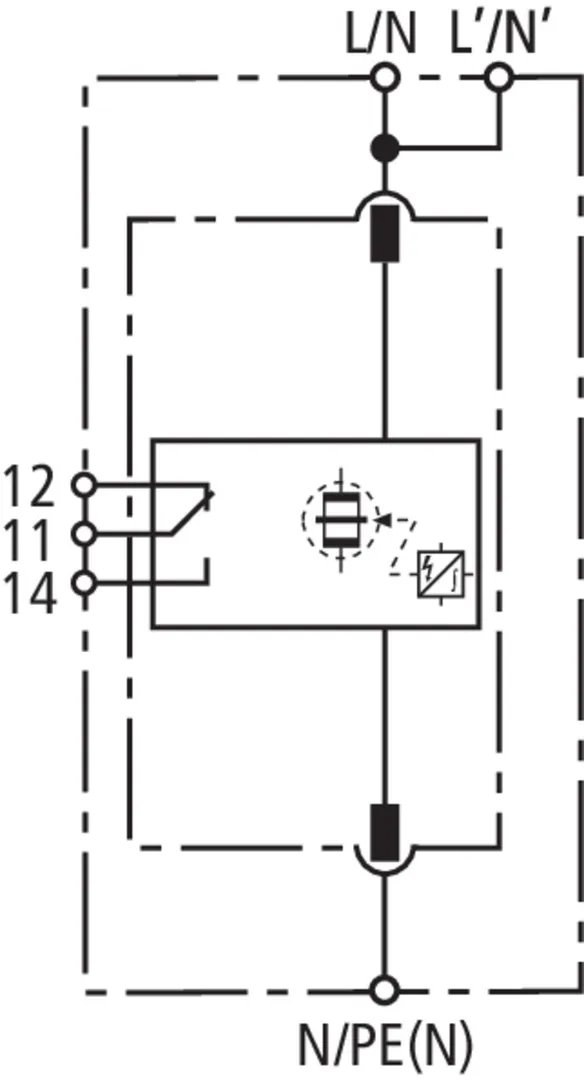
                        - Coordinated spark-gap-based lightning current arrester consisting of a base part and a plug-in protection module
 - Maximum system availability due to RADAX Flow follow current limitation
 - No tripping of 32 A gG fuses up to short-circuit currents of 50 kArms
 - Discharge capacity up to 50 kA (10/350 µs)
 - Directly coordinated with DEHNguard surge protective devices without additional cable length
 - Low voltage protection level
 - Operating state / fault indication by green / red indicator flag in the inspection window
 - Easy replacement of protection modules without tools due to module locking system with module release button
 
Details
                                
                                    
                                artikelnr. 961110 DB M 1 150
GTIN 4013364118560, CCT (EU): 85363090, Bruttovægt: 333.40 g, VPE: 1.00 pc(s)
forrigeTekniske data
| SPD according to EN 61643-11 / IEC 61643-11 | type 1 / class I | 
| Max. continuous operating voltage (a.c.) (UC ) | 150 V (50 / 60 Hz) | 
| Lightning impulse current (10/350 µs) (Iimp ) | 35 kA | 
| Voltage protection level (UP ) | ≤ 1.5 kV | 
| Max. backup fuse (L) up to IK = 35 kArms (ta ≤ 0.2 s) | 500 A gG | 
| Max. backup fuse (L) up to IK = 35 kArms (ta ≤ 5 s) | 315 A gG | 
| Approvals | UL, CSA | 
artikelnr. 961120 DB M 1 255
GTIN 4013364118614, CCT (EU): 85363090, Bruttovægt: 355.80 g, VPE: 1.00 pc(s)
forrigeTekniske data
| SPD according to EN 61643-11 / IEC 61643-11 | type 1 / class I | 
| Max. continuous operating voltage (a.c.) (UC ) | 255 V (50 / 60 Hz) | 
| Lightning impulse current (10/350 µs) (Iimp ) | 50 kA | 
| Voltage protection level (UP ) | ≤ 2.5 kV | 
| Max. backup fuse (L) up to IK = 50 kArms (ta ≤ 0.2 s) | 500 A gG | 
| Max. backup fuse (L) up to IK = 50 kArms (ta ≤ 5 s) | 315 A gG | 
| Approvals | VDE, KEMA, UL | 
artikelnr. 961130 DB M 1 320
GTIN 4013364118638, CCT (EU): 85363090, Bruttovægt: 341.00 g, VPE: 1.00 pc(s)
forrigeTekniske data
| SPD according to EN 61643-11 / IEC 61643-11 | type 1 / class I | 
| Max. continuous operating voltage (a.c.) (UC ) | 320 V (50 / 60 Hz) | 
| Lightning impulse current (10/350 µs) (Iimp ) | 25 kA | 
| Voltage protection level (UP ) | ≤ 2.5 kV | 
| Max. backup fuse (L) up to IK = 50 kArms (ta ≤ 0.2 s) | 315 A gG | 
| Max. backup fuse (L) up to IK = 50 kArms (ta ≤ 5 s) | 315 A gG | 
| Approvals | UL | 
artikelnr. 961115 DB M 1 150 FM
GTIN 4013364118577, CCT (EU): 85363090, Bruttovægt: 337.30 g, VPE: 1.00 pc(s)
forrigeTekniske data
| SPD according to EN 61643-11 / IEC 61643-11 | type 1 / class I | 
| Max. continuous operating voltage (a.c.) (UC ) | 150 V (50 / 60 Hz) | 
| Lightning impulse current (10/350 µs) (Iimp ) | 35 kA | 
| Voltage protection level (UP ) | ≤ 1.5 kV | 
| Max. backup fuse (L) up to IK = 35 kArms (ta ≤ 0.2 s) | 500 A gG | 
| Max. backup fuse (L) up to IK = 35 kArms (ta ≤ 5 s) | 315 A gG | 
| Approvals | UL, CSA | 
artikelnr. 961125 DB M 1 255 FM
GTIN 4013364118621, CCT (EU): 85363090, Bruttovægt: 359.30 g, VPE: 1.00 pc(s)
forrigeTekniske data
| SPD according to EN 61643-11 / IEC 61643-11 | type 1 / class I | 
| Max. continuous operating voltage (a.c.) (UC ) | 255 V (50 / 60 Hz) | 
| Lightning impulse current (10/350 µs) (Iimp ) | 50 kA | 
| Voltage protection level (UP ) | ≤ 2.5 kV | 
| Max. backup fuse (L) up to IK = 50 kArms (ta ≤ 0.2 s) | 500 A gG | 
| Max. backup fuse (L) up to IK = 50 kArms (ta ≤ 5 s) | 315 A gG | 
| Approvals | VDE, KEMA, UL | 
artikelnr. 961135 DB M 1 320 FM
GTIN 4013364118645, CCT (EU): 85363090, Bruttovægt: 346.00 g, VPE: 1.00 pc(s)
forrigeTekniske data
| SPD according to EN 61643-11 / IEC 61643-11 | type 1 / class I | 
| Max. continuous operating voltage (a.c.) (UC ) | 320 V (50 / 60 Hz) | 
| Lightning impulse current (10/350 µs) (Iimp ) | 25 kA | 
| Voltage protection level (UP ) | ≤ 2.5 kV | 
| Max. backup fuse (L) up to IK = 50 kArms (ta ≤ 0.2 s) | 315 A gG | 
| Max. backup fuse (L) up to IK = 50 kArms (ta ≤ 5 s) | 315 A gG | 
| Approvals | UL | 
                                
                                
                                    
                                        
                                    
                                    
                                
                                
                                
                                    
                                        
                                
                                
                                    
                                        
                
                
                
                