Accessories for DEHNcon-H

Accessories

1 produkt

artikelnr. 105342 WB D40.50 SE WA46 V2A

GTIN 4013364111141, CCT (EU): 85389099, Bruttovægt: 514.00 g, VPE: 1.00 pc(s)


billeder

Yderligere information

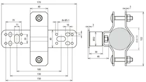
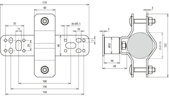
Holder for air-termination rods D40 and DEHNcon-H, StSt, vertical installation
Holder for air-termination rods D40 and DEHNcon-H for
fixing air-termination rods D40 or supporting tubes
on the structure to be protected or on the wall

Brand: DEHN
Type: WB D40.50 SE WA46 V2A
Part No.: 105342
or equivalent.

Certificater

 

Tekniske data

Material StSt
Fixing [8x] Ø5.1 / [4x] 7 x 10 / [2x] 11 x 20 mm
Distance from wall 46 mm

Produkt 105342 blev tilføjet til notesblok.

Produkt 105342 blev lagt I kurven.


back to top